0
SN74LVC240A
  • SN74LVC240A
  • SN74LVC240A
  • SN74LVC240A
  • SN74LVC240A
  • SN74LVC240A
  • SN74LVC240A
  • SN74LVC240A

SN74LVC240A

ACTIVE

8-ch, 1.65-V to 3.6-V inverters with 3-state outputs

Texas Instruments SN74LVC240A Product Info

1 April 2026 0

Parameters

Technology family

LVC

Supply voltage (min) (V)

1.65

Supply voltage (max) (V)

3.6

Number of channels

8

IOL (max) (mA)

24

IOH (max) (mA)

-24

Supply current (max) (µA)

10

Input type

Standard CMOS

Output type

3-State

Features

Balanced outputs, Very high speed (tpd 5-10ns)

Rating

Catalog

Operating temperature range (°C)

-40 to 125

Package

SOIC (DW)-20-131.84 mm² 12.8 x 10.3

Features

  • Operates From 1.65 V to 3.6 V
  • Inputs Accept Voltages to 5.5 V
  • Max tpd of 6.5 ns at 3.3 V
  • Typical VOLP (Output Ground Bounce)
    <0.8 V at VCC = 3.3 V, TA = 25°C
  • Typical VOHV (Output VOH Undershoot)
    >2 V at VCC = 3.3 V, TA = 25°C
  • Supports Mixed-Mode Signal Operation
    on All Ports (5-V Input/Output Voltage With
    3.3-V VCC)
  • Ioff Supports Live Insertion, Partial-Power-
    Down Mode, and Back-Drive Protection
  • Latch-Up Performance Exceeds 250 mA Per
    JESD 17
  • ESD Protection Exceeds JESD 22
    • 2000-V Human-Body Model (A114-A)
    • 200-V Machine Model (A115-A)
    • 1000-V Charged-Device Model (C101)
  • Operates From 1.65 V to 3.6 V
  • Inputs Accept Voltages to 5.5 V
  • Max tpd of 6.5 ns at 3.3 V
  • Typical VOLP (Output Ground Bounce)
    <0.8 V at VCC = 3.3 V, TA = 25°C
  • Typical VOHV (Output VOH Undershoot)
    >2 V at VCC = 3.3 V, TA = 25°C
  • Supports Mixed-Mode Signal Operation
    on All Ports (5-V Input/Output Voltage With
    3.3-V VCC)
  • Ioff Supports Live Insertion, Partial-Power-
    Down Mode, and Back-Drive Protection
  • Latch-Up Performance Exceeds 250 mA Per
    JESD 17
  • ESD Protection Exceeds JESD 22
    • 2000-V Human-Body Model (A114-A)
    • 200-V Machine Model (A115-A)
    • 1000-V Charged-Device Model (C101)

Description

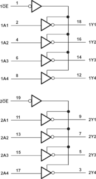
This octal buffer/driver is designed for 1.65-V to 3.6-V VCC operation.

The SN74LVC240A is designed specifically to improve the performance and density of 3-state memory address drivers, clock drivers, and bus-oriented receivers and transmitters.

This octal buffer/driver is designed for 1.65-V to 3.6-V VCC operation.

The SN74LVC240A is designed specifically to improve the performance and density of 3-state memory address drivers, clock drivers, and bus-oriented receivers and transmitters.

Subscribe to Welllinkchips !
Your Name
* Email
Submit a request