0
SN74LVC1G175
  • SN74LVC1G175
  • SN74LVC1G175
  • SN74LVC1G175
  • SN74LVC1G175
  • SN74LVC1G175
  • SN74LVC1G175

SN74LVC1G175

ACTIVE

Single D-Type Flip-Flop with Asynchronous Clear

Texas Instruments SN74LVC1G175 Product Info

1 April 2026 2

Parameters

Number of channels

1

Technology family

LVC

Supply voltage (min) (V)

1.65

Supply voltage (max) (V)

5.5

Input type

Standard CMOS

Output type

Push-Pull

Clock frequency (max) (MHz)

150

IOL (max) (mA)

32

IOH (max) (mA)

-32

Supply current (max) (µA)

10

Features

Balanced outputs, Over-voltage tolerant inputs, Partial power down (Ioff), Very high speed (tpd 5-10ns)

Operating temperature range (°C)

-40 to 125

Rating

Catalog

Package

DSBGA (YZP)-6-2.1875 mm² 1.75 x 1.25

Features

  • Available in the Texas Instruments
    NanoFree™ Package
  • Supports 5-V VCC Operation
  • Inputs Accept Voltages to 5.5 V
  • Supports Down Translation to VCC
  • Max tpd of 4.3 ns at 3.3 V
  • Low Power Consumption, 10-µA Max ICC
  • ±24-mA Output Drive at 3.3 V
  • Ioff Supports Live Insertion, Partial-Power-Down
    Mode, and Back-Drive Protection
  • Latch-Up Performance Exceeds 100 mA Per
    JESD 78, Class II
  • ESD Protection Exceeds JESD 22
    • 2000-V Human-Body Model (A114-A)
    • 200-V Machine Model (A115-A)
    • 1000-V Charged-Device Model (C101)
  • Available in the Texas Instruments
    NanoFree™ Package
  • Supports 5-V VCC Operation
  • Inputs Accept Voltages to 5.5 V
  • Supports Down Translation to VCC
  • Max tpd of 4.3 ns at 3.3 V
  • Low Power Consumption, 10-µA Max ICC
  • ±24-mA Output Drive at 3.3 V
  • Ioff Supports Live Insertion, Partial-Power-Down
    Mode, and Back-Drive Protection
  • Latch-Up Performance Exceeds 100 mA Per
    JESD 78, Class II
  • ESD Protection Exceeds JESD 22
    • 2000-V Human-Body Model (A114-A)
    • 200-V Machine Model (A115-A)
    • 1000-V Charged-Device Model (C101)

Description

This single D-type flip-flop is designed for 1.65-V to 5.5-V VCC operation.

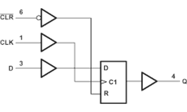
The SN74LVC1G175 device has an asynchronous clear (CLR) input. When CLR is high, data from the input pin (D) is transferred to the output pin (Q) on the clock's (CLK) rising edge. When CLR is low, Q is forced into the low state, regardless of the clock edge or data on D.

NanoFree™ package technology is a major breakthrough in IC packaging concepts, using the die as the package.

This device is fully specified for partial-power-down applications using Ioff. The Ioff circuitry disables the outputs, preventing damaging current backflow through the device when it is powered down.

This single D-type flip-flop is designed for 1.65-V to 5.5-V VCC operation.

The SN74LVC1G175 device has an asynchronous clear (CLR) input. When CLR is high, data from the input pin (D) is transferred to the output pin (Q) on the clock's (CLK) rising edge. When CLR is low, Q is forced into the low state, regardless of the clock edge or data on D.

NanoFree™ package technology is a major breakthrough in IC packaging concepts, using the die as the package.

This device is fully specified for partial-power-down applications using Ioff. The Ioff circuitry disables the outputs, preventing damaging current backflow through the device when it is powered down.

Subscribe to Welllinkchips !
Your Name
* Email
Submit a request