0
DRV5055
  • DRV5055
  • DRV5055
  • DRV5055
  • DRV5055

DRV5055

ACTIVE

Ratiometric linear hall effect sensor with analog output

Texas Instruments DRV5055 Product Info

1 April 2026 1

Parameters

Type

Ratiometric bipolar

Sensitivity (typ) (mV/mT)

12.5, 15, 25, 50, 100

Sensitivity error (%)

5

Supply voltage (max) (V)

5.5

Supply voltage (min) (V)

3

Bandwidth (kHz)

20

Output

0.2 V to Vcc

Rating

Catalog

Operating temperature range (°C)

-40 to 125

Package

SOT-23 (DBZ)-3-6.9204 mm² 2.92 x 2.37

Features

  • Ratiometric Linear Hall Effect Magnetic Sensor
  • Operates From 3.3-V and 5-V Power Supplies
  • Analog Output With VCC / 2 Quiescent Offset
  • Magnetic Sensitivity Options (At VCC = 5 V):
    • A1/Z1: 100 mV/mT, ±21-mT Range
    • A2/Z2: 50 mV/mT, ±42-mT Range
    • A3/Z3: 25 mV/mT, ±85-mT Range
    • A4/Z4: 12.5 mV/mT, ±169-mT Range
  • Fast 20-kHz Sensing Bandwidth
  • Low-Noise Output With ±1-mA Drive
  • Compensation For Magnet Temperature Drift for A1/A2/A3/A4 Versions and None for Z1/Z2/Z3/Z4 Versions
  • Standard Industry Packages:
    • Surface-Mount SOT-23
    • Through-Hole TO-92
  • Ratiometric Linear Hall Effect Magnetic Sensor
  • Operates From 3.3-V and 5-V Power Supplies
  • Analog Output With VCC / 2 Quiescent Offset
  • Magnetic Sensitivity Options (At VCC = 5 V):
    • A1/Z1: 100 mV/mT, ±21-mT Range
    • A2/Z2: 50 mV/mT, ±42-mT Range
    • A3/Z3: 25 mV/mT, ±85-mT Range
    • A4/Z4: 12.5 mV/mT, ±169-mT Range
  • Fast 20-kHz Sensing Bandwidth
  • Low-Noise Output With ±1-mA Drive
  • Compensation For Magnet Temperature Drift for A1/A2/A3/A4 Versions and None for Z1/Z2/Z3/Z4 Versions
  • Standard Industry Packages:
    • Surface-Mount SOT-23
    • Through-Hole TO-92

Description

The DRV5055 is a linear Hall effect sensor that responds proportionally to magnetic flux density. The device can be used for accurate position sensing in a wide range of applications.

The device operates from 3.3-V or 5-V power supplies. When no magnetic field is present, the analog output drives half of VCC. The output changes linearly with the applied magnetic flux density, and four sensitivity options enable maximal output voltage swing based on the required sensing range. North and south magnetic poles produce unique voltages.

Magnetic flux perpendicular to the top of the package is sensed, and the two package options provide different sensing directions.

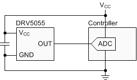
The device uses a ratiometric architecture that can eliminate error from VCC tolerance when the external analog-to-digital converter (ADC) uses the same VCC for its reference. Additionally, the device features magnet temperature compensation to counteract how magnets drift for linear performance across a wide –40°C to 125°C temperature range. Device options for no temperature compensation of magnet drift are also available.

The DRV5055 is a linear Hall effect sensor that responds proportionally to magnetic flux density. The device can be used for accurate position sensing in a wide range of applications.

The device operates from 3.3-V or 5-V power supplies. When no magnetic field is present, the analog output drives half of VCC. The output changes linearly with the applied magnetic flux density, and four sensitivity options enable maximal output voltage swing based on the required sensing range. North and south magnetic poles produce unique voltages.

Magnetic flux perpendicular to the top of the package is sensed, and the two package options provide different sensing directions.

The device uses a ratiometric architecture that can eliminate error from VCC tolerance when the external analog-to-digital converter (ADC) uses the same VCC for its reference. Additionally, the device features magnet temperature compensation to counteract how magnets drift for linear performance across a wide –40°C to 125°C temperature range. Device options for no temperature compensation of magnet drift are also available.

Subscribe to Welllinkchips !
Your Name
* Email
Submit a request