0
SN74HCS365-Q1
  • SN74HCS365-Q1
  • SN74HCS365-Q1
  • SN74HCS365-Q1
  • SN74HCS365-Q1

SN74HCS365-Q1

ACTIVE

Automotive hex buffers and line drivers with 3-state outputs

Texas Instruments SN74HCS365-Q1 Product Info

1 April 2026 1

Parameters

Technology family

HCS

Supply voltage (min) (V)

2

Supply voltage (max) (V)

6

Number of channels

6

IOL (max) (mA)

7.8

Supply current (max) (µA)

2

IOH (max) (mA)

-7.8

Input type

Schmitt-Trigger

Output type

3-State

Features

Balanced outputs, Input clamp diode, Very high speed (tpd 5-10ns)

Rating

Automotive

Operating temperature range (°C)

-40 to 125

Package

SOIC (D)-16-59.4 mm² 9.9 x 6

Features

  • AEC-Q100 qualified for automotive applications:
    • Device temperature grade 1: –40°C to +125°C, TA
    • Device HBM ESD Classification Level 2
    • Device CDM ESD Classifcation Level C6
  • Available in wettable flank QFN (W BQB) package
  • Wide operating voltage range: 2 V to 6 V
  • Schmitt-trigger inputs allow for slow or noisy input signals
  • Low power consumption
    • Typical ICC of 100 nA
    • Typical input leakage current of ±100 nA
  • ±7.8-mA output drive at 6 V
  • AEC-Q100 qualified for automotive applications:
    • Device temperature grade 1: –40°C to +125°C, TA
    • Device HBM ESD Classification Level 2
    • Device CDM ESD Classifcation Level C6
  • Available in wettable flank QFN (W BQB) package
  • Wide operating voltage range: 2 V to 6 V
  • Schmitt-trigger inputs allow for slow or noisy input signals
  • Low power consumption
    • Typical ICC of 100 nA
    • Typical input leakage current of ±100 nA
  • ±7.8-mA output drive at 6 V

Description

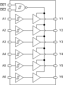
The SN74HCS365-Q1 contains six independent buffers with Schmitt-trigger inputs and 3-state outputs. All channels are placed into the high-impedance mode when either of the output enable (OE) pins are set to the high state.

The SN74HCS365-Q1 contains six independent buffers with Schmitt-trigger inputs and 3-state outputs. All channels are placed into the high-impedance mode when either of the output enable (OE) pins are set to the high state.

Subscribe to Welllinkchips !
Your Name
* Email
Submit a request