0
AMC1304L05
  • AMC1304L05
  • AMC1304L05

AMC1304L05

ACTIVE

±50-mV input, precision current sensing reinforced isolated modulator with LDO & LVDS interface

Texas Instruments AMC1304L05 Product Info

1 April 2026 0

Parameters

Device type

Current sensing

Peak-to-peak input voltage range (V)

50mV

Interface type

LVDS

Sample rate (max) (Msps)

20

Rating

Catalog

CMTI (min) (kV/µs)

15

Number of input channels

1

Architecture

Delta-Sigma

SNR (dB)

77

Operating temperature range (°C)

-40 to 125

Power consumption (typ) (mW)

58

SFDR (dB)

-80

Isolation rating

Reinforced

Withstand isolation voltage (VISO) (Vrms)

5000

Working isolation voltage (VIOWM) (Vrms)

1500

Transient isolation voltage (VIOTM) (VPK)

7

Creepage (min) (mm)

8.5

Clearance (min) (mm)

8.5

Package

SOIC (DW)-16-106.09 mm² 10.3 x 10.3

Features

  • Pin-compatible family optimized for shunt-resistor-based current measurements:
    • ±50-mV or ±250-mV input voltage ranges
    • CMOS or LVDS digital interface options
  • Excellent DC performance supporting high-precision sensing on system level:
    • Offset error: ±50 µV or ±100 µV (max)
    • Offset drift: 1.3 µV/°C (max)
    • Gain error: ±0.2% or ±0.3% (max)
    • Gain drift: ±40 ppm/°C (max)
  • Safety-related certifications:
    • 7000-VPK reinforced isolation per
      DIN VDE V 0884-11: 2017-01
    • 5000-VRMS isolation for 1 minute per UL1577
    • CAN/CSA no. 5A-component acceptance service notice and IEC 62368-1 end equipment standard
  • Transient immunity: 15 kV/µs (min)
  • High electromagnetic field immunity
    (see application note SLLA181A)
  • External 5-MHz to 20-MHz clock input for
    easier system-level synchronization
  • On-chip 18-V LDO regulator
  • Fully specified over the extended industrial temperature range
  • Pin-compatible family optimized for shunt-resistor-based current measurements:
    • ±50-mV or ±250-mV input voltage ranges
    • CMOS or LVDS digital interface options
  • Excellent DC performance supporting high-precision sensing on system level:
    • Offset error: ±50 µV or ±100 µV (max)
    • Offset drift: 1.3 µV/°C (max)
    • Gain error: ±0.2% or ±0.3% (max)
    • Gain drift: ±40 ppm/°C (max)
  • Safety-related certifications:
    • 7000-VPK reinforced isolation per
      DIN VDE V 0884-11: 2017-01
    • 5000-VRMS isolation for 1 minute per UL1577
    • CAN/CSA no. 5A-component acceptance service notice and IEC 62368-1 end equipment standard
  • Transient immunity: 15 kV/µs (min)
  • High electromagnetic field immunity
    (see application note SLLA181A)
  • External 5-MHz to 20-MHz clock input for
    easier system-level synchronization
  • On-chip 18-V LDO regulator
  • Fully specified over the extended industrial temperature range

Description

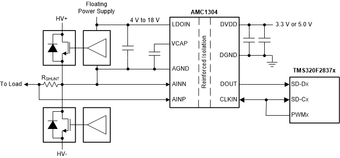
The AMC1304 is a precision, delta-sigma (ΔΣ) modulator with the output separated from the input circuitry by a capacitive double isolation barrier that is highly resistant to magnetic interference. This barrier is certified to provide reinforced isolation of up to 7000 VPEAK according to the DIN VDE V 0884-11, UL1577 and CSA standards. Used in conjunction with isolated power supplies, the device prevents noise currents on a high common-mode voltage line from entering the local system ground and interfering with or damaging low voltage circuitry.

The input of the AMC1304 is optimized for direct connection to shunt resistors or other low voltage-level signal sources. The unique low input voltage range of the ±50-mV device allows significant reduction of the power dissipation through the shunt while supporting excellent ac and dc performance. By using an appropriate digital filter (that is, as integrated on the TMS320F2807x or TMS320F2837x families) to decimate the bit stream, the device can achieve 16 bits of resolution with a dynamic range of 81 dB (13.2 ENOB) at a data rate of 78 kSPS.

On the high-side, the modulator is supplied by an integrated low-dropout (LDO) regulator that allows an unregulated input voltage between 4 V and 18 V (LDOIN). The isolated digital interface operates from a 3.3-V or 5-V power supply (DVDD).

The AMC1304 is available in a wide-body SOIC-16 (DW) package and is specified from –40°C to +125°C.

The AMC1304 is a precision, delta-sigma (ΔΣ) modulator with the output separated from the input circuitry by a capacitive double isolation barrier that is highly resistant to magnetic interference. This barrier is certified to provide reinforced isolation of up to 7000 VPEAK according to the DIN VDE V 0884-11, UL1577 and CSA standards. Used in conjunction with isolated power supplies, the device prevents noise currents on a high common-mode voltage line from entering the local system ground and interfering with or damaging low voltage circuitry.

The input of the AMC1304 is optimized for direct connection to shunt resistors or other low voltage-level signal sources. The unique low input voltage range of the ±50-mV device allows significant reduction of the power dissipation through the shunt while supporting excellent ac and dc performance. By using an appropriate digital filter (that is, as integrated on the TMS320F2807x or TMS320F2837x families) to decimate the bit stream, the device can achieve 16 bits of resolution with a dynamic range of 81 dB (13.2 ENOB) at a data rate of 78 kSPS.

On the high-side, the modulator is supplied by an integrated low-dropout (LDO) regulator that allows an unregulated input voltage between 4 V and 18 V (LDOIN). The isolated digital interface operates from a 3.3-V or 5-V power supply (DVDD).

The AMC1304 is available in a wide-body SOIC-16 (DW) package and is specified from –40°C to +125°C.

Subscribe to Welllinkchips !
Your Name
* Email
Submit a request