0
UCC14131-Q1
  • UCC14131-Q1
  • UCC14131-Q1
  • UCC14131-Q1
  • UCC14131-Q1

UCC14131-Q1

ACTIVE

Automotive, 1.5-W, 12-V to 15-V VIN, 12-V to 15-V VOUT high-density >5-kVRMS isolated DC/DC mo

Texas Instruments UCC14131-Q1 Product Info

1 April 2026 0

Parameters

Rating

Automotive

Topology

Full-bridge

Vin (max) (V)

18

Vin (min) (V)

8.5

Vout (max) (V)

15

Vout (min) (V)

10

Features

1.5W, Dual output, Enable, Power good, Regulated, Reinforced isolation, Soft start, UVLO adjustable

Device type

Isolated modules

Regulated outputs (#)

2

Isolation rating

Reinforced

Output power (W)

1.5

Operating temperature range (°C)

-40 to 125

Control mode

Internally Regulated with Dual Adjustable Outputs

Package

SO-MOD (DWN)-36-131.84 mm² 12.8 x 10.3

Features

  • Fully integrated high-density isolated DC/DC module with isolation transformer
  • Isolated DC/DC for driving: IGBTs, GaN, SiC, and Si MOSFETs
  • Input voltage range: 10 V to 18 V with 32-V absolute maximum
  • 1.5-W output power at T A ≤ 105°C
  • 1.0-W output power for 10 V < V VIN < 18 V at T A = 105 °C
  • Adjustable single or dual output voltages (using resistors) with < ±1.3 % regulation accuracy over full operating range
  • Low electromagnetic emission with spread spectrum modulation and integrated transformer design
  • Enable, Power Good, UVLO, OVLO, soft-start, short-circuit, power-limit, under-voltage, over-voltage, and over-temperature protection
  • CMTI > 150 kV/µs
  • AEC-Q100 qualified for automotive applications
    • Temperature grade 1: –40°C ≤ T J ≤ 150°C
    • Temperature grade 1: –40 °C ≤ T A ≤ 125°C
  • Functional Safety-Capable
  • Planned safety-related certifications:
    • 7071-VPK reinforce isolation per DIN EN IEC 60747-17 (VDE 0884-17)

    • 5000-V RMS isolation for 1 minute per UL1577
    • Reinforced insulation per CQC GB4943.1

  • 36-pin, wide SSOP package
  • Fully integrated high-density isolated DC/DC module with isolation transformer
  • Isolated DC/DC for driving: IGBTs, GaN, SiC, and Si MOSFETs
  • Input voltage range: 10 V to 18 V with 32-V absolute maximum
  • 1.5-W output power at T A ≤ 105°C
  • 1.0-W output power for 10 V < V VIN < 18 V at T A = 105 °C
  • Adjustable single or dual output voltages (using resistors) with < ±1.3 % regulation accuracy over full operating range
  • Low electromagnetic emission with spread spectrum modulation and integrated transformer design
  • Enable, Power Good, UVLO, OVLO, soft-start, short-circuit, power-limit, under-voltage, over-voltage, and over-temperature protection
  • CMTI > 150 kV/µs
  • AEC-Q100 qualified for automotive applications
    • Temperature grade 1: –40°C ≤ T J ≤ 150°C
    • Temperature grade 1: –40 °C ≤ T A ≤ 125°C
  • Functional Safety-Capable
  • Planned safety-related certifications:
    • 7071-VPK reinforce isolation per DIN EN IEC 60747-17 (VDE 0884-17)

    • 5000-V RMS isolation for 1 minute per UL1577
    • Reinforced insulation per CQC GB4943.1

  • 36-pin, wide SSOP package

Description

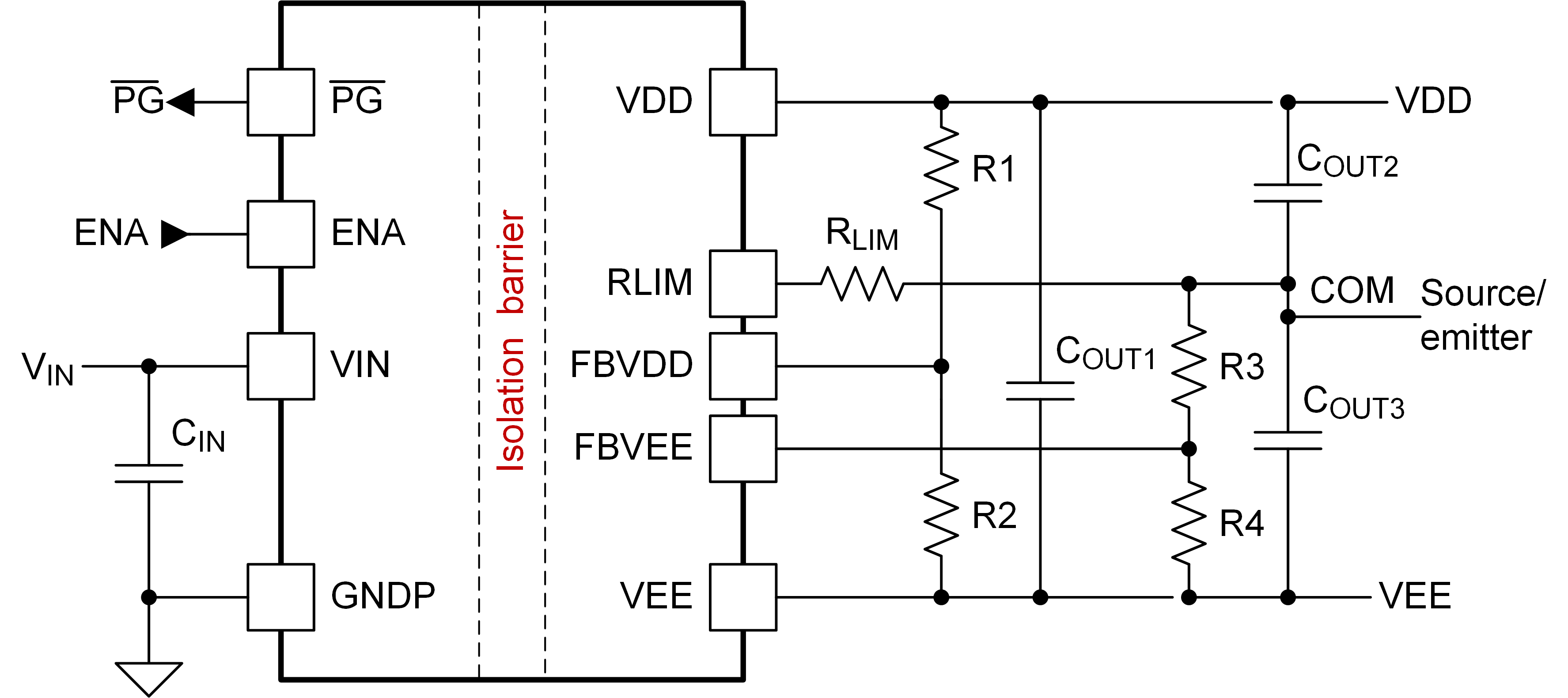
UCC14131-Q1 is an automotive qualified high isolation voltage DC/DC power module designed to provide power to GaN, IGBT, SiC, or Si gate drivers. The UCC14131-Q1 integrates a transformer and DC/DC controller with a proprietary architecture to achieve high efficiency with very low emissions. It can provide an isolated 12-V output from a 12-V regulated input for driving GaN and Si MOSFETs; and an isolated 15-V or 18-V output from a 15-V regulated input to bias the driver circuit for SiC MOSFET or IGBTs. The high-accuracy provides better channel enhancement for higher system efficiency without over-stressing the power device gate.

The UCC14131-Q1 provides up to 1.5W (typical) of isolated output power at high efficiency. Requiring a minimum of external components and including on-chip device protection, the module provides extra features such as input undervoltage lockout, overvoltage lockout, output voltage power-good comparators, overtemperature shutdown, soft-start time-out, adjustable isolated positive and negative output voltage, an enable pin, and an open-drain output power-good pin.

UCC14131-Q1 is an automotive qualified high isolation voltage DC/DC power module designed to provide power to GaN, IGBT, SiC, or Si gate drivers. The UCC14131-Q1 integrates a transformer and DC/DC controller with a proprietary architecture to achieve high efficiency with very low emissions. It can provide an isolated 12-V output from a 12-V regulated input for driving GaN and Si MOSFETs; and an isolated 15-V or 18-V output from a 15-V regulated input to bias the driver circuit for SiC MOSFET or IGBTs. The high-accuracy provides better channel enhancement for higher system efficiency without over-stressing the power device gate.

The UCC14131-Q1 provides up to 1.5W (typical) of isolated output power at high efficiency. Requiring a minimum of external components and including on-chip device protection, the module provides extra features such as input undervoltage lockout, overvoltage lockout, output voltage power-good comparators, overtemperature shutdown, soft-start time-out, adjustable isolated positive and negative output voltage, an enable pin, and an open-drain output power-good pin.

Subscribe to Welllinkchips !
Your Name
* Email
Submit a request