0
SN74HC259
  • SN74HC259
  • SN74HC259
  • SN74HC259
  • SN74HC259
  • SN74HC259
  • SN74HC259
  • SN74HC259

SN74HC259

ACTIVE

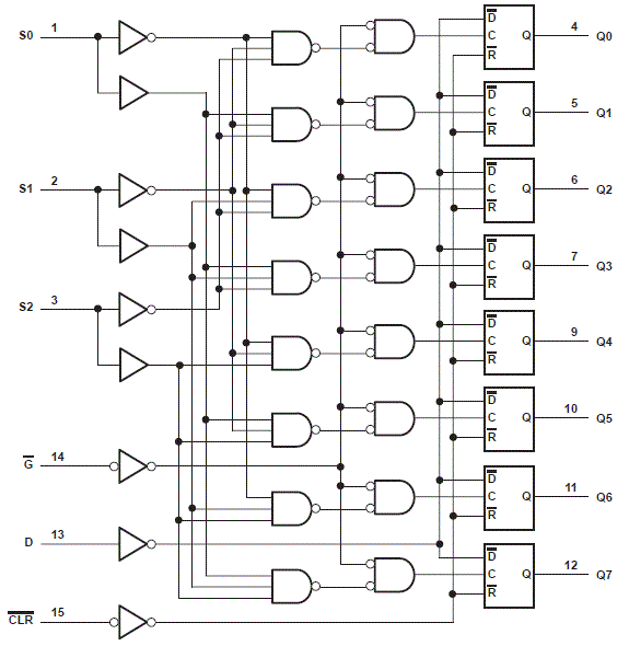
8-Bit Addressable Latches

Texas Instruments SN74HC259 Product Info

1 April 2026 3

Parameters

Function

Addressable latch

Number of channels

8

Technology family

HC

Supply voltage (min) (V)

2

Supply voltage (max) (V)

6

Input type

Standard CMOS

Output type

Push-Pull

Data rate (max) (Mbps)

56

IOL (max) (mA)

5.2

IOH (max) (mA)

-5.2

Features

Partial power down (Ioff), Standard speed (tpd > 50ns), Very high speed (tpd 5-10ns)

Operating temperature range (°C)

-40 to 125

Rating

Catalog

Package

PDIP (N)-16-181.42 mm² 19.3 x 9.4

Features

SN74HC259

Description

SN74HC259:8-Bit Addressable Latches.Package:PDIP (N)-16-181.42 mm² 19.3 x 9.4

Subscribe to Welllinkchips !
Your Name
* Email
Submit a request