0
SN74HC253
  • SN74HC253
  • SN74HC253
  • SN74HC253
  • SN74HC253
  • SN74HC253

SN74HC253

ACTIVE

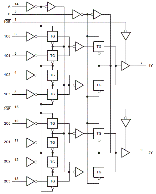
Dual 4-Line To 1-Line Data Selectors/Multiplexers With 3-State Outputs

Texas Instruments SN74HC253 Product Info

1 April 2026 2

Parameters

Technology family

HC

Function

Digital Multiplexer

Configuration

4:1

Number of channels

2

Operating temperature range (°C)

-40 to 85

Rating

Catalog

Package

PDIP (N)-16-181.42 mm² 19.3 x 9.4

Features

SN74HC253

Description

SN74HC253:Dual 4-Line To 1-Line Data Selectors/Multiplexers With 3-State Outputs.Package:PDIP (N)-16-181.42 mm² 19.3 x 9.4

Subscribe to Welllinkchips !
Your Name
* Email
Submit a request