0
SN74HC20
  • SN74HC20
  • SN74HC20
  • SN74HC20
  • SN74HC20
  • SN74HC20
  • SN74HC20
  • SN74HC20
  • SN74HC20

SN74HC20

ACTIVE

2-ch, 4-input, 2-V to 6-V 5.2 mA drive strength NAND gate

Texas Instruments SN74HC20 Product Info

1 April 2026 0

Parameters

Technology family

HC

Supply voltage (min) (V)

2

Supply voltage (max) (V)

6

Number of channels

2

Inputs per channel

4

IOL (max) (mA)

5.2

IOH (max) (mA)

-5.2

Input type

Standard CMOS

Output type

Push-Pull

Features

High speed (tpd 10- 50ns)

Data rate (max) (Mbps)

28

Rating

Catalog

Operating temperature range (°C)

-40 to 85

Package

PDIP (N)-14-181.42 mm² 19.3 x 9.4

Features

  • Buffered inputs
  • Wide operating voltage range: 2 V to 6 V
  • Wide operating temperature range: –40°C to +85°C
  • Supports fanout up to 10 LSTTL loads
  • Significant power reduction compared to LSTTL logic ICs
  • Buffered inputs
  • Wide operating voltage range: 2 V to 6 V
  • Wide operating temperature range: –40°C to +85°C
  • Supports fanout up to 10 LSTTL loads
  • Significant power reduction compared to LSTTL logic ICs

Description

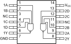
This device contains two independent 4-input NAND gates. Each gate performs the Boolean function Y =  A ● B ● C ● D in positive logic.

This device contains two independent 4-input NAND gates. Each gate performs the Boolean function Y =  A ● B ● C ● D in positive logic.

Subscribe to Welllinkchips !
Your Name
* Email
Submit a request