0
SN74CBTU4411
  • SN74CBTU4411
  • SN74CBTU4411

SN74CBTU4411

ACTIVE

2.5V, 4:1, 11-channel analog multiplexer suitable for DDR-II applications

Texas Instruments SN74CBTU4411 Product Info

1 April 2026 1

Parameters

Protocols

DDR2

Configuration

4:1

Number of channels

11

Bandwidth (MHz)

400

Supply voltage (max) (V)

1.9

Supply voltage (min) (V)

1.7

Ron (typ) (mΩ)

10000

Input/output voltage (min) (V)

0

Input/output voltage (max) (V)

1.9

Supply current (typ) (µA)

700

ESD HBM (typ) (kV)

2.5

Operating temperature range (°C)

0 to 85

ESD CDM (kV)

0.75

Input/output continuous current (max) (mA)

100

COFF (typ) (pF)

2.5

CON (typ) (pF)

4.6

OFF-state leakage current (max) (µA)

10

Propagation delay time (µs)

0.000297

Ron (max) (mΩ)

17000

RON flatness (typ) (Ω)

1.5

Turnoff time (disable) (max) (ns)

2.1

Turnon time (enable) (max) (ns)

2.1

VIH (min) (V)

1.1

VIL (max) (V)

0.66

Rating

Catalog

Package

NFBGA (ZST)-72-49 mm² 7 x 7

Features

  • Supports SSTL_18 signaling levels
  • Suitable for DDR-II applications
  • D-port outputs are precharged by bias voltage (VBIAS)
  • Internal termination for control inputs
  • High bandwidth (400 MHz minimum)
  • Low and flat ON-state resistance (ron) characteristics, (ron = 17 Ω maximum)
  • Internal 400-Ω pulldown resistors
  • Low differential and rising or falling edge skew
  • Latch-up performance exceeds 100 mA per JESD 78, Class II
  • Supports SSTL_18 signaling levels
  • Suitable for DDR-II applications
  • D-port outputs are precharged by bias voltage (VBIAS)
  • Internal termination for control inputs
  • High bandwidth (400 MHz minimum)
  • Low and flat ON-state resistance (ron) characteristics, (ron = 17 Ω maximum)
  • Internal 400-Ω pulldown resistors
  • Low differential and rising or falling edge skew
  • Latch-up performance exceeds 100 mA per JESD 78, Class II

Description

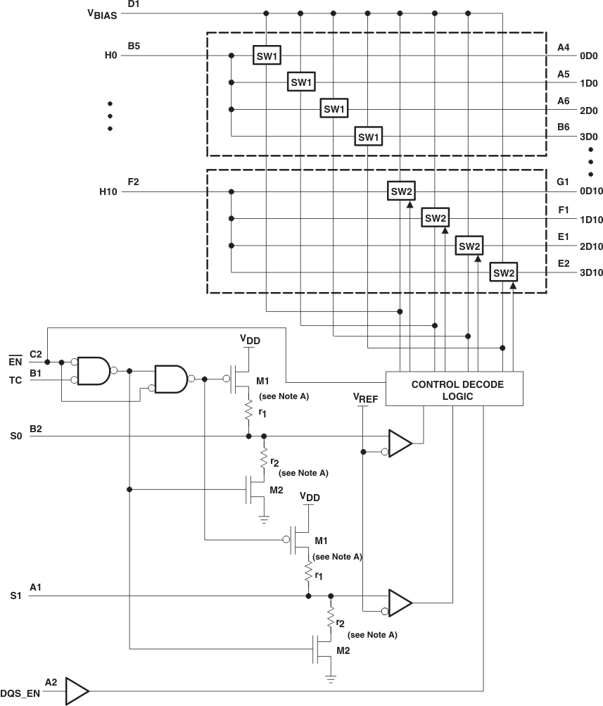
The SN74CBTU4411 device is a high-bandwidth, SSTL_18 compatible FET multiplexer/demultiplexer with low ON-state resistance (ron). The device uses an internal charge pump to elevate the gate voltage of the pass transistor, providing a low and flat ron. The low and flat ron allows for minimal propagation delay and supports rail-to-rail signaling on data input/output (I/O) ports. The device also features very low data I/O capacitance to minimize capacitive loading and signal distortion on the data bus. Matched ron and I/O capacitance among channels results in extremely low differential and rising or falling edge skew. This allows the device to show optimal performance in DDR-II applications.

The SN74CBTU4411 device is a high-bandwidth, SSTL_18 compatible FET multiplexer/demultiplexer with low ON-state resistance (ron). The device uses an internal charge pump to elevate the gate voltage of the pass transistor, providing a low and flat ron. The low and flat ron allows for minimal propagation delay and supports rail-to-rail signaling on data input/output (I/O) ports. The device also features very low data I/O capacitance to minimize capacitive loading and signal distortion on the data bus. Matched ron and I/O capacitance among channels results in extremely low differential and rising or falling edge skew. This allows the device to show optimal performance in DDR-II applications.

Subscribe to Welllinkchips !
Your Name
* Email
Submit a request