0
LV3842
  • LV3842
  • LV3842
  • LV3842

LV3842

ACTIVE

4-V to 36-V, 600-mA synchronous step-down converter

Texas Instruments LV3842 Product Info

1 April 2026 0

Parameters

Rating

Catalog

Topology

Buck

Iout (max) (A)

0.6

Vin (max) (V)

36

Vin (min) (V)

4

Vout (max) (V)

34.2

Vout (min) (V)

1

Features

Enable, Fixed soft start, Forced PWM, Light-load efficiency, Overcurrent protection, Pre-bias startup, Synchronous rectification, Tracking, UVLO adjustable

Control mode

current mode

Operating temperature range (°C)

-40 to 125

Iq (typ) (A)

0.00008

Duty cycle (max) (%)

98

Package

SOT-23 (DBV)-6-8.12 mm² 2.9 x 2.8

Features

  • New product available:
  • For faster time to market:
  • Configured for rugged industrial applications
    • 4-V to 36-V input voltage range supporting 40-V absolute maximum rating
    • 600-mA continuous output current
    • 70-ns minimum switching-on time
    • 98% maximum duty cycle
    • PFM and Forced PWM (FPWM) options
    • 1.1-MHz switching frequency
    • Support start-up with pre-biased output
    • Short-circuit protection with hiccup mode
    • ±0.5% tolerance voltage reference at 25°C junction temperature
    • Precision enable
    • Overtemperature protection
  • Small solution size and ease of use
    • Integrated synchronous rectification
    • Internal compensation for ease of use
    • SOT-23-6 package
  • New product available:
  • For faster time to market:
  • Configured for rugged industrial applications
    • 4-V to 36-V input voltage range supporting 40-V absolute maximum rating
    • 600-mA continuous output current
    • 70-ns minimum switching-on time
    • 98% maximum duty cycle
    • PFM and Forced PWM (FPWM) options
    • 1.1-MHz switching frequency
    • Support start-up with pre-biased output
    • Short-circuit protection with hiccup mode
    • ±0.5% tolerance voltage reference at 25°C junction temperature
    • Precision enable
    • Overtemperature protection
  • Small solution size and ease of use
    • Integrated synchronous rectification
    • Internal compensation for ease of use
    • SOT-23-6 package

Description

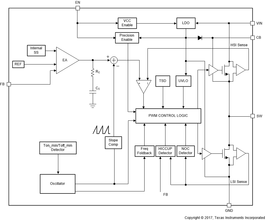
The LV3842 is an easy to use synchronous step-down DC-DC converter capable of driving up to 600-mA load current. With a wide input range of 4 V to 36 V, the device is designed for a wide range of industrial applications for power conditioning from an unregulated source.

The LV3842 employs 1.1-MHz switching frequency for small solution size. The LV3842 also has FPWM (forced PWM) version to achieve constant frequency and small output voltage ripple over the full load range. Soft-start and compensation circuits are employed internally which allows the device to be used with minimum external components.

The device has built-in protection features, such as cycle-by-cycle current limit, hiccup mode short-circuit protection, and thermal shutdown in case of excessive power dissipation. The LV3842 is available in SOT-23-6 package.

The LV3842 is an easy to use synchronous step-down DC-DC converter capable of driving up to 600-mA load current. With a wide input range of 4 V to 36 V, the device is designed for a wide range of industrial applications for power conditioning from an unregulated source.

The LV3842 employs 1.1-MHz switching frequency for small solution size. The LV3842 also has FPWM (forced PWM) version to achieve constant frequency and small output voltage ripple over the full load range. Soft-start and compensation circuits are employed internally which allows the device to be used with minimum external components.

The device has built-in protection features, such as cycle-by-cycle current limit, hiccup mode short-circuit protection, and thermal shutdown in case of excessive power dissipation. The LV3842 is available in SOT-23-6 package.

Subscribe to Welllinkchips !
Your Name
* Email
Submit a request