0
SN74AHCT74
  • SN74AHCT74
  • SN74AHCT74
  • SN74AHCT74
  • SN74AHCT74
  • SN74AHCT74
  • SN74AHCT74
  • SN74AHCT74
  • SN74AHCT74
  • SN74AHCT74
  • SN74AHCT74

SN74AHCT74

ACTIVE

Dual Positive-Edge-Triggered D-Type Flip-Flops With Clear and Preset

Texas Instruments SN74AHCT74 Product Info

1 April 2026 1

Parameters

Number of channels

2

Technology family

AHCT

Supply voltage (min) (V)

4.5

Supply voltage (max) (V)

5.5

Input type

TTL-Compatible CMOS

Output type

Push-Pull

Clock frequency (max) (MHz)

70

IOL (max) (mA)

8

IOH (max) (mA)

-8

Supply current (max) (µA)

20

Features

Balanced outputs, Very high speed (tpd 5-10ns)

Operating temperature range (°C)

-40 to 125

Rating

Catalog

Package

PDIP (N)-14-181.42 mm² 19.3 x 9.4

Features

  • Operating range of 4.5 V to 5.5 V
  • Low power consumption, 10-µA maximum I CC
  • ±8-mA output drive at 5 V
  • Inputs are TTL-voltage compatible
  • Latch-up performance exceeds 250 mA per JESD 17
  • Operating range of 4.5 V to 5.5 V
  • Low power consumption, 10-µA maximum I CC
  • ±8-mA output drive at 5 V
  • Inputs are TTL-voltage compatible
  • Latch-up performance exceeds 250 mA per JESD 17

Description

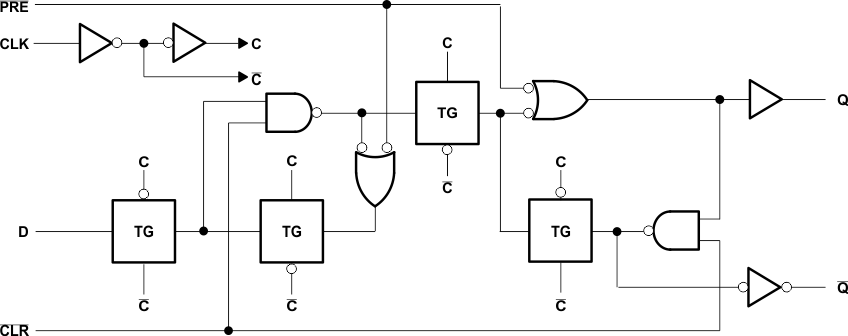
The ’AHCT74 dual positive-edge-triggered devices are D-type flip-flops.

A low level at the preset ( PRE) or clear ( CLR) inputs sets or resets the outputs, regardless of the levels of the other inputs. When PRE and CLR are inactive (high), data at the data (D) input meeting the setup time requirements is transferred to the outputs on the positive-going edge of the clock pulse. Clock triggering occurs at a voltage level and is not directly related to the rise time of the clock pulse. Following the hold-time interval, data at the D input can be changed without affecting the levels at the outputs.

The ’AHCT74 dual positive-edge-triggered devices are D-type flip-flops.

A low level at the preset ( PRE) or clear ( CLR) inputs sets or resets the outputs, regardless of the levels of the other inputs. When PRE and CLR are inactive (high), data at the data (D) input meeting the setup time requirements is transferred to the outputs on the positive-going edge of the clock pulse. Clock triggering occurs at a voltage level and is not directly related to the rise time of the clock pulse. Following the hold-time interval, data at the D input can be changed without affecting the levels at the outputs.

Subscribe to Welllinkchips !
Your Name
* Email
Submit a request