0
SN74AHCT165
  • SN74AHCT165
  • SN74AHCT165
  • SN74AHCT165
  • SN74AHCT165

SN74AHCT165

ACTIVE

2-V to 5.5-V, 8-bit parallel-load shift registers with TTL inputs

Texas Instruments SN74AHCT165 Product Info

1 April 2026 1

Parameters

Configuration

Parallel-in

Bits (#)

8

Technology family

AHCT

Supply voltage (min) (V)

4.5

Supply voltage (max) (V)

5.5

Input type

TTL-Compatible CMOS

Output type

3-State

IOL (max) (mA)

8

IOH (max) (mA)

-8

Supply current (max) (µA)

40

Features

Balanced outputs, Over-voltage tolerant inputs, Very high speed (tpd 5-10ns)

Operating temperature range (°C)

-40 to 125

Rating

Automotive

Package

TSSOP (PW)-16-32 mm² 5 x 6.4

Features

  • Operating range 4.5-V to 5.5-V V CC
  • TTL-Compatible inputs
  • Low delay, 7 ns (25 °C, 5 V)
  • Latch-up performance exceeds 250 mA per JESD 17
  • Operating range 4.5-V to 5.5-V V CC
  • TTL-Compatible inputs
  • Low delay, 7 ns (25 °C, 5 V)
  • Latch-up performance exceeds 250 mA per JESD 17

Description

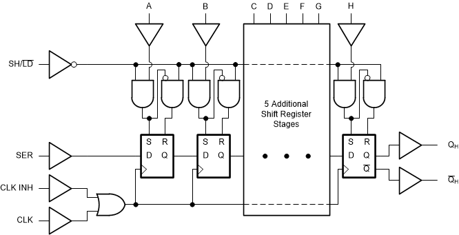
The SN74AHCT165 device contains an 8-bit serial-in, parallel-out shift register that feeds an 8-bit D-type storage register. The storage register has parallel 3-state outputs. Separate clocks are provided for both the shift and storage registers. The shift register has a direct overriding clear ( SRCLR) input, a serial (SER) input, and a serial output for cascading. When the output-enable ( OE) input is high, all outputs except QH′ are in the high-impedance state.

The SN74AHCT165 device contains an 8-bit serial-in, parallel-out shift register that feeds an 8-bit D-type storage register. The storage register has parallel 3-state outputs. Separate clocks are provided for both the shift and storage registers. The shift register has a direct overriding clear ( SRCLR) input, a serial (SER) input, and a serial output for cascading. When the output-enable ( OE) input is high, all outputs except QH′ are in the high-impedance state.

Subscribe to Welllinkchips !
Your Name
* Email
Submit a request