0
SN74AHC238
  • SN74AHC238
  • SN74AHC238
  • SN74AHC238

SN74AHC238

ACTIVE

3-line to 8-line inverting and noninverting decoder and demultiplexer with high-speed CMOS logic

Texas Instruments SN74AHC238 Product Info

1 April 2026 0

Parameters

Technology family

AHC

Number of channels

1

Operating temperature range (°C)

-40 to 125

Rating

Catalog

Supply current (max) (µA)

40

Package

TSSOP (PW)-16-32 mm² 5 x 6.4

Features

  • Operating range 2V to 5.5V VCC
  • Low delay, 10.5ns maximum (VCC = 5V, CL = 50pF)
  • Latch-up performance exceeds 250mAper JESD 17
  • Operating range 2V to 5.5V VCC
  • Low delay, 10.5ns maximum (VCC = 5V, CL = 50pF)
  • Latch-up performance exceeds 250mAper JESD 17

Description

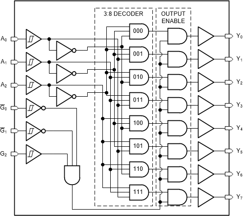
The SN74AHC238 is a three to eight decoder with one standard output strobe (G2) and two active low output strobes (G1 and G0). When the outputs are gated by any of the strobe inputs, they are all forced into the low state. When the outputs are not disabled by the strobe inputs, only the selected output is high while all others are low.

The SN74AHC238 is a three to eight decoder with one standard output strobe (G2) and two active low output strobes (G1 and G0). When the outputs are gated by any of the strobe inputs, they are all forced into the low state. When the outputs are not disabled by the strobe inputs, only the selected output is high while all others are low.

Subscribe to Welllinkchips !
Your Name
* Email
Submit a request