0
SN74AC151-Q1
  • SN74AC151-Q1
  • SN74AC151-Q1
  • SN74AC151-Q1
  • SN74AC151-Q1

SN74AC151-Q1

ACTIVE

Automotive 1.5V to 6V 8-line to 1-line data selectors/multiplexers

Texas Instruments SN74AC151-Q1 Product Info

1 April 2026 0

Parameters

Operating temperature range (°C)

to

Rating

Automotive

Package

TSSOP (PW)-16-32 mm² 5 x 6.4

Features

  • AEC-Q100 qualified for automotive applications:
    • Device temperature grade 1: -40°C to +125°C
    • Device HBM ESD classification level 2
    • Device CDM ESD classification level C4B
  • Available in wettable flank QFN package
  • Wide operating range of 1.5V to 6V
  • Inputs accept voltages up to 6V
  • Continuous ±24mA output drive at 5V
  • Supports up to ±75mA output drive at 5Vin short bursts
  • Drives 50Ω transmission lines
  • Maximum tpd of 8.6ns at 5V, 50pF load
  • AEC-Q100 qualified for automotive applications:
    • Device temperature grade 1: -40°C to +125°C
    • Device HBM ESD classification level 2
    • Device CDM ESD classification level C4B
  • Available in wettable flank QFN package
  • Wide operating range of 1.5V to 6V
  • Inputs accept voltages up to 6V
  • Continuous ±24mA output drive at 5V
  • Supports up to ±75mA output drive at 5Vin short bursts
  • Drives 50Ω transmission lines
  • Maximum tpd of 8.6ns at 5V, 50pF load

Description

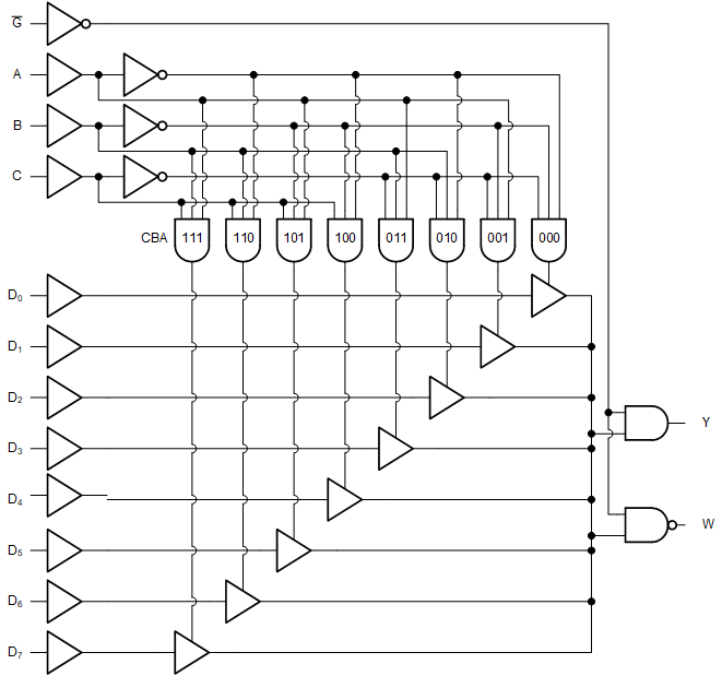
The SN74AC151-Q1 contains one 8 to 1 data selector/multiplexer with strobe (G) input, standard output (Y), and inverted output (W).

The SN74AC151-Q1 contains one 8 to 1 data selector/multiplexer with strobe (G) input, standard output (Y), and inverted output (W).

Subscribe to Welllinkchips !
Your Name
* Email
Submit a request