0
OPA1604
  • OPA1604
  • OPA1604
  • OPA1604
  • OPA1604

OPA1604

ACTIVE

Quad, SoundPlus High-Performance, Bipolar-Input Audio Op Amp

Texas Instruments OPA1604 Product Info

1 April 2026 1

Parameters

Number of channels

4

Total supply voltage (+5 V = 5, ±5 V = 10) (min) (V)

5

Total supply voltage (+5 V = 5, ±5 V = 10) (max) (V)

36

GBW (typ) (MHz)

35

Slew rate (typ) (V/µs)

20

Rail-to-rail

Out

Vos (offset voltage at 25°C) (max) (mV)

1

Iq per channel (typ) (mA)

2.6

Vn at 1 kHz (typ) (nV√Hz)

2.5

Features

Burr-Brown™ Audio, Premium Sound

THD + N at 1 kHz (typ) (%)

0.00003

Rating

Catalog

Operating temperature range (°C)

-40 to 85

Iout (typ) (A)

0.06

Product type

Premier

Architecture

Bipolar

CMRR (typ) (dB)

120

Input bias current (max) (pA)

200000

Package

SOIC (D)-14-51.9 mm² 8.65 x 6

Features

  • SUPERIOR SOUND QUALITY
  • ULTRALOW NOISE: 2.5nV/√Hz at 1kHz
  • ULTRALOW DISTORTION: 0.00003% at 1kHz
  • HIGH SLEW RATE: 20V/µs
  • WIDE BANDWIDTH: 35MHz (G = +1)
  • HIGH OPEN-LOOP GAIN: 120dB
  • UNITY GAIN STABLE
  • LOW QUIESCENT CURRENT:
    2.6mA PER CHANNEL
  • RAIL-TO-RAIL OUTPUT
  • WIDE SUPPLY RANGE: ±2.25V to ±18V
  • DUAL AND QUAD VERSIONS AVAILABLE
  • SUPERIOR SOUND QUALITY
  • ULTRALOW NOISE: 2.5nV/√Hz at 1kHz
  • ULTRALOW DISTORTION: 0.00003% at 1kHz
  • HIGH SLEW RATE: 20V/µs
  • WIDE BANDWIDTH: 35MHz (G = +1)
  • HIGH OPEN-LOOP GAIN: 120dB
  • UNITY GAIN STABLE
  • LOW QUIESCENT CURRENT:
    2.6mA PER CHANNEL
  • RAIL-TO-RAIL OUTPUT
  • WIDE SUPPLY RANGE: ±2.25V to ±18V
  • DUAL AND QUAD VERSIONS AVAILABLE

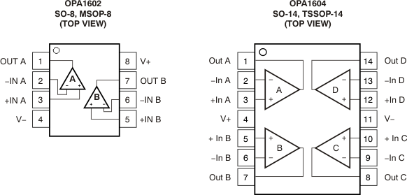
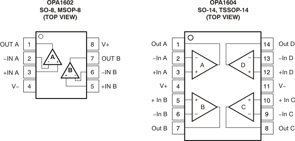
Description

The OPA1602 and OPA1604 bipolar-input operational amplifiers achieve very low 2.5nV/√Hz noise density with an ultralow distortion of 0.00003% at 1kHz. The OPA1602 and OPA1604 series of op amps offer rail-to-rail output swing to within 600mV with 2kΩ load, which increases headroom and maximizes dynamic range. These devices also have a high output drive capability of ±30mA.

These devices operate over a very wide supply range of ±2.25V to ±18V, on only 2.6mA of supply current per channel. The OPA1602 and OPA1604 are unity-gain stable and provide excellent dynamic behavior over a wide range of load conditions.

These devices also feature completely independent circuitry for lowest crosstalk and freedom from interactions between channels, even when overdriven or overloaded.

The OPA1602 and OPA1604 are specified from –40°C to +85°C.

The OPA1602 and OPA1604 bipolar-input operational amplifiers achieve very low 2.5nV/√Hz noise density with an ultralow distortion of 0.00003% at 1kHz. The OPA1602 and OPA1604 series of op amps offer rail-to-rail output swing to within 600mV with 2kΩ load, which increases headroom and maximizes dynamic range. These devices also have a high output drive capability of ±30mA.

These devices operate over a very wide supply range of ±2.25V to ±18V, on only 2.6mA of supply current per channel. The OPA1602 and OPA1604 are unity-gain stable and provide excellent dynamic behavior over a wide range of load conditions.

These devices also feature completely independent circuitry for lowest crosstalk and freedom from interactions between channels, even when overdriven or overloaded.

The OPA1602 and OPA1604 are specified from –40°C to +85°C.

Subscribe to Welllinkchips !
Your Name
* Email
Submit a request