0
SN65LBC176
  • SN65LBC176
  • SN65LBC176
  • SN65LBC176
  • SN65LBC176

SN65LBC176

ACTIVE

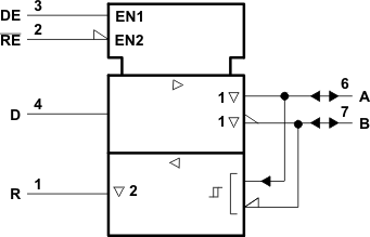
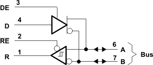
Differential Bus Transceiver

Texas Instruments SN65LBC176 Product Info

1 April 2026 1

Parameters

Number of receivers

1

Number of transmitters

1

Duplex

Half

Supply voltage (nom) (V)

5

Signaling rate (max) (Mbps)

10

Fault protection (V)

-10 to 15

Common-mode range (V)

-7 to 12

Number of nodes

32

Isolated

No

Supply current (max) (µA)

1500

Rating

Automotive, Catalog

Operating temperature range (°C)

-40 to 125

Package

PDIP (P)-8-92.5083 mm² 9.81 x 9.43

Features

  • Bidirectional Transceiver
  • Meets or Exceeds the Requirements of ANSI Standard TIA/EIA−485−A and ISO 8482:1987(E)
  • High-Speed Low-Power LinBiCMOS™ Circuitry
  • Designed for High-Speed Operation in Both Serial and Parallel Applications
  • Low Skew
  • Designed for Multipoint Transmission on Long Bus Lines in Noisy Environments
  • Very Low Disabled Supply Current . . . 200 µA Maximum
  • Wide Positive and Negative Input/Output Bus Voltage Ranges
  • Thermal-Shutdown Protection
  • Driver Positive-and Negative-Current Limiting
  • Open-Circuit Failsafe Receiver Design
  • Receiver Input Sensitivity . . . ±200 mV Max
  • Receiver Input Hysteresis . . . 50 mV Typ
  • Operates From a Single 5-V Supply
  • Glitch-Free Power-Up and Power-Down Protection
  • Available in Q-Temp Automotive HighRel Automotive Applications Configuration Control / Print Support Qualification to Automotive Standards
  • Bidirectional Transceiver
  • Meets or Exceeds the Requirements of ANSI Standard TIA/EIA−485−A and ISO 8482:1987(E)
  • High-Speed Low-Power LinBiCMOS™ Circuitry
  • Designed for High-Speed Operation in Both Serial and Parallel Applications
  • Low Skew
  • Designed for Multipoint Transmission on Long Bus Lines in Noisy Environments
  • Very Low Disabled Supply Current . . . 200 µA Maximum
  • Wide Positive and Negative Input/Output Bus Voltage Ranges
  • Thermal-Shutdown Protection
  • Driver Positive-and Negative-Current Limiting
  • Open-Circuit Failsafe Receiver Design
  • Receiver Input Sensitivity . . . ±200 mV Max
  • Receiver Input Hysteresis . . . 50 mV Typ
  • Operates From a Single 5-V Supply
  • Glitch-Free Power-Up and Power-Down Protection
  • Available in Q-Temp Automotive HighRel Automotive Applications Configuration Control / Print Support Qualification to Automotive Standards

Description

These transceivers are suitable for ANSI Standard TIA/EIA−485 (RS-485) and ISO 8482 applications to the extent that they are specified in the operating conditions and characteristics section of this data sheet. Certain limits contained in TIA/EIA−485−A and ISO 8482:1987 (E) are not met or cannot be tested over the entire military temperature range.

The SN55LBC176 is characterized for operation from –55°C to 125°C. The SN65LBC176 is characterized for operation from –40°C to 85°C, and the SN65LBC176Q is characterized for operation from –40°C to 125°C. The SN75LBC176 is characterized for operation from 0°C to 70°C.

These transceivers are suitable for ANSI Standard TIA/EIA−485 (RS-485) and ISO 8482 applications to the extent that they are specified in the operating conditions and characteristics section of this data sheet. Certain limits contained in TIA/EIA−485−A and ISO 8482:1987 (E) are not met or cannot be tested over the entire military temperature range.

The SN55LBC176 is characterized for operation from –55°C to 125°C. The SN65LBC176 is characterized for operation from –40°C to 85°C, and the SN65LBC176Q is characterized for operation from –40°C to 125°C. The SN75LBC176 is characterized for operation from 0°C to 70°C.

Subscribe to Welllinkchips !
Your Name
* Email
Submit a request