0
UCC14340-Q1
  • UCC14340-Q1
  • UCC14340-Q1
  • UCC14340-Q1

UCC14340-Q1

ACTIVE

Automotive, 1.5-W, 15-Vin, 25-Vout high-density > 3-kVRMS isolated DC-DC module

Texas Instruments UCC14340-Q1 Product Info

1 April 2026 1

Parameters

Rating

Automotive

Topology

Full-bridge

Vin (max) (V)

18

Vin (min) (V)

13.5

Vout (max) (V)

25

Vout (min) (V)

15

Features

1.5W, Basic isolation, Dual output, Enable, Power good, Regulated, Soft start, UVLO adjustable

Device type

Isolated modules

Regulated outputs (#)

2

Isolation rating

Basic

Output power (W)

1.5

Operating temperature range (°C)

-40 to 125

Control mode

Internally Regulated with Dual Adjustable Outputs

Package

SO-MOD (DWN)-36-131.84 mm² 12.8 x 10.3

Features

  • High-density isolated DC/DC module with integrated transformer
  • Isolated DC/DC for driving: IGBTs, SiC FETs
  • Input voltage range: 13.5 V to 16.5 V with 32-V absolute maximum
  • 1.5-W output power for 13.5 V < V VIN < 16.5 V, at T A ≤ 105°C
  • Adjustable single or dual output voltages (using resistors) with < ±1.3% regulation accuracy over full operating range
  • Low electromagnetic emission with spread spectrum modulation and integrated transformer
  • Enable, Power Good, UVLO, OVLO, soft-start, short-circuit, power-limit, under-voltage, overvoltage, and over-temperature protection
  • CMTI > 150 kV/µs
  • AEC-Q100 qualified for automotive applications
    • Temperature grade 1: –40°C ≤ T J ≤ 150°C
    • Temperature grade 1:–40 °C ≤ T A ≤ 125°C
  • Functional Safety Capable
  • Planned safety-related certifications:
    • 5657-VPK basic isolation per DIN EN IEC 60747-17 (VDE 0884-17)
    • 3000-VRMS isolation for 1 minute per UL 1577
    • Basic insulation per CQC GB4943.1
  • 36-pin, wide SSOP package
  • High-density isolated DC/DC module with integrated transformer
  • Isolated DC/DC for driving: IGBTs, SiC FETs
  • Input voltage range: 13.5 V to 16.5 V with 32-V absolute maximum
  • 1.5-W output power for 13.5 V < V VIN < 16.5 V, at T A ≤ 105°C
  • Adjustable single or dual output voltages (using resistors) with < ±1.3% regulation accuracy over full operating range
  • Low electromagnetic emission with spread spectrum modulation and integrated transformer
  • Enable, Power Good, UVLO, OVLO, soft-start, short-circuit, power-limit, under-voltage, overvoltage, and over-temperature protection
  • CMTI > 150 kV/µs
  • AEC-Q100 qualified for automotive applications
    • Temperature grade 1: –40°C ≤ T J ≤ 150°C
    • Temperature grade 1:–40 °C ≤ T A ≤ 125°C
  • Functional Safety Capable
  • Planned safety-related certifications:
    • 5657-VPK basic isolation per DIN EN IEC 60747-17 (VDE 0884-17)
    • 3000-VRMS isolation for 1 minute per UL 1577
    • Basic insulation per CQC GB4943.1
  • 36-pin, wide SSOP package

Description

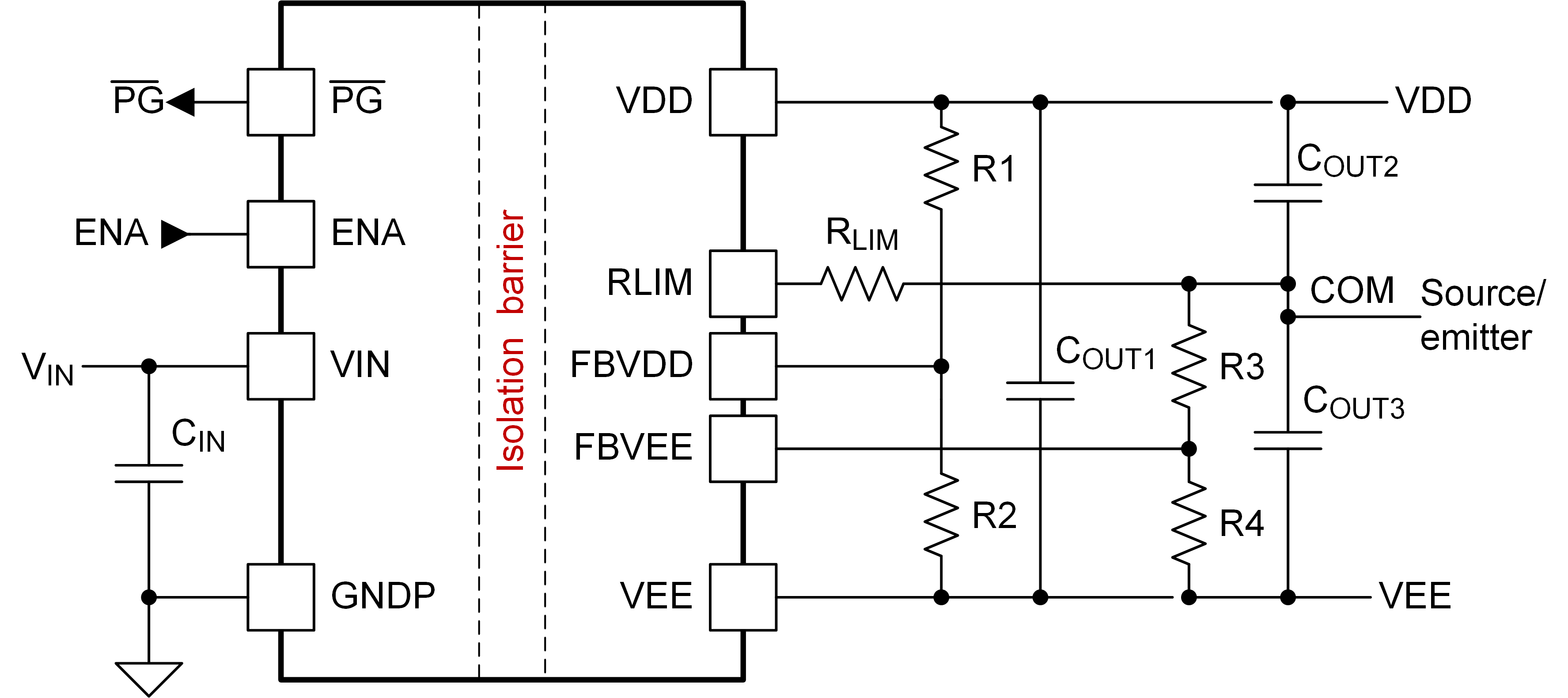
UCC14340-Q1 is a high isolation voltage DC/DC module designed to provide power to IGBT or SiC gate drivers. The module integrates a transformer and DC/DC controller with a proprietary architecture to achieve high efficiency with very low emissions. The high-accuracy output voltages provide higher system efficiency without over-stressing the power device gate.

The fully integrated module with on-chip device protection requires a minimum of external components, and provides extra features such as input under-voltage lockout, over-voltage lockout, output voltage powergood comparators, over-temperature shutdown, soft-start timing, adjustable isolated positive and negative output voltage, an enable pin, and an open-drain output powergood pin.

UCC14340-Q1 is a high isolation voltage DC/DC module designed to provide power to IGBT or SiC gate drivers. The module integrates a transformer and DC/DC controller with a proprietary architecture to achieve high efficiency with very low emissions. The high-accuracy output voltages provide higher system efficiency without over-stressing the power device gate.

The fully integrated module with on-chip device protection requires a minimum of external components, and provides extra features such as input under-voltage lockout, over-voltage lockout, output voltage powergood comparators, over-temperature shutdown, soft-start timing, adjustable isolated positive and negative output voltage, an enable pin, and an open-drain output powergood pin.

Subscribe to Welllinkchips !
Your Name
* Email
Submit a request