0
SN65HVD485E
  • SN65HVD485E
  • SN65HVD485E
  • SN65HVD485E
  • SN65HVD485E
  • SN65HVD485E

SN65HVD485E

ACTIVE

Half-Duplex RS-485 Transceiver

Texas Instruments SN65HVD485E Product Info

1 April 2026 0

Parameters

Number of receivers

1

Number of transmitters

1

Duplex

Half

Supply voltage (nom) (V)

5

Signaling rate (max) (Mbps)

10

Fault protection (V)

-9 to 14

Common-mode range (V)

-7 to 12

Number of nodes

64

Isolated

No

Supply current (max) (µA)

2000

Rating

Catalog

Operating temperature range (°C)

-40 to 85

Package

PDIP (P)-8-92.5083 mm² 9.81 x 9.43

Features

  • Bus-pin ESD protection up to 15 kV
  • 1/2 Unit load: up to 64 nodes on a bus
  • Bus-open-failsafe receiver
  • Glitch-free power-up and power-down bus inputs and outputs
  • Available in small VSSOP-8 package
  • Meets or exceeds the requirements of the TIA/EIA-485A standard
  • Industry-standard SN75176 footprint
  • Bus-pin ESD protection up to 15 kV
  • 1/2 Unit load: up to 64 nodes on a bus
  • Bus-open-failsafe receiver
  • Glitch-free power-up and power-down bus inputs and outputs
  • Available in small VSSOP-8 package
  • Meets or exceeds the requirements of the TIA/EIA-485A standard
  • Industry-standard SN75176 footprint

Description

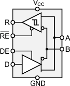
The SN65HVD485E device is a half-duplex transceiver designed for RS-485 data bus networks. Powered by a 5-V supply, it is fully compliant with the TIA/EIA-485A standard. This device is suitable for data transmission up to 10 Mbps over long twisted-pair cables and is designed to operate with very low supply current, typically less than 2 mA, exclusive of the load. When the device is in the inactive shutdown mode, the supply current drops below 1 mA.

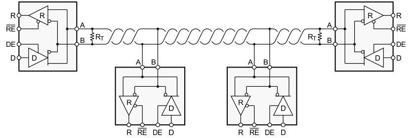
The wide common-mode range and high ESD protection levels of this device make it suitable for demanding applications such as: electrical inverters, status/command signals across telecom racks, cabled chassis interconnects, and industrial automation networks where noise tolerance is essential. The SN65HVD485E device matches the industry-standard footprint of the SN75176 device. Power-on reset circuits keep the outputs in a high-impedance state until the supply voltage has stabilized. A thermal-shutdown function protects the device from damage due to system-fault conditions. The SN65HVD485E device is characterized for operation from –40°C to 85°C air temperature.

The SN65HVD485E device is a half-duplex transceiver designed for RS-485 data bus networks. Powered by a 5-V supply, it is fully compliant with the TIA/EIA-485A standard. This device is suitable for data transmission up to 10 Mbps over long twisted-pair cables and is designed to operate with very low supply current, typically less than 2 mA, exclusive of the load. When the device is in the inactive shutdown mode, the supply current drops below 1 mA.

The wide common-mode range and high ESD protection levels of this device make it suitable for demanding applications such as: electrical inverters, status/command signals across telecom racks, cabled chassis interconnects, and industrial automation networks where noise tolerance is essential. The SN65HVD485E device matches the industry-standard footprint of the SN75176 device. Power-on reset circuits keep the outputs in a high-impedance state until the supply voltage has stabilized. A thermal-shutdown function protects the device from damage due to system-fault conditions. The SN65HVD485E device is characterized for operation from –40°C to 85°C air temperature.

Subscribe to Welllinkchips !
Your Name
* Email
Submit a request