0
SN65HVD3088E
  • SN65HVD3088E
  • SN65HVD3088E
  • SN65HVD3088E
  • SN65HVD3088E
  • SN65HVD3088E

SN65HVD3088E

ACTIVE

Low-power half-duplex RS-485 transceiver

Texas Instruments SN65HVD3088E Product Info

1 April 2026 1

Parameters

Number of receivers

1

Number of transmitters

1

Duplex

Half

Supply voltage (nom) (V)

5

Signaling rate (max) (Mbps)

20

Fault protection (V)

-9 to 14

Common-mode range (V)

-7 to 12

Number of nodes

256

Isolated

No

Supply current (max) (µA)

900

Rating

Catalog

Operating temperature range (°C)

-40 to 85

Package

SOIC (D)-8-29.4 mm² 4.9 x 6

Features

  • Meets or exceeds the requirements of the TIA/EIA-485A standard
  • Low quiescent power
    • 0.3-mA Active mode
    • 1-nA Shutdown mode
  • 1/8 Unit load up to 256 nodes on a bus
  • Bus-pin ESD protection up to 15 kV
  • Industry-standard SN75176 footprint
  • Fail-safe receiver (bus open, bus shorted, bus idle)
  • Glitch-free power-up and power-down bus inputs and outputs
  • Meets or exceeds the requirements of the TIA/EIA-485A standard
  • Low quiescent power
    • 0.3-mA Active mode
    • 1-nA Shutdown mode
  • 1/8 Unit load up to 256 nodes on a bus
  • Bus-pin ESD protection up to 15 kV
  • Industry-standard SN75176 footprint
  • Fail-safe receiver (bus open, bus shorted, bus idle)
  • Glitch-free power-up and power-down bus inputs and outputs

Description

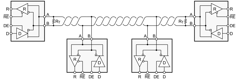
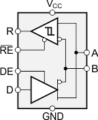
The SNx5HVD308xE are half-duplex transceivers designed for RS-485 data bus networks. Powered by a 5-V supply, they are fully compliant with TIA/EIA-485A standard. With controlled transition times, these devices are suitable for transmitting data over long twisted-pair cables. The SN65HVD3082E and SN75HVD3082E are optimized for signaling rates up to 200 kbps. The SN65HVD3085E is suitable for data transmission up to 1 Mbps, whereas the SN65HVD3088E is suitable for applications that require signaling rates up to 20 Mbps.

These devices are designed to operate with very low supply current, typically 0.3 mA, exclusive of the load. When in the inactive-shutdown mode, the supply current drops to a few nanoamps, which makes these devices ideal for power-sensitive applications.

The wide common-mode range and high ESD protection levels of these devices, make them suitable for demanding applications such as energy meter networks, electrical inverters, status and command signals across telecom racks, as well as cabled chassis interconnects, and industrial automation networks where noise tolerance is essential. These devices match the industry-standard footprint of the SN75176 device. The power-on-reset circuits keep the outputs in a high-impedance state until the supply voltage has stabilized. A thermal-shutdown function protects the device from damage, due to system fault conditions. The SN75HVD3082E is characterized for operation from 0°C to 70°C and SN65HVD308xE is characterized for operation from –40°C to 85°C air temperature. The D package version of the SN65HVD3082E has been characterized for operation from –40°C to 105°C.

The SNx5HVD308xE are half-duplex transceivers designed for RS-485 data bus networks. Powered by a 5-V supply, they are fully compliant with TIA/EIA-485A standard. With controlled transition times, these devices are suitable for transmitting data over long twisted-pair cables. The SN65HVD3082E and SN75HVD3082E are optimized for signaling rates up to 200 kbps. The SN65HVD3085E is suitable for data transmission up to 1 Mbps, whereas the SN65HVD3088E is suitable for applications that require signaling rates up to 20 Mbps.

These devices are designed to operate with very low supply current, typically 0.3 mA, exclusive of the load. When in the inactive-shutdown mode, the supply current drops to a few nanoamps, which makes these devices ideal for power-sensitive applications.

The wide common-mode range and high ESD protection levels of these devices, make them suitable for demanding applications such as energy meter networks, electrical inverters, status and command signals across telecom racks, as well as cabled chassis interconnects, and industrial automation networks where noise tolerance is essential. These devices match the industry-standard footprint of the SN75176 device. The power-on-reset circuits keep the outputs in a high-impedance state until the supply voltage has stabilized. A thermal-shutdown function protects the device from damage, due to system fault conditions. The SN75HVD3082E is characterized for operation from 0°C to 70°C and SN65HVD308xE is characterized for operation from –40°C to 85°C air temperature. The D package version of the SN65HVD3082E has been characterized for operation from –40°C to 105°C.

Subscribe to Welllinkchips !
Your Name
* Email
Submit a request