0
SN65HVD1787
  • SN65HVD1787
  • SN65HVD1787
  • SN65HVD1787
  • SN65HVD1787
  • SN65HVD1787
  • SN65HVD1787
  • SN65HVD1787

SN65HVD1787

ACTIVE

30-V Fault-Protected RS-485 with -20 to +25 common mode

Texas Instruments SN65HVD1787 Product Info

1 April 2026 1

Parameters

Number of receivers

1

Number of transmitters

1

Duplex

Half

Supply voltage (nom) (V)

5

Signaling rate (max) (Mbps)

10

Fault protection (V)

-30 to 30

Common-mode range (V)

-20 to 25

Number of nodes

64

Features

Extended common mode

Isolated

No

Supply current (max) (µA)

6000

Rating

Catalog

Operating temperature range (°C)

-40 to 105

Package

SOIC (D)-8-29.4 mm² 4.9 x 6

Features

  • Bus-Pin Fault Protection to:
    • > ±70 V (’HVD1785, 86, 91, 92)
    • > ±30 V (’HVD1787, 93)
  • Common-Mode Voltage Range (–20 V to 25 V) More Than Doubles TIA/EIA 485 Requirement
  • Bus I/O Protection
    • ±16 kV JEDEC HBM Protection
  • Reduced Unit Load for Up to 256 Nodes
  • Failsafe Receiver for Open-Circuit, Short-Circuit and Idle-Bus Conditions
  • Low Power Consumption
    • Low Standby Supply Current, 1 µA Typical
    • ICC 5 mA Quiescent During Operation
  • Power-Up, Power-Down Glitch-Free Operation
  • Bus-Pin Fault Protection to:
    • > ±70 V (’HVD1785, 86, 91, 92)
    • > ±30 V (’HVD1787, 93)
  • Common-Mode Voltage Range (–20 V to 25 V) More Than Doubles TIA/EIA 485 Requirement
  • Bus I/O Protection
    • ±16 kV JEDEC HBM Protection
  • Reduced Unit Load for Up to 256 Nodes
  • Failsafe Receiver for Open-Circuit, Short-Circuit and Idle-Bus Conditions
  • Low Power Consumption
    • Low Standby Supply Current, 1 µA Typical
    • ICC 5 mA Quiescent During Operation
  • Power-Up, Power-Down Glitch-Free Operation

Description

These devices are designed to survive overvoltage faults such as direct shorts to power supplies, mis-wiring faults, connector failures, cable crushes, and tool mis-applications. They are also robust to ESD events, with high levels of protection to human-body model specifications.

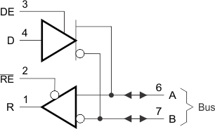
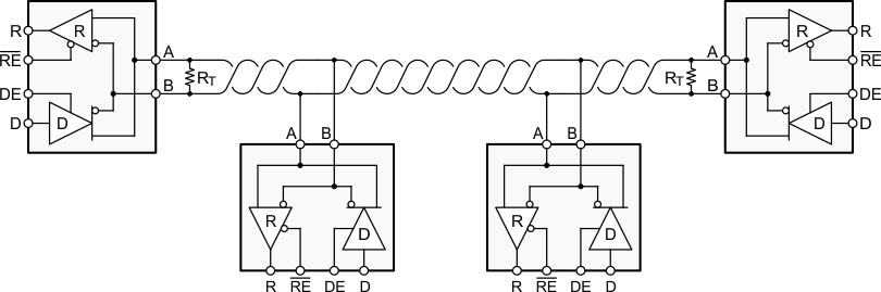
These devices combine a differential driver and a differential receiver, which operate from a single power supply. In the ’HVD1785, ’HVD1786, and ’HVD1787, the driver differential outputs and the receiver differential inputs are connected internally to form a bus port suitable for half-duplex (two-wire bus) communication. In the ’HVD1793, the driver differential outputs and the receiver differential inputs are separate pins, to form a bus port suitable for full-duplex (four-wire bus) communication. These ports feature a wide common-mode voltage range, making the devices suitable for multipoint applications over long cable runs. These devices are characterized from –40°C to 105°C.

For similar features with 3.3-V supply operation, see the SN65HVD1781 (SLLS877).

These devices are designed to survive overvoltage faults such as direct shorts to power supplies, mis-wiring faults, connector failures, cable crushes, and tool mis-applications. They are also robust to ESD events, with high levels of protection to human-body model specifications.

These devices combine a differential driver and a differential receiver, which operate from a single power supply. In the ’HVD1785, ’HVD1786, and ’HVD1787, the driver differential outputs and the receiver differential inputs are connected internally to form a bus port suitable for half-duplex (two-wire bus) communication. In the ’HVD1793, the driver differential outputs and the receiver differential inputs are separate pins, to form a bus port suitable for full-duplex (four-wire bus) communication. These ports feature a wide common-mode voltage range, making the devices suitable for multipoint applications over long cable runs. These devices are characterized from –40°C to 105°C.

For similar features with 3.3-V supply operation, see the SN65HVD1781 (SLLS877).

Subscribe to Welllinkchips !
Your Name
* Email
Submit a request