0
SN65HVD01
  • SN65HVD01
  • SN65HVD01

SN65HVD01

ACTIVE

3.3-V RS-485 transceiver with 1.65-V I/O supply & selectable data rate

Texas Instruments SN65HVD01 Product Info

1 April 2026 0

Parameters

Number of receivers

1

Number of transmitters

1

Duplex

Half

Supply voltage (nom) (V)

3.3

Signaling rate (max) (Mbps)

20

IEC 61000-4-2 contact (±V)

16000

Fault protection (V)

-13 to 16.5

Common-mode range (V)

-7 to 12

Number of nodes

256

Features

IEC ESD protection

Isolated

No

Supply current (max) (µA)

1100

Rating

Catalog

Operating temperature range (°C)

-40 to 125

Package

VSON (DRC)-10-9 mm² 3 x 3

Features

  • Exceeds Requirements of TIA-485 Standard
  • 1.65-V to 3.6-V Supply for Data and Enable Signals
  • 3-V to 3.6-V Supply for Bus Signals
  • SLR Pin Selectable Data Rates: 250 kbps or 20 Mbps
  • 1/8th Unit Load to Support up to 256 Nodes on a Bus
  • Small 3 mm × 3 mm SON Package
  • Failsafe Receiver (Bus Open, Bus Shorted, Bus Idle)
  • Operating Temperature Range: –40°C to 125°C
  • Bus-Pin Protection More Than:
    • ± 15kV HBM Protection
    • ± 16kV IEC61000-4-2 Contact Discharge
    • ± 16kV IEC61000-4-2 Air Discharge
    • 4kV IEC61000-4-4 Fast Transient Burst
  • Exceeds Requirements of TIA-485 Standard
  • 1.65-V to 3.6-V Supply for Data and Enable Signals
  • 3-V to 3.6-V Supply for Bus Signals
  • SLR Pin Selectable Data Rates: 250 kbps or 20 Mbps
  • 1/8th Unit Load to Support up to 256 Nodes on a Bus
  • Small 3 mm × 3 mm SON Package
  • Failsafe Receiver (Bus Open, Bus Shorted, Bus Idle)
  • Operating Temperature Range: –40°C to 125°C
  • Bus-Pin Protection More Than:
    • ± 15kV HBM Protection
    • ± 16kV IEC61000-4-2 Contact Discharge
    • ± 16kV IEC61000-4-2 Air Discharge
    • 4kV IEC61000-4-4 Fast Transient Burst

Description

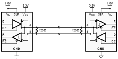
The SN65HVD01 is a low-power, 250 kbps or 20 Mbps data rate selectable RS-485 transceiver, utilizing a 1.65-V to 3.6-V supply for data and enable signals, and a 3.3 V ± 10% supply for bus signals. The device is designed for applications requiring synchronous (parallel transceiver) signal timing. On-chip transient suppression protects the device against destructive IEC 61000 ESD and EFT transients.

The device combines a differential driver and a differential receiver, connected internally to form a bus port suitable for half-duplex (two-wire bus) communication. The device features a wide common-mode voltage range making it suitable for multi-point applications over long cable runs. The SN65HVD01 is available in a tiny, 3 mm × 3 mm, SON package with operation characterized from –40°C to 125°C.

The SN65HVD01 is a low-power, 250 kbps or 20 Mbps data rate selectable RS-485 transceiver, utilizing a 1.65-V to 3.6-V supply for data and enable signals, and a 3.3 V ± 10% supply for bus signals. The device is designed for applications requiring synchronous (parallel transceiver) signal timing. On-chip transient suppression protects the device against destructive IEC 61000 ESD and EFT transients.

The device combines a differential driver and a differential receiver, connected internally to form a bus port suitable for half-duplex (two-wire bus) communication. The device features a wide common-mode voltage range making it suitable for multi-point applications over long cable runs. The SN65HVD01 is available in a tiny, 3 mm × 3 mm, SON package with operation characterized from –40°C to 125°C.

Subscribe to Welllinkchips !
Your Name
* Email
Submit a request