0
SCAN90CP02
  • SCAN90CP02
  • SCAN90CP02
  • SCAN90CP02
  • SCAN90CP02
  • SCAN90CP02

SCAN90CP02

ACTIVE

1.5-Gbps 2x2 LVDS crosspoint switch with pre-emphasis and IEEE 1149.6

Texas Instruments SCAN90CP02 Product Info

1 April 2026 0

Parameters

Function

Crosspoint

Protocols

BLVDS, CML, LVDS, LVPECL

Number of transmitters

2

Number of receivers

2

Supply voltage (V)

3.3

Signaling rate (Mbps)

1500

Input signal

CML, LVDS, LVPECL

Output signal

LVDS

Rating

Catalog

Operating temperature range (°C)

-40 to 85

Package

LQFP (NEY)-32-81 mm² 9 x 9

Features

  • 1.5 Gbps per Channel
  • Low Power: 70 mA in Dual Repeater Mode @1.5 Gbps
  • Low Output Jitter
  • Configurable 0/25/50/100% Pre-Emphasis Drives Lossy Backplanes and Cables
  • Non-Blocking Architecture Allows 1:2 Splitter, 2:1 Mux, Crossover, and Dual Buffer Configurations
  • Flow-Through Pinout
  • LVDS/BLVDS/CML/LVPECL Inputs, LVDS Outputs
  • IEEE 1149.1 and 1149.6 Compliant
  • Single 3.3V Supply
  • Separate Control of Inputs and Outputs Allows for Power Savings
  • Industrial -40 to +85°C Temperature Range
  • 28-Lead UQFN Package, or 32-Lead LQFP Package

All trademarks are the property of their respective owners.

  • 1.5 Gbps per Channel
  • Low Power: 70 mA in Dual Repeater Mode @1.5 Gbps
  • Low Output Jitter
  • Configurable 0/25/50/100% Pre-Emphasis Drives Lossy Backplanes and Cables
  • Non-Blocking Architecture Allows 1:2 Splitter, 2:1 Mux, Crossover, and Dual Buffer Configurations
  • Flow-Through Pinout
  • LVDS/BLVDS/CML/LVPECL Inputs, LVDS Outputs
  • IEEE 1149.1 and 1149.6 Compliant
  • Single 3.3V Supply
  • Separate Control of Inputs and Outputs Allows for Power Savings
  • Industrial -40 to +85°C Temperature Range
  • 28-Lead UQFN Package, or 32-Lead LQFP Package

All trademarks are the property of their respective owners.

Description

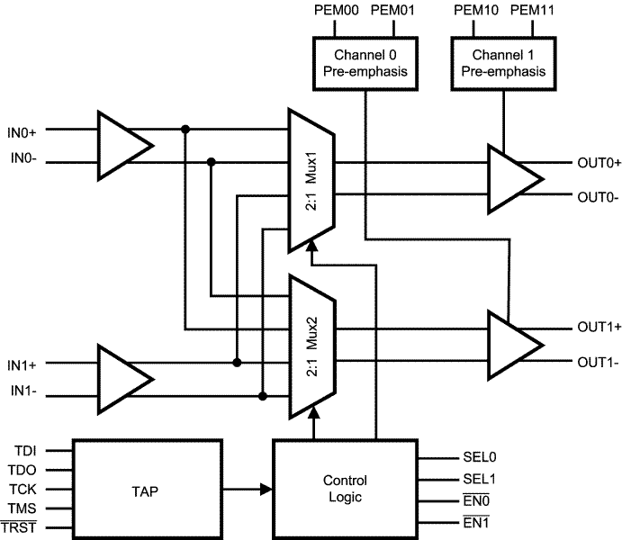
The SCAN90CP02 is a 1.5 Gbps 2 x 2 LVDS crosspoint switch. High speed data paths and flow-through pinout minimize internal device jitter, while configurable 0/25/50/100% pre-emphasis overcomes external ISI jitter effects of lossy backplanes and cables. The differential inputs interface to LVDS and Bus LVDS signals such as those on TI's 10-, 16-, and 18- bit Bus LVDS SerDes, as well as CML and LVPECL. The SCAN90CP02 can also be used with ASICs and FPGAs. The non-blocking crosspoint architecture is pin-configurable as a 1:2 clock or data splitter, 2:1 redundancy mux, crossover function, or dual buffer for signal booster and stub hider applications.

Integrated IEEE 1149.1 (JTAG) and 1149.6 circuitry supports testability of both single-ended LVTTL/CMOS and differential LVDS PCB interconnect. The 3.3V supply, CMOS process, and LVDS I/O ensure high performance at low power over the entire industrial -40 to +85°C temperature range.

The SCAN90CP02 is a 1.5 Gbps 2 x 2 LVDS crosspoint switch. High speed data paths and flow-through pinout minimize internal device jitter, while configurable 0/25/50/100% pre-emphasis overcomes external ISI jitter effects of lossy backplanes and cables. The differential inputs interface to LVDS and Bus LVDS signals such as those on TI's 10-, 16-, and 18- bit Bus LVDS SerDes, as well as CML and LVPECL. The SCAN90CP02 can also be used with ASICs and FPGAs. The non-blocking crosspoint architecture is pin-configurable as a 1:2 clock or data splitter, 2:1 redundancy mux, crossover function, or dual buffer for signal booster and stub hider applications.

Integrated IEEE 1149.1 (JTAG) and 1149.6 circuitry supports testability of both single-ended LVTTL/CMOS and differential LVDS PCB interconnect. The 3.3V supply, CMOS process, and LVDS I/O ensure high performance at low power over the entire industrial -40 to +85°C temperature range.

Subscribe to Welllinkchips !
Your Name
* Email
Submit a request