0
UCC27511A
  • UCC27511A
  • UCC27511A
  • UCC27511A

UCC27511A

ACTIVE

4-A/8-A single-channel gate driver with 5-V UVLO, split outputs, 5-V IN handling

Texas Instruments UCC27511A Product Info

1 April 2026 0

Parameters

Number of channels

1

Power switch

GaNFET, IGBT, MOSFET

Peak output current (A)

8

Input supply voltage (min) (V)

4.5

Input supply voltage (max) (V)

18

Features

Split Output

Operating temperature range (°C)

-40 to 140

Rise time (ns)

9

Fall time (ns)

7

Propagation delay time (µs)

0.013

Input threshold

CMOS, TTL

Channel input logic

Inverting, Non-Inverting

Input negative voltage (V)

-5

Rating

Catalog

Undervoltage lockout (typ) (V)

4

Driver configuration

Dual inputs

Package

SOT-23 (DBV)-6-8.12 mm² 2.9 x 2.8

Features

  • Input Pins Capable of Withstanding –5V Below GND pin
  • Low-Cost Gate-Driver Device Offering Superior Replacement of NPN and PNP Discrete Solutions
  • Strong Sink Current Offers Enhanced Immunity Against Miller Turnon
  • Split Output Configuration (Allows Easy and Independent Adjustment of Turnon and Turnoff Speeds)
  • Fast Propagation Delays (13ns typical)
  • Fast Rise and Fall Times (8ns and 7ns typical)
  • 4.5V to 18V Single Supply Range
  • Outputs Held Low During VDD UVLO (Ensures Glitch-Free Operation at Power Up and Power Down)
  • TTL and CMOS Compatible Input-Logic Threshold (Independent of Supply Voltage)
  • Wide Hysteresis (1V typical) for High-Noise Immunity
  • Dual-Input Design (Choice of an Inverting (IN– Pin) or Non-Inverting (IN+ Pin) Driver Configuration)
    • Unused Input Pin can be Used for Enable or Disable Function
  • Output Held Low when Input Pins are Floating
  • Input Pin Absolute Maximum Voltage Levels Not Restricted by VDD Pin Bias Supply Voltage
  • Input Pins Capable of Withstanding –5V Below GND pin
  • Low-Cost Gate-Driver Device Offering Superior Replacement of NPN and PNP Discrete Solutions
  • Strong Sink Current Offers Enhanced Immunity Against Miller Turnon
  • Split Output Configuration (Allows Easy and Independent Adjustment of Turnon and Turnoff Speeds)
  • Fast Propagation Delays (13ns typical)
  • Fast Rise and Fall Times (8ns and 7ns typical)
  • 4.5V to 18V Single Supply Range
  • Outputs Held Low During VDD UVLO (Ensures Glitch-Free Operation at Power Up and Power Down)
  • TTL and CMOS Compatible Input-Logic Threshold (Independent of Supply Voltage)
  • Wide Hysteresis (1V typical) for High-Noise Immunity
  • Dual-Input Design (Choice of an Inverting (IN– Pin) or Non-Inverting (IN+ Pin) Driver Configuration)
    • Unused Input Pin can be Used for Enable or Disable Function
  • Output Held Low when Input Pins are Floating
  • Input Pin Absolute Maximum Voltage Levels Not Restricted by VDD Pin Bias Supply Voltage

Description

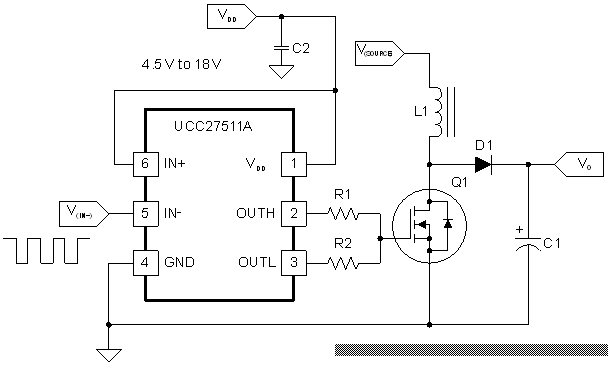
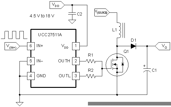
The UCC27511A device is a compact gate driver that offers superior replacement of NPN and PNP discrete driver (buffer circuit) solutions. The UCC27511A device is a single-channel low-side, high-speed gate driver rated for MOSFETs, IGBTs, and emerging wide-bandgap power devices such as GaN. The device features fast rise times, fall times, and propagation delays, making the UCC27511A device suitable for high-speed applications. Its asymmetrical 4A peak source and 8A peak sink currents boost immunity against parasitic Miller turnon effect. The split output configuration enables easy and independent adjustment of rise and fall times using only two resistors and eliminating the need for an external diode. Features including wide input hysteresis and negative input voltage handling enhance transient immunity.

The UCC27511A device is a compact gate driver that offers superior replacement of NPN and PNP discrete driver (buffer circuit) solutions. The UCC27511A device is a single-channel low-side, high-speed gate driver rated for MOSFETs, IGBTs, and emerging wide-bandgap power devices such as GaN. The device features fast rise times, fall times, and propagation delays, making the UCC27511A device suitable for high-speed applications. Its asymmetrical 4A peak source and 8A peak sink currents boost immunity against parasitic Miller turnon effect. The split output configuration enables easy and independent adjustment of rise and fall times using only two resistors and eliminating the need for an external diode. Features including wide input hysteresis and negative input voltage handling enhance transient immunity.

Subscribe to Welllinkchips !
Your Name
* Email
Submit a request