0
SN65176B
  • SN65176B
  • SN65176B
  • SN65176B

SN65176B

ACTIVE

Differential Bus Transceiver

Texas Instruments SN65176B Product Info

1 April 2026 1

Parameters

Number of receivers

1

Number of transmitters

1

Duplex

Half

Supply voltage (nom) (V)

5

Signaling rate (max) (Mbps)

10

IEC 61000-4-2 contact (±V)

None

Fault protection (V)

-10 to 15

Common-mode range (V)

-7 to 12

Number of nodes

32

Isolated

No

Supply current (max) (µA)

70000

Rating

Catalog

Operating temperature range (°C)

-40 to 105

Package

PDIP (P)-8-92.5083 mm² 9.81 x 9.43

Features

  • Bidirectional transceivers
  • Meets or exceeds the requirements of ANSI standards TIA/EIA-422-B and TIA/EIA-485-A and ITU Recommendations V.11 and X.27
  • Designed for multipoint transmission on long bus lines in noisy environments
  • 3-state driver and receiver outputs
  • Individual driver and receiver enables
  • Wide positive and negative input/output bus voltage ranges
  • ±60mAm maximum driver output capability
  • Thermal shutdown protection
  • Driver positive and negative current limiting
  • 12kΩ minimum receiver input impedance
  • ±200mV receiver input sensitivity
  • 50mV typical receiver input hysteresis
  • Operates from a single 5V supply
  • Bidirectional transceivers
  • Meets or exceeds the requirements of ANSI standards TIA/EIA-422-B and TIA/EIA-485-A and ITU Recommendations V.11 and X.27
  • Designed for multipoint transmission on long bus lines in noisy environments
  • 3-state driver and receiver outputs
  • Individual driver and receiver enables
  • Wide positive and negative input/output bus voltage ranges
  • ±60mAm maximum driver output capability
  • Thermal shutdown protection
  • Driver positive and negative current limiting
  • 12kΩ minimum receiver input impedance
  • ±200mV receiver input sensitivity
  • 50mV typical receiver input hysteresis
  • Operates from a single 5V supply

Description

The SN65176B and SN75176B differential bus transceivers are designed for bidirectional data communication on multipoint bus transmission lines. The SN65176B and SN75176B are designed for balanced transmission lines and meet ANSI Standards TIA/EIA-422-B and TIA/EIA-485-A and ITU Recommendations V.11 and X.27.

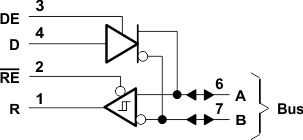
The SN65176B and SN75176B devices combine a 3-state differential line driver and a differential input line receiver, both of which operate from a single 5V power supply. The driver has a active-high enable and the receiver has an active-low enable, that can connect together externally to function as a direction control. The driver differential outputs and the receiver differential inputs are connected internally to form differential input/output (I/O) bus ports that are designed to offer minimum loading to the bus when the driver is disabled or VCC = 0. These ports feature wide positive and negative common-mode voltage ranges, making the device appropriate for party-line applications.

The driver is designed for up to 60mA of sink or source current. The driver features positive and negative current limiting and thermal shutdown for protection from line-fault conditions. Thermal shutdown is designed to occur at a junction temperature of approximately 150°C. The receiver features a minimum input impedance of 12kΩ, an input sensitivity of ±200mV, and a typical input hysteresis of 50mV.

The SN65176B and SN75176B differential bus transceivers are designed for bidirectional data communication on multipoint bus transmission lines. The SN65176B and SN75176B are designed for balanced transmission lines and meet ANSI Standards TIA/EIA-422-B and TIA/EIA-485-A and ITU Recommendations V.11 and X.27.

The SN65176B and SN75176B devices combine a 3-state differential line driver and a differential input line receiver, both of which operate from a single 5V power supply. The driver has a active-high enable and the receiver has an active-low enable, that can connect together externally to function as a direction control. The driver differential outputs and the receiver differential inputs are connected internally to form differential input/output (I/O) bus ports that are designed to offer minimum loading to the bus when the driver is disabled or VCC = 0. These ports feature wide positive and negative common-mode voltage ranges, making the device appropriate for party-line applications.

The driver is designed for up to 60mA of sink or source current. The driver features positive and negative current limiting and thermal shutdown for protection from line-fault conditions. Thermal shutdown is designed to occur at a junction temperature of approximately 150°C. The receiver features a minimum input impedance of 12kΩ, an input sensitivity of ±200mV, and a typical input hysteresis of 50mV.

Subscribe to Welllinkchips !
Your Name
* Email
Submit a request