0
PCM2906C
  • PCM2906C
  • PCM2906C

PCM2906C

ACTIVE

Stereo USB CODEC with line out and S/PDIF, Bus-powered

Texas Instruments PCM2906C Product Info

1 April 2026 1

Parameters

Number of ADC channels

2

Number of DAC channels

2

Control interface

HID

Analog inputs

2

Analog outputs

2

Features

500-mA max power configuration, S/PDIF I/O

Sampling rate (max) (kHz)

48

Rating

Catalog

Operating temperature range (°C)

-25 to 85

Package

SSOP (DB)-28-79.56 mm² 10.2 x 7.8

Features

  • On-Chip USB Interface:
    • With Full-Speed Transceivers
    • Fully Compliant with USB 2.0 Specification
    • Certified by USB-IF
    • USB Adaptive Mode for Playback
    • USB Asynchronous Mode for Record
    • Bus Powered
  • 16-Bit Delta-Sigma ADC and DAC
  • Sampling Rate:
    • DAC: 32, 44.1, 48 kHz
    • ADC: 8, 11.025, 16, 22.05, 32, 44.1, 48 kHz
  • On-Chip Clock Generator with Single 12-MHz Clock Source
  • S/PDIF Input/Output
  • Single Power Supply:
    • 5 V Typical (VBUS)
  • Stereo ADC:
    • Analog Performance at VBUS = 5 V:
      • THD+N = 0.01%
      • SNR = 89 dB
      • Dynamic Range = 89 dB
    • Decimation Digital Filter:
      • Passband Ripple = ±0.05 dB
      • Stop-Band Attenuation = –65 dB
    • Single-Ended Voltage Input
    • Antialiasing Filter Included
    • Digital HPF Included
  • Stereo DAC:
    • Analog Performance at VBUS = 5 V:
      • THD+N = 0.005%
      • SNR = 96 dB
      • Dynamic Range = 93 dB
    • Oversampling Digital Filter:
      • Passband Ripple = ±0.1 dB
      • Stop-Band Attenuation = –43 dB
    • Single-Ended Voltage Output
    • Analog LPF Included
  • Multifunctions:
    • Human Interface Device (HID) Function:
      • Volume and Mute Controls
    • Suspend Flag Function
  • 28-Pin SSOP Package
  • On-Chip USB Interface:
    • With Full-Speed Transceivers
    • Fully Compliant with USB 2.0 Specification
    • Certified by USB-IF
    • USB Adaptive Mode for Playback
    • USB Asynchronous Mode for Record
    • Bus Powered
  • 16-Bit Delta-Sigma ADC and DAC
  • Sampling Rate:
    • DAC: 32, 44.1, 48 kHz
    • ADC: 8, 11.025, 16, 22.05, 32, 44.1, 48 kHz
  • On-Chip Clock Generator with Single 12-MHz Clock Source
  • S/PDIF Input/Output
  • Single Power Supply:
    • 5 V Typical (VBUS)
  • Stereo ADC:
    • Analog Performance at VBUS = 5 V:
      • THD+N = 0.01%
      • SNR = 89 dB
      • Dynamic Range = 89 dB
    • Decimation Digital Filter:
      • Passband Ripple = ±0.05 dB
      • Stop-Band Attenuation = –65 dB
    • Single-Ended Voltage Input
    • Antialiasing Filter Included
    • Digital HPF Included
  • Stereo DAC:
    • Analog Performance at VBUS = 5 V:
      • THD+N = 0.005%
      • SNR = 96 dB
      • Dynamic Range = 93 dB
    • Oversampling Digital Filter:
      • Passband Ripple = ±0.1 dB
      • Stop-Band Attenuation = –43 dB
    • Single-Ended Voltage Output
    • Analog LPF Included
  • Multifunctions:
    • Human Interface Device (HID) Function:
      • Volume and Mute Controls
    • Suspend Flag Function
  • 28-Pin SSOP Package

Description

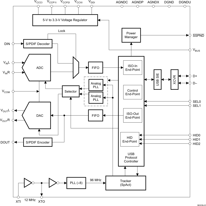
The PCM2906C is Texas Instruments’ single-chip, USB, stereo audio codec with a USB-compliant full-speed protocol controller and S/PDIF. The USB protocol controller requires no software code. The PCM2906C employs SpAct™ architecture, TI’s unique system that recovers the audio clock from USB packet data. On-chip analog PLLs with SpAct enable playback and record with low clock jitter, as well as independent playback and record sampling rates.

The PCM2906C is Texas Instruments’ single-chip, USB, stereo audio codec with a USB-compliant full-speed protocol controller and S/PDIF. The USB protocol controller requires no software code. The PCM2906C employs SpAct™ architecture, TI’s unique system that recovers the audio clock from USB packet data. On-chip analog PLLs with SpAct enable playback and record with low clock jitter, as well as independent playback and record sampling rates.

Subscribe to Welllinkchips !
Your Name
* Email
Submit a request