0
SN65HVD1176
  • SN65HVD1176
  • SN65HVD1176
  • SN65HVD1176
  • SN65HVD1176

SN65HVD1176

ACTIVE

PROFIBUS RS-485 Transceiver

Texas Instruments SN65HVD1176 Product Info

1 April 2026 0

Parameters

Number of receivers

1

Number of transmitters

1

Duplex

Half

Supply voltage (nom) (V)

5

Signaling rate (max) (Mbps)

40

Fault protection (V)

-7 to 12

Common-mode range (V)

-7 to 12

Number of nodes

160

Features

PROFIBUS

Isolated

No

Supply current (max) (µA)

6000

Rating

Catalog

Operating temperature range (°C)

-40 to 85

Package

SOIC (D)-8-29.4 mm² 4.9 x 6

Features

  • Optimized for PROFIBUS networks
    • Signaling rates up to 40 Mbps
    • Differential output exceeds 2.1 V (54-Ω load)
    • Low bus capacitance of 10 pF (Max)
  • Meets the requirements of TIA/EIA-485-A
  • ESD Protection exceeds ±10-kV HBM
  • Fail-safe receiver for bus open, short, idle
  • Up to 160 transceivers on a bus
  • Low skew during output transitions and driver enabling and disabling
  • Common-mode rejection up to 50 MHz
  • Short-circuit current limit
  • Hot swap capable
  • Thermal shutdown protection
  • Optimized for PROFIBUS networks
    • Signaling rates up to 40 Mbps
    • Differential output exceeds 2.1 V (54-Ω load)
    • Low bus capacitance of 10 pF (Max)
  • Meets the requirements of TIA/EIA-485-A
  • ESD Protection exceeds ±10-kV HBM
  • Fail-safe receiver for bus open, short, idle
  • Up to 160 transceivers on a bus
  • Low skew during output transitions and driver enabling and disabling
  • Common-mode rejection up to 50 MHz
  • Short-circuit current limit
  • Hot swap capable
  • Thermal shutdown protection

Description

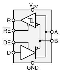
The SNx5HVD1176 devices are half-duplex differential transceivers with characteristics optimized for use in PROFIBUS (EN 50170) applications. The driver output differential voltage exceeds the PROFIBUS requirements of 2.1 V with a 54-Ω load. A signaling rate of up to 40 Mbps allows technology growth to high data-transfer speeds. The low bus capacitance provides low signal distortion.

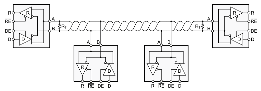
The SN65HVD1176 and SN75HVD1176 devices meet or exceed the requirements of ANSI standard TIA/EIA-485-A (RS-485) for differential data transmission across twisted-pair networks. The driver outputs and receiver inputs are tied together to form a half-duplex bus port with one-fifth unit load, which allows up to 160 nodes on a single bus. The receiver output stays at logic high when the bus lines are shorted, left open, or when no driver is active. The driver outputs are in high impedance when the supply voltage is below 2.5 V to prevent bus disturbance during power cycling or during live insertion to the bus. An internal current limit protects the transceiver bus pins in short-circuit fault conditions by limiting the output current to a constant value. Thermal shutdown circuitry protects the device against damage due to excessive power dissipation caused by faulty loading and drive conditions.

The SN75HVD1176 device is characterized for operation at temperatures from 0°C to 70°C. The SN65HVD1176 device is characterized for operation at temperatures from –40°C to 85°C.

For an isolated version of this device, see the ISO1176 device (SLLS897) with integrated digital isolators.

The SNx5HVD1176 devices are half-duplex differential transceivers with characteristics optimized for use in PROFIBUS (EN 50170) applications. The driver output differential voltage exceeds the PROFIBUS requirements of 2.1 V with a 54-Ω load. A signaling rate of up to 40 Mbps allows technology growth to high data-transfer speeds. The low bus capacitance provides low signal distortion.

The SN65HVD1176 and SN75HVD1176 devices meet or exceed the requirements of ANSI standard TIA/EIA-485-A (RS-485) for differential data transmission across twisted-pair networks. The driver outputs and receiver inputs are tied together to form a half-duplex bus port with one-fifth unit load, which allows up to 160 nodes on a single bus. The receiver output stays at logic high when the bus lines are shorted, left open, or when no driver is active. The driver outputs are in high impedance when the supply voltage is below 2.5 V to prevent bus disturbance during power cycling or during live insertion to the bus. An internal current limit protects the transceiver bus pins in short-circuit fault conditions by limiting the output current to a constant value. Thermal shutdown circuitry protects the device against damage due to excessive power dissipation caused by faulty loading and drive conditions.

The SN75HVD1176 device is characterized for operation at temperatures from 0°C to 70°C. The SN65HVD1176 device is characterized for operation at temperatures from –40°C to 85°C.

For an isolated version of this device, see the ISO1176 device (SLLS897) with integrated digital isolators.

Subscribe to Welllinkchips !
Your Name
* Email
Submit a request