0
TVP5154A
  • TVP5154A
  • TVP5154A

TVP5154A

ACTIVE

4 Channel Low Power PAL/NTSC/SECAM Video Decoder with Independent Scalers

Texas Instruments TVP5154A Product Info

1 April 2026 0

Parameters

Type

HDMI Companion

Rating

Catalog

Supply voltage (V)

1.8, 3.3

Operating temperature range (°C)

-40 to 85

Package

HTQFP (PNP)-128-256 mm² 16 x 16

Features

  • Four Separate Video Decoder Channels With Features for Each Channel:
    • Accept NTSC (J, M, 4.43), PAL (B, D, G, H, I, M, N, Nc), and
      SECAM (B, D, G, K, K1, L) Video
    • Support ITU-R BT.601 Standard Sampling
    • High-Speed 9-Bit Analog-to-Digital Converter (ADC)
    • Two Composite Inputs or One S-Video Input (for Each Channel)
    • Fully Differential CMOS Analog Preprocessing Channels With Clamping and
      Automatic Gain Control (AGC) for Best Signal to Noise (SNR) Performance
    • Brightness, Contrast, Saturation, Hue, and Sharpness Control Through
      Inter-Integrated Circuit (I2C)
    • Complementary 4-Line (3-H Delay) Adaptive Comb Filters for Both Cross-Luminance and
      Cross-Chrominance Noise Reduction
    • Patented Architecture for Locking to Weak, Noisy, or Unstable Signals
  • Four Independent Polymorphic Scalers
  • Single or Concurrent Scaled and Unscaled Outputs Via Dual Clocking Data,
    Interleaved 54-MHz Data or Single 27-MHz Clock
  • Scaled/Unscaled Image Toggle Mode Gives Variable Field Rate for Both
    Scaled and Unscaled Video
  • Low Power Consumption: 700 mW Typical
  • 128-Pin Thin Quad Flat Pack (TQFP) Package
  • Single 14.31818-MHz Crystal for All Standards and All Channels
  • Internal Phase-Locked Loop (PLL) for Line-Locked Clock
    (Separate for Each Channel) and Sampling
  • Sub-Carrier Genlock Output for Synchronizing Color Sub-Carrier of External Encoder
  • Standard Programmable Video Output Format
    • ITU-R BT.656, 8-Bit 4:2:2 With Embedded Syncs
    • 8-Bit 4:2:2 With Discrete Syncs
  • Advanced Programmable Video Output Formats
    • 2× Over-Sampled Raw Vertical Blanking Interval (VBI)
      Data During Active Video
    • Sliced VBI Data During Horizontal Blanking or Active Video
  • VBI Modes Supported:
    • Teletext (NABTS, WST)
    • Closed-Caption Decode With FIFO, and Extended Data Services (EDS)
    • Wide Screen Signaling (WSS), Video Program System (VPS), Copy Generation
      Management System (CGMS), Vertical Interval Time Code (VITC)
    • Gemstar 1×/2× Electronic Program Guide Compatible Mode
    • Custom Configuration Mode Allows User to Program the Slice Engine
      for Unique VBI Data Signals
  • Improved Fast Lock Mode Can Be Used When Input Video Standard Is
    Known and Signals on Switching Channels Are Clean
  • Four Possible I2C Addresses Allowing 16 Decoder Channels
    on a Single I2C Bus
  • Available in Commercial (0°C to 70°C) and Industrial (–40°C to 85°C) Temperature Ranges

  • Four Separate Video Decoder Channels With Features for Each Channel:
    • Accept NTSC (J, M, 4.43), PAL (B, D, G, H, I, M, N, Nc), and
      SECAM (B, D, G, K, K1, L) Video
    • Support ITU-R BT.601 Standard Sampling
    • High-Speed 9-Bit Analog-to-Digital Converter (ADC)
    • Two Composite Inputs or One S-Video Input (for Each Channel)
    • Fully Differential CMOS Analog Preprocessing Channels With Clamping and
      Automatic Gain Control (AGC) for Best Signal to Noise (SNR) Performance
    • Brightness, Contrast, Saturation, Hue, and Sharpness Control Through
      Inter-Integrated Circuit (I2C)
    • Complementary 4-Line (3-H Delay) Adaptive Comb Filters for Both Cross-Luminance and
      Cross-Chrominance Noise Reduction
    • Patented Architecture for Locking to Weak, Noisy, or Unstable Signals
  • Four Independent Polymorphic Scalers
  • Single or Concurrent Scaled and Unscaled Outputs Via Dual Clocking Data,
    Interleaved 54-MHz Data or Single 27-MHz Clock
  • Scaled/Unscaled Image Toggle Mode Gives Variable Field Rate for Both
    Scaled and Unscaled Video
  • Low Power Consumption: 700 mW Typical
  • 128-Pin Thin Quad Flat Pack (TQFP) Package
  • Single 14.31818-MHz Crystal for All Standards and All Channels
  • Internal Phase-Locked Loop (PLL) for Line-Locked Clock
    (Separate for Each Channel) and Sampling
  • Sub-Carrier Genlock Output for Synchronizing Color Sub-Carrier of External Encoder
  • Standard Programmable Video Output Format
    • ITU-R BT.656, 8-Bit 4:2:2 With Embedded Syncs
    • 8-Bit 4:2:2 With Discrete Syncs
  • Advanced Programmable Video Output Formats
    • 2× Over-Sampled Raw Vertical Blanking Interval (VBI)
      Data During Active Video
    • Sliced VBI Data During Horizontal Blanking or Active Video
  • VBI Modes Supported:
    • Teletext (NABTS, WST)
    • Closed-Caption Decode With FIFO, and Extended Data Services (EDS)
    • Wide Screen Signaling (WSS), Video Program System (VPS), Copy Generation
      Management System (CGMS), Vertical Interval Time Code (VITC)
    • Gemstar 1×/2× Electronic Program Guide Compatible Mode
    • Custom Configuration Mode Allows User to Program the Slice Engine
      for Unique VBI Data Signals
  • Improved Fast Lock Mode Can Be Used When Input Video Standard Is
    Known and Signals on Switching Channels Are Clean
  • Four Possible I2C Addresses Allowing 16 Decoder Channels
    on a Single I2C Bus
  • Available in Commercial (0°C to 70°C) and Industrial (–40°C to 85°C) Temperature Ranges

Description

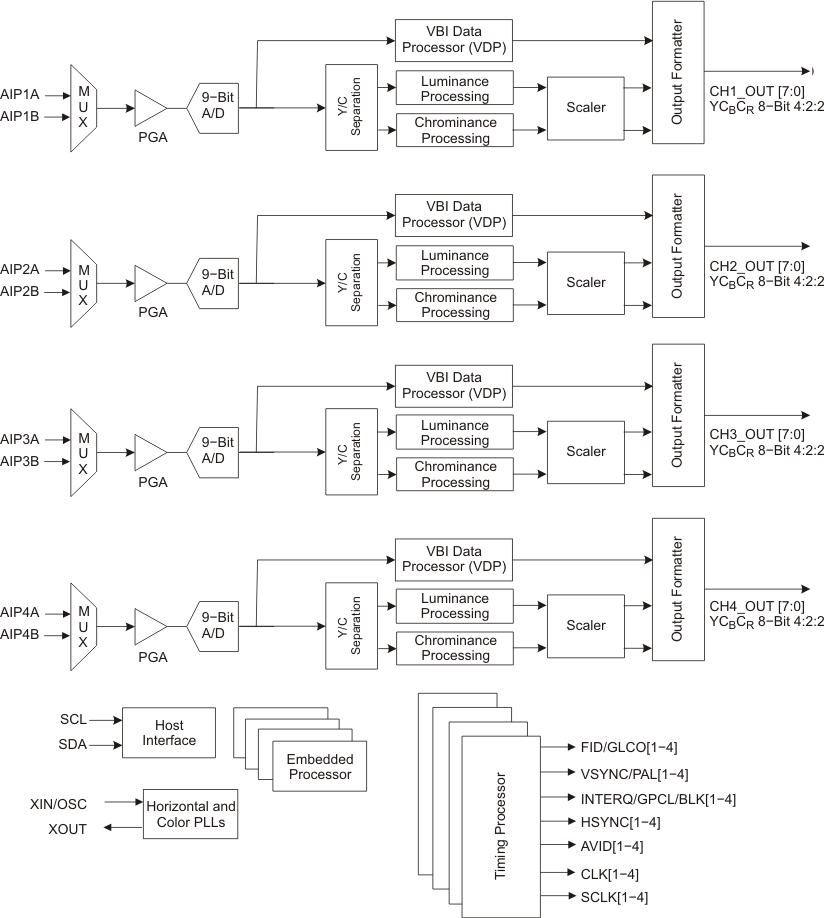
The TVP5154A device is a 4-channel, low-power, NTSC/PAL/SECAM video decoder. Available in a space-saving 128-pin thin quad flat pack (TQFP) package, each channel of the TVP5154A decoder converts NTSC, PAL, or SECAM video signals to 8-bit ITU-R BT.656 format. Discrete syncs are also available. All four channels of the TVP5154A are independently controllable. The decoders share one crystal for all channels and for all supported standards. The TVP5154A can be programmed using a single inter-integrated circuit (I2C) serial interface. The decoder uses a 1.8-V supply for its analog and digital supplies, and a 3.3-V supply for its I/O. The optimized architecture of the TVP5154A decoder allows for low power consumption. The decoder consumes less than 720 mW of power in typical operation.

Each channel of the TVP5154A is an independent video decoder with a programmable polymorphic scaler. Each channel converts baseband analog video into digital YCbCr 4:2:2 component video, which can then be scaled down to any resolution to 1/256 vertical and 15-bit horizontal in 2-pixel decrements. Composite and S-video inputs are supported. Each channel includes one 9-bit analog-to-digital converter (ADC) with 2× sampling. Sampling is ITU-R BT.601 (27.0) MHz, generated from a single 14.31818-MHz crystal or oscillator input) and is line locked. The output formats can be 8-bit 4:2:2 with discrete syncs or 8-bit ITU-R BT.656 with embedded synchronization.

The TVP5154A utilizes Texas Instruments patented technology for locking to weak, noisy, or unstable signals. A real-time control (RTC) output is generated for each channel for synchronizing downstream video encoders.

Complementary 4-line adaptive comb filtering is available per channel for both the luma and chroma data paths to reduce both cross-luma and cross-chroma artifacts. A chroma trap filter also is available.

An improved fast lock mode can be used when the input video standard is known and the signals on the switching channels are clean. Note, switching from snow and/or noisy channels to good channels takes longer. In fast lock mode, video lock is achieved in three fields or less.

Video characteristics, including hue, contrast, brightness, saturation, and sharpness, may be independently programmed for each channel using the industry standard I2C serial interface. The TVP5154A generates synchronization, blanking, lock, and clock signals in addition to digital video outputs for each channel. The TVP5154A includes methods for advanced vertical blanking interval (VBI) data retrieval. The VBI data processor slices, parses, and performs error checking on teletext, closed caption, and other data in several formats.

I2C commands can be sent to one or more decoder cores simultaneously, reducing the amount of I2C activity necessary to configure each core. A register controls which decoder core receives I2C commands, and can be configured such that all four decoders receive commands at the same time.

The main blocks for each of the channels of the TVP5154A decoder include:

  • Robust sync detector
  • ADC with analog processor
  • Y/C separation using 4-line adaptive comb filter
  • Independent, concurrent scaler outputs
  • Chrominance processor
  • Luminance processor
  • Video clock/timing processor and power-down control
  • I2C interface
  • VBI data processor

The TVP5154A device is a 4-channel, low-power, NTSC/PAL/SECAM video decoder. Available in a space-saving 128-pin thin quad flat pack (TQFP) package, each channel of the TVP5154A decoder converts NTSC, PAL, or SECAM video signals to 8-bit ITU-R BT.656 format. Discrete syncs are also available. All four channels of the TVP5154A are independently controllable. The decoders share one crystal for all channels and for all supported standards. The TVP5154A can be programmed using a single inter-integrated circuit (I2C) serial interface. The decoder uses a 1.8-V supply for its analog and digital supplies, and a 3.3-V supply for its I/O. The optimized architecture of the TVP5154A decoder allows for low power consumption. The decoder consumes less than 720 mW of power in typical operation.

Each channel of the TVP5154A is an independent video decoder with a programmable polymorphic scaler. Each channel converts baseband analog video into digital YCbCr 4:2:2 component video, which can then be scaled down to any resolution to 1/256 vertical and 15-bit horizontal in 2-pixel decrements. Composite and S-video inputs are supported. Each channel includes one 9-bit analog-to-digital converter (ADC) with 2× sampling. Sampling is ITU-R BT.601 (27.0) MHz, generated from a single 14.31818-MHz crystal or oscillator input) and is line locked. The output formats can be 8-bit 4:2:2 with discrete syncs or 8-bit ITU-R BT.656 with embedded synchronization.

The TVP5154A utilizes Texas Instruments patented technology for locking to weak, noisy, or unstable signals. A real-time control (RTC) output is generated for each channel for synchronizing downstream video encoders.

Complementary 4-line adaptive comb filtering is available per channel for both the luma and chroma data paths to reduce both cross-luma and cross-chroma artifacts. A chroma trap filter also is available.

An improved fast lock mode can be used when the input video standard is known and the signals on the switching channels are clean. Note, switching from snow and/or noisy channels to good channels takes longer. In fast lock mode, video lock is achieved in three fields or less.

Video characteristics, including hue, contrast, brightness, saturation, and sharpness, may be independently programmed for each channel using the industry standard I2C serial interface. The TVP5154A generates synchronization, blanking, lock, and clock signals in addition to digital video outputs for each channel. The TVP5154A includes methods for advanced vertical blanking interval (VBI) data retrieval. The VBI data processor slices, parses, and performs error checking on teletext, closed caption, and other data in several formats.

I2C commands can be sent to one or more decoder cores simultaneously, reducing the amount of I2C activity necessary to configure each core. A register controls which decoder core receives I2C commands, and can be configured such that all four decoders receive commands at the same time.

The main blocks for each of the channels of the TVP5154A decoder include:

  • Robust sync detector
  • ADC with analog processor
  • Y/C separation using 4-line adaptive comb filter
  • Independent, concurrent scaler outputs
  • Chrominance processor
  • Luminance processor
  • Video clock/timing processor and power-down control
  • I2C interface
  • VBI data processor