0
PCA9306-Q1
  • PCA9306-Q1
  • PCA9306-Q1
  • PCA9306-Q1

PCA9306-Q1

ACTIVE

Automotive 2-bit bidirectional 400-kHz I2C/SMBus voltage level translator

Texas Instruments PCA9306-Q1 Product Info

1 April 2026 0

Parameters

Features

Enable pin

Protocols

I2C

Frequency (max) (MHz)

0.4

VCCA (min) (V)

1.2

VCCA (max) (V)

5.5

VCCB (min) (V)

1.8

VCCB (max) (V)

5.5

Supply restrictions

VCCA <= VCCB

Rating

Automotive

Operating temperature range (°C)

-40 to 105

Package

VSSOP (DCU)-8-6.2 mm² 2 x 3.1

Features

  • AEC-Q100 qualified for automotive applications
    • Temperature grade 2: –40°C to 105°C, TA
    • HBM ESD classification level H2
    • CDM ESD classification level C4B
  • 2-Bit bidirectional translator for SDA and SCL lines in mixed-mode I2C applications
  • Compatible with I2C and SMBus
  • Less than 1.5-ns maximum propagation delay to accommodate standard-mode and fast-mode I2C devices and multiple controllers
  • Allows voltage-level translation between
    • 1.2-V VREF1 and 1.8-V, 2.5-V, 3.3-V, or 5-V VREF2
    • 1.8-V VREF1 and 2.5-V, 3.3-V, or 5-V VREF2
    • 2.5-V VREF1 and 3.3-V, or 5-V VREF2
    • 3.3-V VREF1 and 5-V VREF2
  • Provides bidirectional voltage translation with no direction pin
  • Low 3.5-Ω ON-state connection between input and output ports provides less signal distortion
  • Open-drain I2C I/O Ports (SCL1, SDA1, SCL2, and SDA2)
  • 5-V tolerant I2C I/O ports to support mixed-mode signal operation
  • High-impedance SCL1, SDA1, SCL2, and SDA2 pins for EN = low
  • Lock-up-free operation for isolation when EN = Low
  • Flow-through pinout for ease of printed-circuit board trace routing
  • Latch-up performance exceeds 100 mA Per JESD 78, Class II
  • ESD protection exceeds JESD 22
    • 2000-V Human-body model (A114-A)
    • 200-V Machine model (A115-A)
    • 1000-V Charged-device model (C101)
  • AEC-Q100 qualified for automotive applications
    • Temperature grade 2: –40°C to 105°C, TA
    • HBM ESD classification level H2
    • CDM ESD classification level C4B
  • 2-Bit bidirectional translator for SDA and SCL lines in mixed-mode I2C applications
  • Compatible with I2C and SMBus
  • Less than 1.5-ns maximum propagation delay to accommodate standard-mode and fast-mode I2C devices and multiple controllers
  • Allows voltage-level translation between
    • 1.2-V VREF1 and 1.8-V, 2.5-V, 3.3-V, or 5-V VREF2
    • 1.8-V VREF1 and 2.5-V, 3.3-V, or 5-V VREF2
    • 2.5-V VREF1 and 3.3-V, or 5-V VREF2
    • 3.3-V VREF1 and 5-V VREF2
  • Provides bidirectional voltage translation with no direction pin
  • Low 3.5-Ω ON-state connection between input and output ports provides less signal distortion
  • Open-drain I2C I/O Ports (SCL1, SDA1, SCL2, and SDA2)
  • 5-V tolerant I2C I/O ports to support mixed-mode signal operation
  • High-impedance SCL1, SDA1, SCL2, and SDA2 pins for EN = low
  • Lock-up-free operation for isolation when EN = Low
  • Flow-through pinout for ease of printed-circuit board trace routing
  • Latch-up performance exceeds 100 mA Per JESD 78, Class II
  • ESD protection exceeds JESD 22
    • 2000-V Human-body model (A114-A)
    • 200-V Machine model (A115-A)
    • 1000-V Charged-device model (C101)

Description

This dual bidirectional I2C and SMBus voltage-level translator, with an enable (EN) input, is operational from 1.2-V to 3.3-V VREF1 and 1.8-V to 5.5-V VREF2.

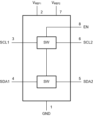
The PCA9306-Q1 allows bidirectional voltage translations between 1.2 V and 5 V, without the use of a direction pin. The low ON-state resistance (ron) of the switch allows connections to be made with minimal propagation delay. When EN is high, the translator switch is ON, and the SCL1 and SDA1 I/O are connected to the SCL2 and SDA2 I/O, respectively, allowing bidirectional data flow between ports. When EN is low, the translator switch is off, and a high-impedance state exists between ports.

This dual bidirectional I2C and SMBus voltage-level translator, with an enable (EN) input, is operational from 1.2-V to 3.3-V VREF1 and 1.8-V to 5.5-V VREF2.

The PCA9306-Q1 allows bidirectional voltage translations between 1.2 V and 5 V, without the use of a direction pin. The low ON-state resistance (ron) of the switch allows connections to be made with minimal propagation delay. When EN is high, the translator switch is ON, and the SCL1 and SDA1 I/O are connected to the SCL2 and SDA2 I/O, respectively, allowing bidirectional data flow between ports. When EN is low, the translator switch is off, and a high-impedance state exists between ports.

Subscribe to Welllinkchips !
Your Name
* Email
Submit a request