0
LM3687
  • LM3687
  • LM3687
  • LM3687
  • LM3687

LM3687

ACTIVE

Step-down DC-DC converter with integrated low dropout regulator and startup mode

Texas Instruments LM3687 Product Info

1 April 2026 1

Parameters

Processor supplier

Generic

Processor name

Generic

Regulated outputs (#)

2

Step-down DC/DC converter

1

Step-up DC/DC converter

0

LDO

1

Vin (min) (V)

0.7

Vin (max) (V)

5.5

Vout (min) (V)

1.5

Vout (max) (V)

1.8

Iout (max) (A)

0.75

Configurability

Factory programmable

Features

Automatic PFM/PWM mode switching

Rating

Catalog

Operating temperature range (°C)

-30 to 125

Step-down DC/DC controller

0

Step-up DC/DC controller

0

Iq (typ) (mA)

0.01

Switching frequency (max) (kHz)

2300

Shutdown current (ISD) (typ) (µA)

0.1

Switching frequency (typ) (kHz)

1800

Package

DSBGA (YZR)-9-3.0625 mm² 1.75 x 1.75

Features

    DC-DC Converter:

  • 750mA Maximum Load Capability
  • 1.8MHz PWM Fixed Switching Frequency (Typ.)
  • Automatic PFM/PWM Mode Switching
  • 27µA typ. Quiescent Current
  • Internal Synchronous Rectification for High Efficiency
  • Internal Soft Start
  • Dual Rail Linear Regulator:

  • Startup Mode
  • Load Transients < 25mVpeak Typ.
  • Line Transients < 1mVpeak Typ.
  • Very Low Dropout Voltage: 82mV Typ. at 350mA Load Current
  • 0.7V ≤ VIN_LIN ≤ 4.5V
  • 10µA Typical IQ from VIN_LIN
  • 350mA Maximum Load Capability
  • Combined Common Features:

  • 65µA typical Quiescent Current from VBATT if Both Regulators are Enabled
  • 750mA Maximum Combined Load Capability in Post Regulation Setup (DC-DC 400mA + Linear Regulator 350mA)
  • 1100mA Maximum Total Load Capability in Independent Mode of Operation (DC-DC: 750mA, Linear Regulator: 350mA)
  • Operates from a Single Li-Ion Cell or 3 Cell NiMH/NiCd Batteries
  • Only Four Tiny Surface-Mount External Components Required (One Inductor, Three Ceramic Capacitors)
  • Small 9-Bump DSBGA Package
  • Over-Temperature, Current Overload and Under-Voltage Protection

All trademarks are the property of their respective owners.

    DC-DC Converter:

  • 750mA Maximum Load Capability
  • 1.8MHz PWM Fixed Switching Frequency (Typ.)
  • Automatic PFM/PWM Mode Switching
  • 27µA typ. Quiescent Current
  • Internal Synchronous Rectification for High Efficiency
  • Internal Soft Start
  • Dual Rail Linear Regulator:

  • Startup Mode
  • Load Transients < 25mVpeak Typ.
  • Line Transients < 1mVpeak Typ.
  • Very Low Dropout Voltage: 82mV Typ. at 350mA Load Current
  • 0.7V ≤ VIN_LIN ≤ 4.5V
  • 10µA Typical IQ from VIN_LIN
  • 350mA Maximum Load Capability
  • Combined Common Features:

  • 65µA typical Quiescent Current from VBATT if Both Regulators are Enabled
  • 750mA Maximum Combined Load Capability in Post Regulation Setup (DC-DC 400mA + Linear Regulator 350mA)
  • 1100mA Maximum Total Load Capability in Independent Mode of Operation (DC-DC: 750mA, Linear Regulator: 350mA)
  • Operates from a Single Li-Ion Cell or 3 Cell NiMH/NiCd Batteries
  • Only Four Tiny Surface-Mount External Components Required (One Inductor, Three Ceramic Capacitors)
  • Small 9-Bump DSBGA Package
  • Over-Temperature, Current Overload and Under-Voltage Protection

All trademarks are the property of their respective owners.

Description

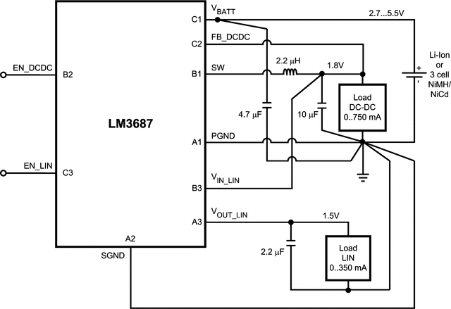
The LM3687 is a step-down DC-DC converter with an integrated low dropout Linear Regulator optimized for powering ultra-low voltage circuits from a single Li-Ion cell or 3 cell NiMH/NiCd batteries. It provides a dual output with fixed output voltages and combined load current up to 750mA in post regulation mode or 1100mA in independent mode of operation, over an input voltage range from 2.7V to 5.5V. There are several different fixed output voltage combinations available (refer to ).

The Linear Regulator being driven from the fixed output voltage of the buck converter (post regulation) translates to high efficiency.

The device offers superior features and performance for mobile phones and similar portable applications with complex power management systems. Automatic intelligent switching between PWM low-noise and PFM low-current mode offers improved efficiency over the full load current range. During full-power operation, a fixed-frequency 1.8MHz (typ.) PWM mode drives loads from ~80mA to 750mA max. Hysteretic PFM mode extends the battery life through reduction of the quiescent current during light loads and system standby.

The LM3687 also features internal protection against over-temperature, current overload and under-voltage conditions.

Two enable pins allow the separate operation of either the DC-DC or the Linear Regulator alone or both. If the power input voltage for the Linear Regulator VIN_LIN is not sufficiently high (e.g. the DC-DC converter is not enabled or starting up) a startup LDO supplies the Linear Regulator Output from VBATT for 50mA rated load current (Startup Mode). If VIN_LIN is at the required voltage level, the startup LDO is deactivated and the main regulator provides 350mA output current. In shutdown mode (Enable pins pulled low) the device turns off and reduces battery consumption to 0.1µA (typ.).

The LM3687 is available in a tiny, lead-free (NO PB) 9-bump DSBGA package. A high switching frequency of 1.8MHz (typ.) allows the use of tiny surface-mount components. Only four external components -one inductor and three ceramic capacitors- are required.

The LM3687 is a step-down DC-DC converter with an integrated low dropout Linear Regulator optimized for powering ultra-low voltage circuits from a single Li-Ion cell or 3 cell NiMH/NiCd batteries. It provides a dual output with fixed output voltages and combined load current up to 750mA in post regulation mode or 1100mA in independent mode of operation, over an input voltage range from 2.7V to 5.5V. There are several different fixed output voltage combinations available (refer to ).

The Linear Regulator being driven from the fixed output voltage of the buck converter (post regulation) translates to high efficiency.

The device offers superior features and performance for mobile phones and similar portable applications with complex power management systems. Automatic intelligent switching between PWM low-noise and PFM low-current mode offers improved efficiency over the full load current range. During full-power operation, a fixed-frequency 1.8MHz (typ.) PWM mode drives loads from ~80mA to 750mA max. Hysteretic PFM mode extends the battery life through reduction of the quiescent current during light loads and system standby.

The LM3687 also features internal protection against over-temperature, current overload and under-voltage conditions.

Two enable pins allow the separate operation of either the DC-DC or the Linear Regulator alone or both. If the power input voltage for the Linear Regulator VIN_LIN is not sufficiently high (e.g. the DC-DC converter is not enabled or starting up) a startup LDO supplies the Linear Regulator Output from VBATT for 50mA rated load current (Startup Mode). If VIN_LIN is at the required voltage level, the startup LDO is deactivated and the main regulator provides 350mA output current. In shutdown mode (Enable pins pulled low) the device turns off and reduces battery consumption to 0.1µA (typ.).

The LM3687 is available in a tiny, lead-free (NO PB) 9-bump DSBGA package. A high switching frequency of 1.8MHz (typ.) allows the use of tiny surface-mount components. Only four external components -one inductor and three ceramic capacitors- are required.

Subscribe to Welllinkchips !
Your Name
* Email
Submit a request