0
SN54SC8T595-SEP
  • SN54SC8T595-SEP
  • SN54SC8T595-SEP

SN54SC8T595-SEP

ACTIVE

Radiation-tolerant 1.2V to 5.5V eight-bit shift register

Texas Instruments SN54SC8T595-SEP Product Info

1 April 2026 1

Parameters

Technology family

SCxT

Number of channels

8

Vout (min) (V)

1.2

Vout (max) (V)

5.5

Features

Balanced outputs, Level shifter, Over-voltage tolerant inputs

Input type

TTL-Compatible CMOS

Output type

3-State

Operating temperature range (°C)

-55 to 125

Package

TSSOP (PW)-16-32 mm² 5 x 6.4

Features

  • Vendor item drawing available, VID V62/25621-01XE
  • Radiation - Total Ionizing Dose (TID):
    • TID characterized up to 50krad(Si)
    • TID performance assurance up to 30krad(Si)
    • Radiation Lot Acceptance Testing (RLAT) for every wafer lot up to 30krad(Si)
  • Radiation - Single-Event Effects (SEE):
    • Single Event Latch-Up (SEL) immune up to 50MeV-cm2/mg at 125°C
    • Single Event Transient (SET) characterized up to LET = 50MeV-cm2/mg
  • Wide operating range of 1.2V to 5.5V

  • Single-supply voltage translator:

    • Up translation:

      • 1.2V to 1.8V

      • 1.5V to 2.5V

      • 1.8V to 3.3V

      • 3.3V to 5.0V

    • Down translation:

      • 5.0V, 3.3V, 2.5V to 1.8V
      • 5.0V, 3.3V to 2.5V
      • 5.0V to 3.3V
  • 5.5V tolerant input pins
  • Supports standard pinouts
  • Up to 150Mbps with 5V or 3.3V VCC
  • Latch-up performance exceeds 250mA per JESD 17
  • Space enhanced plastic:
    • Supports defense and aerospace applications
    • Controlled baseline
    • Au bondwire and NiPdAu lead finish
    • Meets NASA ASTM E595 outgassing specification
    • One fabrication, assembly, and test site
    • Extended product life cycle
    • Product traceability
  • Vendor item drawing available, VID V62/25621-01XE
  • Radiation - Total Ionizing Dose (TID):
    • TID characterized up to 50krad(Si)
    • TID performance assurance up to 30krad(Si)
    • Radiation Lot Acceptance Testing (RLAT) for every wafer lot up to 30krad(Si)
  • Radiation - Single-Event Effects (SEE):
    • Single Event Latch-Up (SEL) immune up to 50MeV-cm2/mg at 125°C
    • Single Event Transient (SET) characterized up to LET = 50MeV-cm2/mg
  • Wide operating range of 1.2V to 5.5V

  • Single-supply voltage translator:

    • Up translation:

      • 1.2V to 1.8V

      • 1.5V to 2.5V

      • 1.8V to 3.3V

      • 3.3V to 5.0V

    • Down translation:

      • 5.0V, 3.3V, 2.5V to 1.8V
      • 5.0V, 3.3V to 2.5V
      • 5.0V to 3.3V
  • 5.5V tolerant input pins
  • Supports standard pinouts
  • Up to 150Mbps with 5V or 3.3V VCC
  • Latch-up performance exceeds 250mA per JESD 17
  • Space enhanced plastic:
    • Supports defense and aerospace applications
    • Controlled baseline
    • Au bondwire and NiPdAu lead finish
    • Meets NASA ASTM E595 outgassing specification
    • One fabrication, assembly, and test site
    • Extended product life cycle
    • Product traceability

Description

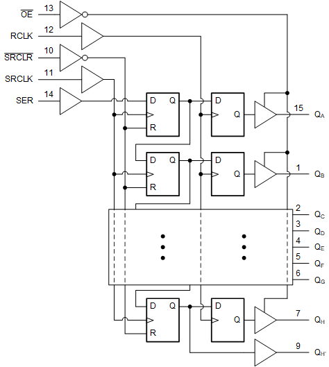
The SN54SC8T595-SEP device contains an 8-bit, serial-in, parallel-out shift register that feeds an 8-bit D-type storage register. The storage register has parallel 3-state outputs. Separate clocks are provided for both the shift and storage register. The shift register has a direct overriding clear ( SRCLR) input, serial (SER) input, and a serial output (QH’) for cascading. When the output-enable ( OE) input is high, the outputs are in a high-impedance state. Internal register data is not impacted by the operation of the OE input. The output level is referenced to the supply voltage (VCC) and supports 1.8V, 2.5V, 3.3V, and 5V CMOS levels.

The input is designed with a lower threshold circuit to support up translation for lower voltage CMOS inputs (for example, 1.2V input to 1.8V output or 1.8V input to 3.3V output). In addition, the 5V tolerant input pins enable down translation (for example, 3.3V to 2.5V output).

The SN54SC8T595-SEP device contains an 8-bit, serial-in, parallel-out shift register that feeds an 8-bit D-type storage register. The storage register has parallel 3-state outputs. Separate clocks are provided for both the shift and storage register. The shift register has a direct overriding clear ( SRCLR) input, serial (SER) input, and a serial output (QH’) for cascading. When the output-enable ( OE) input is high, the outputs are in a high-impedance state. Internal register data is not impacted by the operation of the OE input. The output level is referenced to the supply voltage (VCC) and supports 1.8V, 2.5V, 3.3V, and 5V CMOS levels.

The input is designed with a lower threshold circuit to support up translation for lower voltage CMOS inputs (for example, 1.2V input to 1.8V output or 1.8V input to 3.3V output). In addition, the 5V tolerant input pins enable down translation (for example, 3.3V to 2.5V output).

Subscribe to Welllinkchips !
Your Name
* Email
Submit a request