0
OPA2188-Q1
  • OPA2188-Q1
  • OPA2188-Q1

OPA2188-Q1

ACTIVE

Automotive-Qualified 0.03µV/°C Drift, 6µV Vos, Low-Noise, RRO, 36V, Zero-Drift Op Amp

Texas Instruments OPA2188-Q1 Product Info

1 April 2026 0

Parameters

Number of channels

2

Total supply voltage (+5 V = 5, ±5 V = 10) (max) (V)

36

Total supply voltage (+5 V = 5, ±5 V = 10) (min) (V)

4

Vos (offset voltage at 25°C) (max) (mV)

0.025

Offset drift (typ) (µV/°C)

0.03

Input bias current (max) (pA)

1400

GBW (typ) (MHz)

2

Features

EMI Hardened, Zero Drift

Slew rate (typ) (V/µs)

0.8

Rail-to-rail

In to V-, Out

Iq per channel (typ) (mA)

0.45

Vn at 1 kHz (typ) (nV√Hz)

8.8

CMRR (typ) (dB)

126

Rating

Automotive

Operating temperature range (°C)

-40 to 125

TI functional safety category

Functional Safety-Capable

Iout (typ) (A)

0.018

Architecture

CMOS

Input common mode headroom (to negative supply) (typ) (V)

0

Input common mode headroom (to positive supply) (typ) (V)

-1.5

Output swing headroom (to negative supply) (typ) (V)

0.22

Output swing headroom (to positive supply) (typ) (V)

-0.22

THD + N at 1 kHz (typ) (%)

0.0001

Package

VSSOP (DGK)-8-14.7 mm² 3 x 4.9

Features

  • Qualified for Automotive Applications
  • AEC-Q100 Qualified With the Following Results:
    • OPA188-Q1 Device Temperature Grade 1:
      –40°C to +125°C
    • OPA2188-Q1 Device Temperature Grade 2:
      –40°C to +105°C
    • Device HBM ESD Classification Level 1C
    • Device CDM ESD Classification Level C5
  • Wide Supply Range: ±2 V to ±18 V
  • Low Offset Voltage: 25 µV (Maximum)
  • Zero-Drift: 0.03 µV/°C
  • Low Noise: 8.8 nV/√Hz
    • 0.1-Hz to 10-Hz Noise: 0.25 µVPP
  • Excellent DC Precision:
    • PSRR: 142 dB
    • CMRR: 146 dB
    • Open-Loop Gain: 136 dB
  • Gain Bandwidth: 2 MHz
  • Quiescent Current: 510 µA (Maximum)
  • Wide Supply Range: ±2 V to ±18 V
  • Rail-to-Rail Output
  • Input Includes Negative Rail
  • RFI Filtered Inputs
  • Qualified for Automotive Applications
  • AEC-Q100 Qualified With the Following Results:
    • OPA188-Q1 Device Temperature Grade 1:
      –40°C to +125°C
    • OPA2188-Q1 Device Temperature Grade 2:
      –40°C to +105°C
    • Device HBM ESD Classification Level 1C
    • Device CDM ESD Classification Level C5
  • Wide Supply Range: ±2 V to ±18 V
  • Low Offset Voltage: 25 µV (Maximum)
  • Zero-Drift: 0.03 µV/°C
  • Low Noise: 8.8 nV/√Hz
    • 0.1-Hz to 10-Hz Noise: 0.25 µVPP
  • Excellent DC Precision:
    • PSRR: 142 dB
    • CMRR: 146 dB
    • Open-Loop Gain: 136 dB
  • Gain Bandwidth: 2 MHz
  • Quiescent Current: 510 µA (Maximum)
  • Wide Supply Range: ±2 V to ±18 V
  • Rail-to-Rail Output
  • Input Includes Negative Rail
  • RFI Filtered Inputs

Description

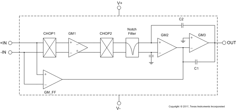
The OPAx188-Q1 operational amplifier family uses TI’s proprietary zero drift techniques to provide low offset voltage (25-µV maximum) and near zero-drift over time and temperature. This miniature, high-precision, low-quiescent current amplifier family offers high input impedance and rail-to-rail output swing within 15 mV of the rails. The input common-mode range includes the negative rail. Either single or dual supplies can be used in the range from 4 V to 36 V (±2 V to ±18 V).

The OPA188-Q1 and OPA2188-Q1 are both offered in VSSOP-8. The single-channel version
(OPA188-Q1) is fully specified from –40°C to +125°C, and the dual-channel version (OPA2188-Q1) is fully specified from –40°C to +105°C.

The OPAx188-Q1 operational amplifier family uses TI’s proprietary zero drift techniques to provide low offset voltage (25-µV maximum) and near zero-drift over time and temperature. This miniature, high-precision, low-quiescent current amplifier family offers high input impedance and rail-to-rail output swing within 15 mV of the rails. The input common-mode range includes the negative rail. Either single or dual supplies can be used in the range from 4 V to 36 V (±2 V to ±18 V).

The OPA188-Q1 and OPA2188-Q1 are both offered in VSSOP-8. The single-channel version
(OPA188-Q1) is fully specified from –40°C to +125°C, and the dual-channel version (OPA2188-Q1) is fully specified from –40°C to +105°C.

Subscribe to Welllinkchips !
Your Name
* Email
Submit a request