0
BQ76200
  • BQ76200
  • BQ76200

BQ76200

ACTIVE

High-side n-channel FET driver

Texas Instruments BQ76200 Product Info

1 April 2026 0

Parameters

Rating

Catalog

Number of series cells (max)

16

Number of series cells (min)

3

Features

High-side N-FET driver

Operating current (typ) (µA)

40

Vin (max) (V)

75

Operating temperature range (°C)

-40 to 85

Package

TSSOP (PW)-16-32 mm² 5 x 6.4

Features

  • CHG and DSG high-side NMOS FET drivers for battery protection fast FET turn-on and turn-off times
  • Pre-charge PFET driver (for current-limited pre-charge of significantly depleted cell-pack)
  • Independent digital enable control for charging and discharging
  • Minimal external components needed
  • Scalable external capacitor-based charge pump to accommodate a different range of FETs in parallel
  • High-voltage tolerant (100-V absolute maximum)
  • Internal switch to enable pack-voltage sensing
  • Common and separate charge and discharge path configuration support
  • Designed to work directly with bq76940, bq76930, and bq76920 battery monitors
  • Current consumption:
    • NORMAL mode: 40 µA
    • SHUTDOWN: < 10 µA maximum
  • CHG and DSG high-side NMOS FET drivers for battery protection fast FET turn-on and turn-off times
  • Pre-charge PFET driver (for current-limited pre-charge of significantly depleted cell-pack)
  • Independent digital enable control for charging and discharging
  • Minimal external components needed
  • Scalable external capacitor-based charge pump to accommodate a different range of FETs in parallel
  • High-voltage tolerant (100-V absolute maximum)
  • Internal switch to enable pack-voltage sensing
  • Common and separate charge and discharge path configuration support
  • Designed to work directly with bq76940, bq76930, and bq76920 battery monitors
  • Current consumption:
    • NORMAL mode: 40 µA
    • SHUTDOWN: < 10 µA maximum

Description

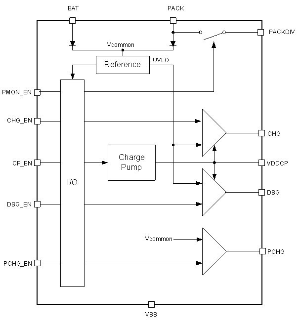
The bq76200 device is a low-power, high-side, N-channel system. A high-side protection avoids ground disconnection in the system and also allows continuous communication between the battery pack and host system. The device has additional P-Channel FET control to allow low-current pre-charge to a deeply depleted battery, and a PACK+ voltage monitor control for the host to sense the PACK+ voltage.

The independent enable inputs allow CHG and DSG FETs to be turned on and off separately, offering great implementation flexibility in battery systems.

The bq76200 device can be used with a companion analog front end (AFE) device such as the bq76920/30/40 family, a 3-series to 15-series Cell Analog Front End Monitoring, and a host microcontroller or dedicated state-of-charge (SOC) tracking gas gauge device.

The bq76200 device is a low-power, high-side, N-channel system. A high-side protection avoids ground disconnection in the system and also allows continuous communication between the battery pack and host system. The device has additional P-Channel FET control to allow low-current pre-charge to a deeply depleted battery, and a PACK+ voltage monitor control for the host to sense the PACK+ voltage.

The independent enable inputs allow CHG and DSG FETs to be turned on and off separately, offering great implementation flexibility in battery systems.

The bq76200 device can be used with a companion analog front end (AFE) device such as the bq76920/30/40 family, a 3-series to 15-series Cell Analog Front End Monitoring, and a host microcontroller or dedicated state-of-charge (SOC) tracking gas gauge device.

Subscribe to Welllinkchips !
Your Name
* Email
Submit a request