0
OPA2180-Q1
  • OPA2180-Q1
  • OPA2180-Q1

OPA2180-Q1

ACTIVE

Automotive-Qualified 0.1 uV/°C Drift, Low Noise, RRO, 36V, Zero-Drift Op Amp

Texas Instruments OPA2180-Q1 Product Info

1 April 2026 1

Parameters

Number of channels

2

Total supply voltage (+5 V = 5, ±5 V = 10) (max) (V)

36

Total supply voltage (+5 V = 5, ±5 V = 10) (min) (V)

4

Vos (offset voltage at 25°C) (max) (mV)

0.075

Offset drift (typ) (µV/°C)

0.1

Input bias current (max) (pA)

1000

GBW (typ) (MHz)

2

Features

EMI Hardened, Zero Drift

Slew rate (typ) (V/µs)

0.8

Rail-to-rail

In to V-, Out

Iq per channel (typ) (mA)

0.45

Vn at 1 kHz (typ) (nV√Hz)

10

CMRR (typ) (dB)

114

Rating

Automotive

Operating temperature range (°C)

-40 to 105

Iout (typ) (A)

0.018

Architecture

CMOS

Input common mode headroom (to negative supply) (typ) (V)

0

Input common mode headroom (to positive supply) (typ) (V)

-1.5

Output swing headroom (to negative supply) (typ) (V)

0.25

Output swing headroom (to positive supply) (typ) (V)

-0.25

THD + N at 1 kHz (typ) (%)

0.0001

Package

VSSOP (DGK)-8-14.7 mm² 3 x 4.9

Features

  • Qualified for Automotive Applications
  • AEC-Q100 Qualified With the Following Results:
    • OPA180-Q1 Device Temperature Grade 1:
      –40°C to +125°C Ambient Operating Temperature Range
    • OPA2180-Q1 Device Temperature Grade 2:
      –40°C to +105°C Ambient Operating Temperature Range
    • Device HBM ESD Classification Level 1C
    • Device CDM ESD Classification Level C5
    • Wide Supply Range: ±2 V to ±18 V
    • Low Offset Voltage: 75 µV (Maximum)
    • Zero Drift: 0.1 µV/°C
    • Low Noise: 10 nV/√Hz
    • Very Low 1/f Noise
    • Excellent DC Precision:
      • PSRR: 126 dB
      • CMRR: 114 dB
      • Open-Loop Gain (AOL): 120 dB
    • Quiescent Current: 525 µA (Maximum)
    • Rail-to-Rail Output:
      Input Includes Negative Rail
    • Low Bias Current: 250 pA (Typical)
    • RFI Filtered Inputs
    • MicroSIZE Packages
  • Qualified for Automotive Applications
  • AEC-Q100 Qualified With the Following Results:
    • OPA180-Q1 Device Temperature Grade 1:
      –40°C to +125°C Ambient Operating Temperature Range
    • OPA2180-Q1 Device Temperature Grade 2:
      –40°C to +105°C Ambient Operating Temperature Range
    • Device HBM ESD Classification Level 1C
    • Device CDM ESD Classification Level C5
    • Wide Supply Range: ±2 V to ±18 V
    • Low Offset Voltage: 75 µV (Maximum)
    • Zero Drift: 0.1 µV/°C
    • Low Noise: 10 nV/√Hz
    • Very Low 1/f Noise
    • Excellent DC Precision:
      • PSRR: 126 dB
      • CMRR: 114 dB
      • Open-Loop Gain (AOL): 120 dB
    • Quiescent Current: 525 µA (Maximum)
    • Rail-to-Rail Output:
      Input Includes Negative Rail
    • Low Bias Current: 250 pA (Typical)
    • RFI Filtered Inputs
    • MicroSIZE Packages

Description

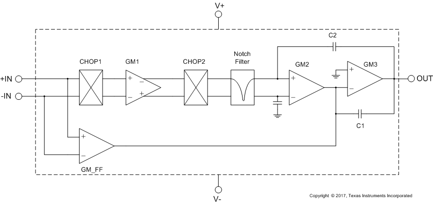
The OPA180-Q1 and OPA2180-Q1 operational amplifiers (op amps) use TI’s proprietary zero-drift techniques to simultaneously provide low offset voltage (75 µV), and near zero-drift over time and temperature. These miniature, high-precision, low-quiescent-current op amps offer high input impedance and rail-to-rail output swing within 18 mV of the rails. The input common-mode range includes the negative rail. Single- or dual-supplies ranging from 4 V to 36 V (±2 V to ±18 V) can be used.

The single-channel and dual-channel versions are offered in VSSOP-8 packages. The single package offering (OPA180-Q1) is specified from –40°C to +125°C, and the dual package (OPA2180-Q1) is specified from –40°C to +105°C.

The OPA180-Q1 and OPA2180-Q1 operational amplifiers (op amps) use TI’s proprietary zero-drift techniques to simultaneously provide low offset voltage (75 µV), and near zero-drift over time and temperature. These miniature, high-precision, low-quiescent-current op amps offer high input impedance and rail-to-rail output swing within 18 mV of the rails. The input common-mode range includes the negative rail. Single- or dual-supplies ranging from 4 V to 36 V (±2 V to ±18 V) can be used.

The single-channel and dual-channel versions are offered in VSSOP-8 packages. The single package offering (OPA180-Q1) is specified from –40°C to +125°C, and the dual package (OPA2180-Q1) is specified from –40°C to +105°C.

Subscribe to Welllinkchips !
Your Name
* Email
Submit a request