0
OPA2170
  • OPA2170
  • OPA2170
  • OPA2170
  • OPA2170
  • OPA2170
  • OPA2170

OPA2170

ACTIVE

Dual, 36-V, 1.2-MHz, low-power operational amplifier

Texas Instruments OPA2170 Product Info

1 April 2026 1

Parameters

Number of channels

2

Total supply voltage (+5 V = 5, ±5 V = 10) (max) (V)

36

Total supply voltage (+5 V = 5, ±5 V = 10) (min) (V)

2.7

Rail-to-rail

In to V-, Out

GBW (typ) (MHz)

1.2

Slew rate (typ) (V/µs)

0.4

Vos (offset voltage at 25°C) (max) (mV)

1.8

Iq per channel (typ) (mA)

0.1

Vn at 1 kHz (typ) (nV√Hz)

19

Rating

Catalog

Operating temperature range (°C)

-40 to 125

Offset drift (typ) (µV/°C)

0.3

Features

EMI Hardened, Small Size

Input bias current (max) (pA)

15

CMRR (typ) (dB)

120

Iout (typ) (A)

0.017

Architecture

CMOS

Input common mode headroom (to negative supply) (typ) (V)

-0.1

Input common mode headroom (to positive supply) (typ) (V)

-2

Output swing headroom (to negative supply) (typ) (V)

0.008

Output swing headroom (to positive supply) (typ) (V)

-0.15

Package

SOIC (D)-8-29.4 mm² 4.9 x 6

Features

  • Supply Range: 2.7 V to 36 V, ±1.35 V to ±18 V
  • Low Noise: 19 nV/√Hz
  • RFI Filtered Inputs
  • Input Range Includes the Negative Supply
  • Input Range Operates to Positive Supply
  • Rail-to-Rail Output
  • Gain Bandwidth: 1.2 MHz
  • Low Quiescent Current: 110 µA per Amplifier
  • High Common-Mode Rejection: 120 dB
  • Low Bias Current: 15 pA (Maximum)
  • Industry-Standard Packages and micro Packages Available
  • Create a Custom Design Using the OPAx170 With the WEBENCH® Power Designer
  • Supply Range: 2.7 V to 36 V, ±1.35 V to ±18 V
  • Low Noise: 19 nV/√Hz
  • RFI Filtered Inputs
  • Input Range Includes the Negative Supply
  • Input Range Operates to Positive Supply
  • Rail-to-Rail Output
  • Gain Bandwidth: 1.2 MHz
  • Low Quiescent Current: 110 µA per Amplifier
  • High Common-Mode Rejection: 120 dB
  • Low Bias Current: 15 pA (Maximum)
  • Industry-Standard Packages and micro Packages Available
  • Create a Custom Design Using the OPAx170 With the WEBENCH® Power Designer

Description

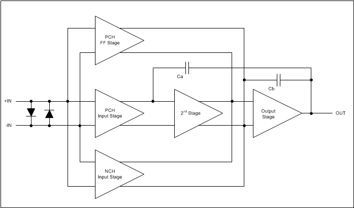
The OPA170, OPA2170, and OPA4170 devices (OPAx170) are a family of 36-V, single-supply, low-noise operational amplifiers (op amps) that feature micro packages with the ability to operate on supplies ranging from 2.7 V (±1.35 V) to 36 V (±18 V). They offer good offset, drift, and bandwidth with low quiescent current. The single, dual, and quad versions all have identical specifications for maximum design flexibility.

Unlike most op amps, which are specified at only one supply voltage, the OPAx170 family of op amps is specified from 2.7 V to 36 V. Input signals beyond the supply rails do not cause phase reversal. The OPAx170 family is stable with capacitive loads up to 300 pF. The input can operate 100 mV below the negative rail and within 2 V of the positive rail for normal operation. Note that these devices can operate with full rail-to-rail input 100 mV beyond the positive rail, but with reduced performance within 2 V of the positive rail. The OPAx170 op amps are specified from –40°C to +125°C.

The OPA170, OPA2170, and OPA4170 devices (OPAx170) are a family of 36-V, single-supply, low-noise operational amplifiers (op amps) that feature micro packages with the ability to operate on supplies ranging from 2.7 V (±1.35 V) to 36 V (±18 V). They offer good offset, drift, and bandwidth with low quiescent current. The single, dual, and quad versions all have identical specifications for maximum design flexibility.

Unlike most op amps, which are specified at only one supply voltage, the OPAx170 family of op amps is specified from 2.7 V to 36 V. Input signals beyond the supply rails do not cause phase reversal. The OPAx170 family is stable with capacitive loads up to 300 pF. The input can operate 100 mV below the negative rail and within 2 V of the positive rail for normal operation. Note that these devices can operate with full rail-to-rail input 100 mV beyond the positive rail, but with reduced performance within 2 V of the positive rail. The OPAx170 op amps are specified from –40°C to +125°C.

Subscribe to Welllinkchips !
Your Name
* Email
Submit a request