0
LM185QML
  • LM185QML
  • LM185QML
  • LM185QML
  • LM185QML

LM185QML

ACTIVE

Adjustable Micropower Voltage Reference

Texas Instruments LM185QML Product Info

1 April 2026 1

Parameters

Rating

Military

VO (V)

1.24

Initial accuracy (max) (%)

1

Iz for regulation (min) (µA)

10

VO adj (min) (V)

1.24

VO adj (max) (V)

5.3

Reference voltage (V)

adjustable

Operating temperature range (°C)

-55 to 125

Iout/Iz (max) (mA)

20

Package

CFP (NAC)-10-62.9285 mm² 9.91 x 6.35

Features

  • Adjustable from 1.24V to 5.30V
  • Operating Current of 10μA to 20mA
  • 1Ω Dynamic Impedance
  • Low Temperature Coefficient

All trademarks are the property of their respective owners.

  • Adjustable from 1.24V to 5.30V
  • Operating Current of 10μA to 20mA
  • 1Ω Dynamic Impedance
  • Low Temperature Coefficient

All trademarks are the property of their respective owners.

Description

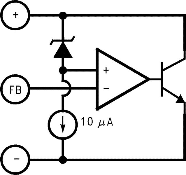
The LM185 are micropower 3-terminal adjustable band-gap voltage reference diodes. Operating from 1.24 to 5.3V and over a 10μA to 20mA current range, they feature exceptionally low dynamic impedance and good temperature stability. On-chip trimming is used to provide tight voltage tolerance. Since the LM185 band-gap reference uses only transistors and resistors, low noise and good long-term stability result.

Careful design of the LM185 has made the device tolerant of capacitive loading, making it easy to use in almost any reference application. The wide dynamic operating range allows its use with widely varying supplies with excellent regulation.

The extremely low power drain of the LM185 makes it useful for micropower circuitry. This voltage reference can be used to make portable meters, regulators or general purpose analog circuitry with battery life approaching shelf life. Further, the wide operating current allows it to replace older references with a tighter tolerance part.

The LM185 are micropower 3-terminal adjustable band-gap voltage reference diodes. Operating from 1.24 to 5.3V and over a 10μA to 20mA current range, they feature exceptionally low dynamic impedance and good temperature stability. On-chip trimming is used to provide tight voltage tolerance. Since the LM185 band-gap reference uses only transistors and resistors, low noise and good long-term stability result.

Careful design of the LM185 has made the device tolerant of capacitive loading, making it easy to use in almost any reference application. The wide dynamic operating range allows its use with widely varying supplies with excellent regulation.

The extremely low power drain of the LM185 makes it useful for micropower circuitry. This voltage reference can be used to make portable meters, regulators or general purpose analog circuitry with battery life approaching shelf life. Further, the wide operating current allows it to replace older references with a tighter tolerance part.

Subscribe to Welllinkchips !
Your Name
* Email
Submit a request