0
TMS320F28066
  • TMS320F28066
  • TMS320F28066
  • TMS320F28066
  • TMS320F28066
  • TMS320F28066

TMS320F28066

ACTIVE

C2000™ 32-bit MCU with 90 MHz, FPU, 256 KB flash, 68 KB RAM

Texas Instruments TMS320F28066 Product Info

1 April 2026 1

Parameters

CPU

1 C28

Frequency (MHz)

90

Flash memory (kByte)

256

RAM (kByte)

68

ADC type

1 12-bit SAR

Total processing (MIPS)

90

Features

FPU32

UART

2

CAN (#)

1

Sigma-delta filter

0

PWM (Ch)

14, 16

TI functional safety category

Functional Safety Quality-Managed

Number of ADC channels

12, 16

Direct memory access (Ch)

6

SPI

2

QEP

1, 2

USB

Yes

Hardware accelerators

Floating point unit

Edge AI enabled

Yes

Operating temperature range (°C)

-40 to 125

Rating

Catalog

Communication interface

CAN, I2C, SPI, UART

Operating system

FreeRTOS

Nonvolatile memory (kByte)

256

Number of GPIOs

54

Number of I2Cs

1

Security

Secure storage

Package

HTQFP (PFP)-80-196 mm² 14 x 14

Features

  • High-efficiency 32-bit CPU (TMS320C28x)
    • 90 MHz (11.11-ns cycle time)
    • 16 × 16 and 32 × 32 Multiply and Accumulate (MAC) operations
    • 16 × 16 dual MAC
    • Harvard bus architecture
    • Atomic operations
    • Fast interrupt response and processing
    • Unified memory programming model
    • Code-efficient (in C/C++ and Assembly)
  • Floating-Point Unit (FPU)
    • Native single-precision floating-point operations
  • Programmable Control Law Accelerator (CLA)
    • 32-bit floating-point math accelerator
    • Executes code independently of the main CPU
  • Viterbi, Complex Math, CRC Unit (VCU)
    • Extends C28x instruction set to support complex multiply, Viterbi operations, and Cyclic Redundency Check (CRC)
  • Embedded memory
    • Up to 256KB of flash
    • Up to 100KB of RAM
    • 2KB of One-Time Programmable (OTP) ROM
  • 6-channel Direct Memory Access (DMA)
  • Low device and system cost
    • Single 3.3-V supply
    • No power sequencing requirement
    • Integrated power-on reset and brownout reset
    • Low-power operating modes
    • No analog support pin
  • Endianness: Little endian
  • JTAG boundary scan support
    • IEEE Standard 1149.1-1990 Standard Test Access Port and Boundary Scan Architecture
  • Clocking
    • Two internal zero-pin oscillators
    • On-chip crystal oscillator/external clock input
    • Watchdog timer module
    • Missing clock detection circuitry
  • Peripheral Interrupt Expansion (PIE) block that supports all peripheral interrupts
  • Three 32-bit CPU timers
  • Advanced control peripherals
  • Up to 8 Enhanced Pulse-Width Modulator (ePWM) modules
    • 16 PWM channels total (8 HRPWM-capable)
    • Independent 16-bit timer in each module
  • Three input Enhanced Capture (eCAP) modules
  • Up to 4 High-Resolution Capture (HRCAP) modules
  • Up to 2 Enhanced Quadrature Encoder Pulse (eQEP) modules
  • 12-bit Analog-to-Digital Converter (ADC), dual Sample-and-Hold (S/H)
    • Up to 3.46 MSPS
    • Up to 16 channels
  • On-chip temperature sensor
  • 128-bit security key and lock
    • Protects secure memory blocks
    • Prevents reverse-engineering of firmware
  • Serial port peripherals
    • Two Serial Communications Interface (SCI) [UART] modules
    • Two Serial Peripheral Interface (SPI) modules
    • One Inter-Integrated-Circuit (I2C) bus
    • One Multichannel Buffered Serial Port (McBSP) bus
    • One Enhanced Controller Area Network (eCAN)
    • Universal Serial Bus (USB) 2.0 (see Device Comparison for availability)
      • Full-speed device mode
      • Full-speed or low-speed host mode
  • Up to 54 individually programmable, multiplexed General-Purpose Input/Output (GPIO) pins with input filtering
  • Advanced debug features
    • Analysis and breakpoint functions
    • Real-time debug through hardware
  • Package options
    • 80-pin PFP and 100-pin PZP PowerPAD™ Thermally Enhanced Thin Quad Flatpacks (HTQFPs)
    • 80-pin PN and 100-pin PZ Low-Profile Quad Flatpacks (LQFPs)
  • Temperature options
    • T: –40°C to 105°C
    • S: –40°C to 125°C
    • Q: –40°C to 125°C (AEC Q100 qualification for automotive applications)
  • High-efficiency 32-bit CPU (TMS320C28x)
    • 90 MHz (11.11-ns cycle time)
    • 16 × 16 and 32 × 32 Multiply and Accumulate (MAC) operations
    • 16 × 16 dual MAC
    • Harvard bus architecture
    • Atomic operations
    • Fast interrupt response and processing
    • Unified memory programming model
    • Code-efficient (in C/C++ and Assembly)
  • Floating-Point Unit (FPU)
    • Native single-precision floating-point operations
  • Programmable Control Law Accelerator (CLA)
    • 32-bit floating-point math accelerator
    • Executes code independently of the main CPU
  • Viterbi, Complex Math, CRC Unit (VCU)
    • Extends C28x instruction set to support complex multiply, Viterbi operations, and Cyclic Redundency Check (CRC)
  • Embedded memory
    • Up to 256KB of flash
    • Up to 100KB of RAM
    • 2KB of One-Time Programmable (OTP) ROM
  • 6-channel Direct Memory Access (DMA)
  • Low device and system cost
    • Single 3.3-V supply
    • No power sequencing requirement
    • Integrated power-on reset and brownout reset
    • Low-power operating modes
    • No analog support pin
  • Endianness: Little endian
  • JTAG boundary scan support
    • IEEE Standard 1149.1-1990 Standard Test Access Port and Boundary Scan Architecture
  • Clocking
    • Two internal zero-pin oscillators
    • On-chip crystal oscillator/external clock input
    • Watchdog timer module
    • Missing clock detection circuitry
  • Peripheral Interrupt Expansion (PIE) block that supports all peripheral interrupts
  • Three 32-bit CPU timers
  • Advanced control peripherals
  • Up to 8 Enhanced Pulse-Width Modulator (ePWM) modules
    • 16 PWM channels total (8 HRPWM-capable)
    • Independent 16-bit timer in each module
  • Three input Enhanced Capture (eCAP) modules
  • Up to 4 High-Resolution Capture (HRCAP) modules
  • Up to 2 Enhanced Quadrature Encoder Pulse (eQEP) modules
  • 12-bit Analog-to-Digital Converter (ADC), dual Sample-and-Hold (S/H)
    • Up to 3.46 MSPS
    • Up to 16 channels
  • On-chip temperature sensor
  • 128-bit security key and lock
    • Protects secure memory blocks
    • Prevents reverse-engineering of firmware
  • Serial port peripherals
    • Two Serial Communications Interface (SCI) [UART] modules
    • Two Serial Peripheral Interface (SPI) modules
    • One Inter-Integrated-Circuit (I2C) bus
    • One Multichannel Buffered Serial Port (McBSP) bus
    • One Enhanced Controller Area Network (eCAN)
    • Universal Serial Bus (USB) 2.0 (see Device Comparison for availability)
      • Full-speed device mode
      • Full-speed or low-speed host mode
  • Up to 54 individually programmable, multiplexed General-Purpose Input/Output (GPIO) pins with input filtering
  • Advanced debug features
    • Analysis and breakpoint functions
    • Real-time debug through hardware
  • Package options
    • 80-pin PFP and 100-pin PZP PowerPAD™ Thermally Enhanced Thin Quad Flatpacks (HTQFPs)
    • 80-pin PN and 100-pin PZ Low-Profile Quad Flatpacks (LQFPs)
  • Temperature options
    • T: –40°C to 105°C
    • S: –40°C to 125°C
    • Q: –40°C to 125°C (AEC Q100 qualification for automotive applications)

Description

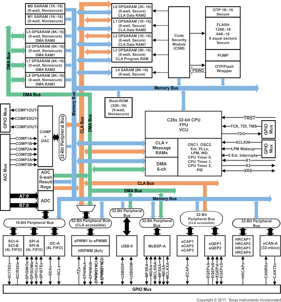
C2000™ 32-bit microcontrollers are optimized for processing, sensing, and actuation to improve closed-loop performance in real-time control applications such as industrial motor drives; solar inverters and digital power; electrical vehicles and transportation; motor control; and sensing and signal processing. The C2000 line includes the Premium performance MCUs and the Entry performance MCUs.

The F2806x family of microcontrollers (MCUs) provides the power of the C28x core and CLA coupled with highly integrated control peripherals in low pin-count devices. This family is code-compatible with previous C28x-based code, and also provides a high level of analog integration.

An internal voltage regulator allows for single-rail operation. Enhancements have been made to the HRPWM module to allow for dual-edge control (frequency modulation). Analog comparators with internal 10-bit references have been added and can be routed directly to control the ePWM outputs. The ADC converts from 0 to 3.3-V fixed full-scale range and supports ratio-metric VREFHI/VREFLO references. The ADC interface has been optimized for low overhead and latency.

To learn more about the C2000 MCUs, visit the C2000 Overview at www.ti.com/c2000.

C2000™ 32-bit microcontrollers are optimized for processing, sensing, and actuation to improve closed-loop performance in real-time control applications such as industrial motor drives; solar inverters and digital power; electrical vehicles and transportation; motor control; and sensing and signal processing. The C2000 line includes the Premium performance MCUs and the Entry performance MCUs.

The F2806x family of microcontrollers (MCUs) provides the power of the C28x core and CLA coupled with highly integrated control peripherals in low pin-count devices. This family is code-compatible with previous C28x-based code, and also provides a high level of analog integration.

An internal voltage regulator allows for single-rail operation. Enhancements have been made to the HRPWM module to allow for dual-edge control (frequency modulation). Analog comparators with internal 10-bit references have been added and can be routed directly to control the ePWM outputs. The ADC converts from 0 to 3.3-V fixed full-scale range and supports ratio-metric VREFHI/VREFLO references. The ADC interface has been optimized for low overhead and latency.

To learn more about the C2000 MCUs, visit the C2000 Overview at www.ti.com/c2000.

Subscribe to Welllinkchips !
Your Name
* Email
Submit a request