0
OPA170-Q1
  • OPA170-Q1
  • OPA170-Q1

OPA170-Q1

ACTIVE

Automotive-grade, single, 36-V, 1.2-MHz, low-power operational amplifier

Texas Instruments OPA170-Q1 Product Info

1 April 2026 0

Parameters

Number of channels

1

Total supply voltage (+5 V = 5, ±5 V = 10) (max) (V)

36

Total supply voltage (+5 V = 5, ±5 V = 10) (min) (V)

2.7

Rail-to-rail

In to V-, Out

GBW (typ) (MHz)

1.2

Slew rate (typ) (V/µs)

0.4

Vos (offset voltage at 25°C) (max) (mV)

1.8

Iq per channel (typ) (mA)

0.1

Vn at 1 kHz (typ) (nV√Hz)

19

Rating

Automotive

Operating temperature range (°C)

-40 to 125

Offset drift (typ) (µV/°C)

0.3

Features

EMI Hardened

Input bias current (max) (pA)

15

CMRR (typ) (dB)

120

Iout (typ) (A)

0.017

Architecture

CMOS

Input common mode headroom (to negative supply) (typ) (V)

-0.1

Input common mode headroom (to positive supply) (typ) (V)

-2

Output swing headroom (to negative supply) (typ) (V)

0.008

Output swing headroom (to positive supply) (typ) (V)

-0.15

Package

SOT-23 (DBV)-5-8.12 mm² 2.9 x 2.8

Features

  • Qualified for Automotive Applications
  • AEC-Q100 Qualified With the Following Results:
    • Device Temperature Grade 1: –40°C to +125°C Ambient Operating Temperature
    • Device HBM ESD Classification Level 3A
    • Device CDM ESD Classification Level C5
  • Supply Range: 2.7 V to 36 V, ±1.35 V to ±18 V
  • Low Noise: 19 nV/√Hz
  • RFI Filtered Inputs
  • Input Range Includes the Negative Supply
  • Input Range Operates to Positive Supply
  • Rail-to-Rail Output
  • Gain Bandwidth: 1.2 MHz
  • Low Quiescent Current: 110 µA per Amplifier
  • High Common-Mode Rejection: 120 dB
  • Low Bias Current: 15 pA (Maximum)
  • Number of Channels:
    • OPA170-Q1: 1
    • OPA2170-Q1: 2
    • OPA4170-Q1: 4
  • Industry-Standard Packages
  • Qualified for Automotive Applications
  • AEC-Q100 Qualified With the Following Results:
    • Device Temperature Grade 1: –40°C to +125°C Ambient Operating Temperature
    • Device HBM ESD Classification Level 3A
    • Device CDM ESD Classification Level C5
  • Supply Range: 2.7 V to 36 V, ±1.35 V to ±18 V
  • Low Noise: 19 nV/√Hz
  • RFI Filtered Inputs
  • Input Range Includes the Negative Supply
  • Input Range Operates to Positive Supply
  • Rail-to-Rail Output
  • Gain Bandwidth: 1.2 MHz
  • Low Quiescent Current: 110 µA per Amplifier
  • High Common-Mode Rejection: 120 dB
  • Low Bias Current: 15 pA (Maximum)
  • Number of Channels:
    • OPA170-Q1: 1
    • OPA2170-Q1: 2
    • OPA4170-Q1: 4
  • Industry-Standard Packages

Description

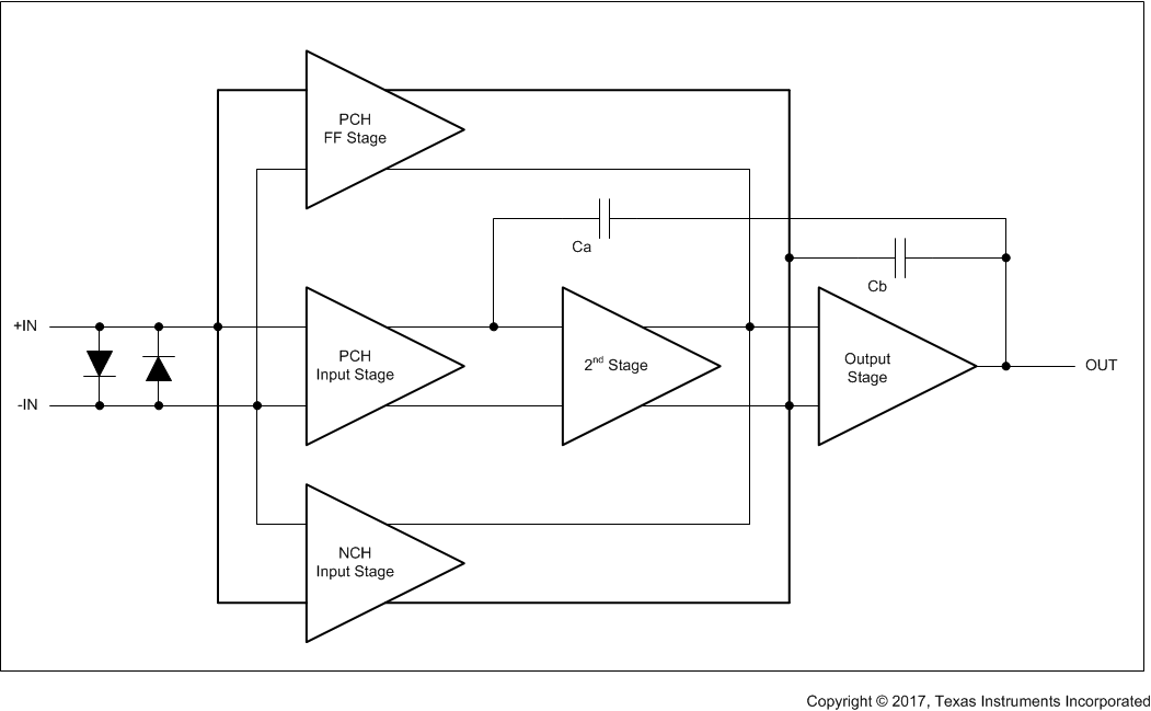
The OPA170-Q1, OPA2170-Q1, and OPA4170-Q1 devices (OPAx170-Q1) are a family of 36-V, single-supply, low-noise operational amplifiers that feature micro packages with the ability to operate on supplies ranging from 2.7 V (±1.35 V) to 36 V (±18 V). They offer good offset, drift, and bandwidth with low quiescent current.

Unlike most operational amplifiers, which are specified at only one supply voltage, the OPAx170-Q1 family of operational amplifiers is specified from 2.7 V to 36 V. Input signals beyond the supply rails do not cause phase reversal. The OPAx170-Q1 family is stable with capacitive loads up to 300 pF. The input can operate 100 mV below the negative rail and within 2 V of the positive rail for normal operation. Note that these devices can operate with full rail-to-rail input 100 mV beyond the positive rail, but with reduced performance within 2 V of the positive rail. The OPAx170-Q1 operational amplifiers are specified from –40°C to +125°C.

The OPA170-Q1, OPA2170-Q1, and OPA4170-Q1 devices (OPAx170-Q1) are a family of 36-V, single-supply, low-noise operational amplifiers that feature micro packages with the ability to operate on supplies ranging from 2.7 V (±1.35 V) to 36 V (±18 V). They offer good offset, drift, and bandwidth with low quiescent current.

Unlike most operational amplifiers, which are specified at only one supply voltage, the OPAx170-Q1 family of operational amplifiers is specified from 2.7 V to 36 V. Input signals beyond the supply rails do not cause phase reversal. The OPAx170-Q1 family is stable with capacitive loads up to 300 pF. The input can operate 100 mV below the negative rail and within 2 V of the positive rail for normal operation. Note that these devices can operate with full rail-to-rail input 100 mV beyond the positive rail, but with reduced performance within 2 V of the positive rail. The OPAx170-Q1 operational amplifiers are specified from –40°C to +125°C.

Subscribe to Welllinkchips !
Your Name
* Email
Submit a request