0
MAX3232E-Q1
  • MAX3232E-Q1
  • MAX3232E-Q1
  • MAX3232E-Q1

MAX3232E-Q1

ACTIVE

Automotive 3- to 5.5-V 250kbps RS-232 line driver/receiver with +/-15-kV IEC-ESD protection

Texas Instruments MAX3232E-Q1 Product Info

1 April 2026 0

Parameters

Drivers per package

2

Receivers per package

2

Logic voltage (min) (V)

3.3

Data rate (max) (Mbps)

0.25

Main supply voltage (nom) (V)

3.3, 5

ESD HBM (kV)

15

Rating

Automotive

Operating temperature range (°C)

-40 to 85

Vout (typ) (V)

5.4

Package

TSSOP (PW)-16-32 mm² 5 x 6.4

Features

  • Qualified for automotive applications
  • Meets or exceeds the requirements of TIA/EIA-232-F and ITU v.28 standards
  • Operates with 3V to 5.5V VCC supply
  • Operates up to 250kbit/s
  • Two drivers and two receivers
  • Low standby current: 300µA Typical
  • External capacitors: 4 × 0.1µF
  • Accepts 5V logic input with 3.3V supply
  • Pin compatible to alternative high-speed pin-compatible device (1Mbit/s): SNx5C3232
  • Qualified for automotive applications
  • Meets or exceeds the requirements of TIA/EIA-232-F and ITU v.28 standards
  • Operates with 3V to 5.5V VCC supply
  • Operates up to 250kbit/s
  • Two drivers and two receivers
  • Low standby current: 300µA Typical
  • External capacitors: 4 × 0.1µF
  • Accepts 5V logic input with 3.3V supply
  • Pin compatible to alternative high-speed pin-compatible device (1Mbit/s): SNx5C3232

Description

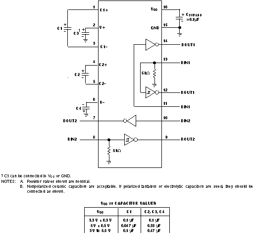
The MAX3232E device consists of two line drivers, two line receivers, and a dual charge-pump circuit with ±15kV IEC ESD protection pin to pin (serial-port connection pins, including GND). The device meets the requirements of TIA/EIA-232-F and provides the electrical interface between an asynchronous communication controller and the serial-port connector. The charge pump and four small external capacitors allow operation from a single 3V to 5.5V supply. The device operates at data signaling rates up to 250kbit/s and a maximum of 30V/µs driver output slew rate.

The MAX3232E device consists of two line drivers, two line receivers, and a dual charge-pump circuit with ±15kV IEC ESD protection pin to pin (serial-port connection pins, including GND). The device meets the requirements of TIA/EIA-232-F and provides the electrical interface between an asynchronous communication controller and the serial-port connector. The charge pump and four small external capacitors allow operation from a single 3V to 5.5V supply. The device operates at data signaling rates up to 250kbit/s and a maximum of 30V/µs driver output slew rate.

Subscribe to Welllinkchips !
Your Name
* Email
Submit a request