0
TL16C550D
  • TL16C550D
  • TL16C550D
  • TL16C550D
  • TL16C550D
  • TL16C550D

TL16C550D

ACTIVE

Asynchronous Communications Element With Autoflow Control

Texas Instruments TL16C550D Product Info

1 April 2026 1

Parameters

Number of channels

1

FIFO (Byte)

16

Rx FIFO trigger levels (#)

4

Programmable FIFO trigger levels

No

CPU interface

X86

Baud rate at Vcc = 2.5 V & with 16x sampling (max) (Mbps)

1

Baud rate at Vcc = 3.3 V & with 16x sampling (max) (Mbps)

1.25, 2.5, 3

Baud rate at Vcc = 5 V & with 16x sampling (max) (Mbps)

1.5

Operating voltage (V)

2.5, 3.3, 5

Auto RTS/CTS

Yes

Rating

Catalog

Operating temperature range (°C)

-40 to 85

Package

LQFP (PT)-48-81 mm² 9 x 9

Features

  • Programmable Auto-RTS and Auto-CTS
  • In Auto-CTS Mode, CTS Controls Transmitter
  • In Auto-RTS Mode, RCV FIFO Contents
    and Threshold Control RTS
  • Serial and Modem Control Outputs Drive a RJ11 Cable
    Directly When Equipment Is on the Same Power Drop
  • Capable of Running With All Existing
    TL16C450 Software
  • After Reset, All Registers Are Identical to the
    TL16C450 Register Set
  • Up to 24-MHz Clock Rate for up to 1.5-Mbaud
    Operation With VCC = 5 V
  • Up to 20-MHz Clock Rate for up to 1.25-Mbaud
    Operation With VCC = 3.3 V
  • Up to 48-MHz Clock Rate for up to 3-Mbaud
    Operation with VCC = 3.3 V (ZQS Package Only,
    Divisor = 1)
  • Up to 40-MHz Clock Rate for up to 2.5-Mbaud
    Operation with VCC = 3.3 V (ZQS Package Only,
    Divisor ≥ 2)
  • Up to 16-MHz Clock Rate for up to 1-Mbaud
    Operation With VCC = 2.5 V
  • In the TL16C450 Mode, Hold and Shift Registers Eliminate the
    Need for Precise Synchronization Between the CPU and Serial Data
  • Programmable Baud Rate Generator Allows Division of Any Input
    Reference Clock by 1 to (216 –1) and Generates an Internal 16× Clock
  • Standard Asynchronous Communication Bits (Start, Stop, and Parity)
    Added to or Deleted From the Serial Data Stream
  • 5-V, 3.3-V, and 2.5-V Operation
  • Independent Receiver Clock Input
  • Transmit, Receive, Line Status, and Data Set
    Interrupts Independently Controlled
  • Fully Programmable Serial Interface Characteristics:
    • 5-, 6-, 7-, or 8-Bit Characters
    • Even-, Odd-, or No-Parity Bit Generation and Detection
    • 1-, 1 =-, or 2-Stop Bit Generation
    • Baud Generation (dc to 1 Mbit/s)
  • False-Start Bit Detection
  • Complete Status Reporting Capabilities
  • 3-State Output TTL Drive Capabilities for Bidirectional
    Data Bus and Control Bus
  • Line Break Generation and Detection
  • Internal Diagnostic Capabilities:
    • Loopback Controls for Communications Link Fault Isolation
    • Break, Parity, Overrun, and Framing Error Simulation
  • Fully Prioritized Interrupt System Controls
  • Modem Control Functions (CTS, RTS, DSR, DTR, RI, and DCD)
  • Available in 48-Pin PT, 48-Pin PFB, 32-Pin RHB,
    and 24-Pin ZQS Packages

  • Programmable Auto-RTS and Auto-CTS
  • In Auto-CTS Mode, CTS Controls Transmitter
  • In Auto-RTS Mode, RCV FIFO Contents
    and Threshold Control RTS
  • Serial and Modem Control Outputs Drive a RJ11 Cable
    Directly When Equipment Is on the Same Power Drop
  • Capable of Running With All Existing
    TL16C450 Software
  • After Reset, All Registers Are Identical to the
    TL16C450 Register Set
  • Up to 24-MHz Clock Rate for up to 1.5-Mbaud
    Operation With VCC = 5 V
  • Up to 20-MHz Clock Rate for up to 1.25-Mbaud
    Operation With VCC = 3.3 V
  • Up to 48-MHz Clock Rate for up to 3-Mbaud
    Operation with VCC = 3.3 V (ZQS Package Only,
    Divisor = 1)
  • Up to 40-MHz Clock Rate for up to 2.5-Mbaud
    Operation with VCC = 3.3 V (ZQS Package Only,
    Divisor ≥ 2)
  • Up to 16-MHz Clock Rate for up to 1-Mbaud
    Operation With VCC = 2.5 V
  • In the TL16C450 Mode, Hold and Shift Registers Eliminate the
    Need for Precise Synchronization Between the CPU and Serial Data
  • Programmable Baud Rate Generator Allows Division of Any Input
    Reference Clock by 1 to (216 –1) and Generates an Internal 16× Clock
  • Standard Asynchronous Communication Bits (Start, Stop, and Parity)
    Added to or Deleted From the Serial Data Stream
  • 5-V, 3.3-V, and 2.5-V Operation
  • Independent Receiver Clock Input
  • Transmit, Receive, Line Status, and Data Set
    Interrupts Independently Controlled
  • Fully Programmable Serial Interface Characteristics:
    • 5-, 6-, 7-, or 8-Bit Characters
    • Even-, Odd-, or No-Parity Bit Generation and Detection
    • 1-, 1 =-, or 2-Stop Bit Generation
    • Baud Generation (dc to 1 Mbit/s)
  • False-Start Bit Detection
  • Complete Status Reporting Capabilities
  • 3-State Output TTL Drive Capabilities for Bidirectional
    Data Bus and Control Bus
  • Line Break Generation and Detection
  • Internal Diagnostic Capabilities:
    • Loopback Controls for Communications Link Fault Isolation
    • Break, Parity, Overrun, and Framing Error Simulation
  • Fully Prioritized Interrupt System Controls
  • Modem Control Functions (CTS, RTS, DSR, DTR, RI, and DCD)
  • Available in 48-Pin PT, 48-Pin PFB, 32-Pin RHB,
    and 24-Pin ZQS Packages

Description

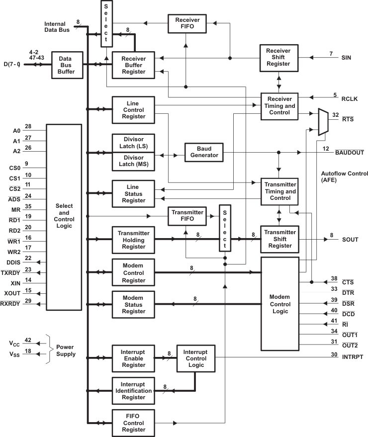
The TL16C550D and the TL16C550DI are speed and operating voltage upgrades (but functional equivalents) of the TL16C550C asynchronous communications element (ACE), which in turn is a functional upgrade of the TL16C450. Functionally equivalent to the TL16C450 on power up (character or TL16C450 mode), the TL16C550D and the TL16C550DI, like the TL16C550C, can be placed in an alternate FIFO mode. This relieves the CPU of excessive software overhead by buffering received and transmitted characters. The receiver and transmitter FIFOs store up to 16 bytes including three additional bits of error status per byte for the receiver FIFO. In the FIFO mode, there is a selectable autoflow control feature that can significantly reduce software overload and increase system efficiency by automatically controlling serial data flow using RTS output and CTS input signals.

The TL16C550D and TL16C550DI perform serial-to-parallel conversions on data received from a peripheral device or modem and parallel-to-serial conversion on data received from its CPU. The CPU can read the ACE status at any time. The ACE includes complete modem control capability and a processor interrupt system that can be tailored to minimize software management of the communications link.

Both the TL16C550D and the TL16C550DI ACE include a programmable baud rate generator capable of dividing a reference clock by divisors from 1 to 65535 and producing a 16× reference clock for the internal transmitter logic. Provisions are included to use this 16× clock for the receiver logic. The ACE accommodates up to a 1.5-Mbaud serial rate (24-MHz input clock) so that a bit time is 667 ns and a typical character time is 6.7 ms (start bit, 8 data bits, stop bit).

Two of the TL16C450 terminal functions on the TL16C550D and the TL16C550DI have been changed to TXRDY and RXRDY, which provide signaling to a DMA controller.

The TL16C550D is being made available in a reduced pin count package, the 32-pin RHB package. This is accomplished by eliminating some signals that are not required for some applications. These include the CS0, CS1, ADS, RD2, WR2, and RCLK input signals and the DDIS, TXRDY, RXRDY, OUT1, OUT2, and BAUDOUT output signals. There is an internal connection between BAUDOUT and RCLK.

All of the functionality of the TL16C550D is maintained in the RHB package.

The TL16C550D is being made available in a reduced pin count package, the 24-pin ZQS package. This is accomplished by eliminating some signals that are not required for some applications. These include the CS0, CS1, ADS, RD2, WR2, DSR, RI, DCD, and RCLK input signals and the DDIS, TXRDY, RXRDY, OUT1, OUT2, DTR, and BAUDOUT output signals. There is an internal connection between BAUDOUT and RCLK.

Most of the functionality of the TL16C550D is maintained in the ZQS package, except that which involves the eliminated signals.

The TL16C550D and the TL16C550DI are speed and operating voltage upgrades (but functional equivalents) of the TL16C550C asynchronous communications element (ACE), which in turn is a functional upgrade of the TL16C450. Functionally equivalent to the TL16C450 on power up (character or TL16C450 mode), the TL16C550D and the TL16C550DI, like the TL16C550C, can be placed in an alternate FIFO mode. This relieves the CPU of excessive software overhead by buffering received and transmitted characters. The receiver and transmitter FIFOs store up to 16 bytes including three additional bits of error status per byte for the receiver FIFO. In the FIFO mode, there is a selectable autoflow control feature that can significantly reduce software overload and increase system efficiency by automatically controlling serial data flow using RTS output and CTS input signals.

The TL16C550D and TL16C550DI perform serial-to-parallel conversions on data received from a peripheral device or modem and parallel-to-serial conversion on data received from its CPU. The CPU can read the ACE status at any time. The ACE includes complete modem control capability and a processor interrupt system that can be tailored to minimize software management of the communications link.

Both the TL16C550D and the TL16C550DI ACE include a programmable baud rate generator capable of dividing a reference clock by divisors from 1 to 65535 and producing a 16× reference clock for the internal transmitter logic. Provisions are included to use this 16× clock for the receiver logic. The ACE accommodates up to a 1.5-Mbaud serial rate (24-MHz input clock) so that a bit time is 667 ns and a typical character time is 6.7 ms (start bit, 8 data bits, stop bit).

Two of the TL16C450 terminal functions on the TL16C550D and the TL16C550DI have been changed to TXRDY and RXRDY, which provide signaling to a DMA controller.

The TL16C550D is being made available in a reduced pin count package, the 32-pin RHB package. This is accomplished by eliminating some signals that are not required for some applications. These include the CS0, CS1, ADS, RD2, WR2, and RCLK input signals and the DDIS, TXRDY, RXRDY, OUT1, OUT2, and BAUDOUT output signals. There is an internal connection between BAUDOUT and RCLK.

All of the functionality of the TL16C550D is maintained in the RHB package.

The TL16C550D is being made available in a reduced pin count package, the 24-pin ZQS package. This is accomplished by eliminating some signals that are not required for some applications. These include the CS0, CS1, ADS, RD2, WR2, DSR, RI, DCD, and RCLK input signals and the DDIS, TXRDY, RXRDY, OUT1, OUT2, DTR, and BAUDOUT output signals. There is an internal connection between BAUDOUT and RCLK.

Most of the functionality of the TL16C550D is maintained in the ZQS package, except that which involves the eliminated signals.