0
LSF0102-Q1
  • LSF0102-Q1
  • LSF0102-Q1
  • LSF0102-Q1
  • LSF0102-Q1
  • LSF0102-Q1
  • LSF0102-Q1

LSF0102-Q1

ACTIVE

Automotive Dual-Channel Bidirectional Multi-Voltage Level Translator

Texas Instruments LSF0102-Q1 Product Info

1 April 2026 1

Parameters

Bits (#)

2

Data rate (max) (Mbps)

200

Topology

Open drain, Push-Pull

Direction control (typ)

Auto-direction

Vin (min) (V)

0.95

Vin (max) (V)

4.9

Vout (min) (V)

1.8

Vout (max) (V)

5.5

Applications

GPIO, I2C, MDIO, SMBus, UART

Features

Output enable

Prop delay (ns)

1.2

Technology family

LSF

Supply current (max) (mA)

0.0015

Rating

Automotive

Operating temperature range (°C)

-40 to 125

Package

VSSOP (DCU)-8-6.2 mm² 2 x 3.1

Features

  • AEC-Q100 qualified for automotive applications
    • Temperature grade 1: –40°C ≤ T A ≤ 125°C
    • Device HBM ESD Classification Level 2
    • CDM ESD Classification Level C6
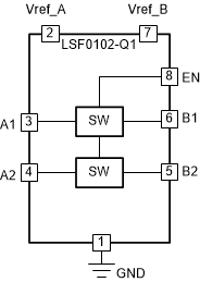
  • Provides bidirectional voltage translation with no direction Pin
  • Supports open drain and push-pull applications such as I 2C, SPI, UART, MDIO, SDIO, and GPIO
  • Supports up to 100 MHz up translation and greater than 100 MHz down translation at ≤ 30pF cap load and up to 40 MHz up or down translation at 50 pF cap load
  • Enables bidirectional voltage level translation between
    • 0.95 V ↔ 1.8/2.5/3.3/5 V
    • 1.2 V ↔ 1.8/2.5/3.3/5 V
    • 1.8 V ↔ 2.5/3.3/5 V
    • 2.5 V ↔ 3.3/5 V
    • 3.3 V ↔ 5 V
  • Low standby current
  • 5 V tolerant I/O ports to support TTL voltage levels
  • Low r on provides less signal distortion
  • High-impedance I/O pins when EN = low
  • Flow-through pinout for ease of PCB trace routing
  • Latch-up performance exceeds 100 mA per JESD 78, Class II
  • AEC-Q100 qualified for automotive applications
    • Temperature grade 1: –40°C ≤ T A ≤ 125°C
    • Device HBM ESD Classification Level 2
    • CDM ESD Classification Level C6
  • Provides bidirectional voltage translation with no direction Pin
  • Supports open drain and push-pull applications such as I 2C, SPI, UART, MDIO, SDIO, and GPIO
  • Supports up to 100 MHz up translation and greater than 100 MHz down translation at ≤ 30pF cap load and up to 40 MHz up or down translation at 50 pF cap load
  • Enables bidirectional voltage level translation between
    • 0.95 V ↔ 1.8/2.5/3.3/5 V
    • 1.2 V ↔ 1.8/2.5/3.3/5 V
    • 1.8 V ↔ 2.5/3.3/5 V
    • 2.5 V ↔ 3.3/5 V
    • 3.3 V ↔ 5 V
  • Low standby current
  • 5 V tolerant I/O ports to support TTL voltage levels
  • Low r on provides less signal distortion
  • High-impedance I/O pins when EN = low
  • Flow-through pinout for ease of PCB trace routing
  • Latch-up performance exceeds 100 mA per JESD 78, Class II

Description

The LSF0102-Q1 device is an auto bidirectional voltage translator that translates among a wide range of supplies without the need for a directional pin. The LSF0102-Q1 supports up to 100 MHz up translation and greater than 100 MHz down translation with capacitive loads ≤ 30 pF. Additionally, the LSF0102-Q1 supports up to 40 MHz up and down translation at 50 pF capacitance load, which enables the LSF0102-Q1 device to support a wide variety of standard interfaces commonly found in automotive applications such as I 2C, SPI, GPIO, SDIO, UART, and MDIO.

The LSF0102-Q1 device has 5-V tolerant data inputs. This makes the device compatible with TTL voltage levels. Furthermore, the LSF0102-Q1 supports mixed-mode voltage translation, allowing the device to up translate and down translate to different supply levels on each channel.

The LSF0102-Q1 device is an auto bidirectional voltage translator that translates among a wide range of supplies without the need for a directional pin. The LSF0102-Q1 supports up to 100 MHz up translation and greater than 100 MHz down translation with capacitive loads ≤ 30 pF. Additionally, the LSF0102-Q1 supports up to 40 MHz up and down translation at 50 pF capacitance load, which enables the LSF0102-Q1 device to support a wide variety of standard interfaces commonly found in automotive applications such as I 2C, SPI, GPIO, SDIO, UART, and MDIO.

The LSF0102-Q1 device has 5-V tolerant data inputs. This makes the device compatible with TTL voltage levels. Furthermore, the LSF0102-Q1 supports mixed-mode voltage translation, allowing the device to up translate and down translate to different supply levels on each channel.

Subscribe to Welllinkchips !
Your Name
* Email
Submit a request