0
LP3961
  • LP3961
  • LP3961
  • LP3961
  • LP3961

LP3961

ACTIVE

800-mA, high-accuracy, low-dropout voltage regulator with enable

Texas Instruments LP3961 Product Info

1 April 2026 1

Parameters

Rating

Catalog

Vin (max) (V)

7

Vin (min) (V)

2.5

Iout (max) (A)

0.8

Output options

Fixed Output

Vout (max) (V)

5

Vout (min) (V)

1.8

Fixed output options (V)

1.8, 2.5, 3.3, 5

Noise (µVrms)

150

PSRR at 100 KHz (dB)

15

Iq (typ) (mA)

4

Features

Enable

Thermal resistance θJA (°C/W)

40

Load capacitance (min) (µF)

33

Regulated outputs (#)

1

Accuracy (%)

1

Dropout voltage (Vdo) (typ) (mV)

240

Operating temperature range (°C)

-40 to 125

Package

SOT-223 (NDC)-5-45.24 mm² 6.5 x 6.96

Features

  • Input Supply Voltage: 2.5 V to 7 V
  • Ultra-Low Dropout Voltage
  • Low Ground Pin Current
  • Load Regulation of 0.02%
  • 15-µA Quiescent Current in Shutdown Mode
  • Specified Output Current of 0.8-A DC
  • Output Voltage Accuracy ±1.5%
  • ERROR Flag Indicates Output Status (LP3961)
  • Sense Option Improves Better Load Regulation
    (LP3964)
  • Extremely Low Output Capacitor Requirements
  • Overtemperature and Overcurrent Protection
  • −40°C to 125°C Junction Temperature Range
  • Input Supply Voltage: 2.5 V to 7 V
  • Ultra-Low Dropout Voltage
  • Low Ground Pin Current
  • Load Regulation of 0.02%
  • 15-µA Quiescent Current in Shutdown Mode
  • Specified Output Current of 0.8-A DC
  • Output Voltage Accuracy ±1.5%
  • ERROR Flag Indicates Output Status (LP3961)
  • Sense Option Improves Better Load Regulation
    (LP3964)
  • Extremely Low Output Capacitor Requirements
  • Overtemperature and Overcurrent Protection
  • −40°C to 125°C Junction Temperature Range

Description

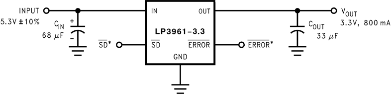
The LP396x series of fast ultra-low-dropout linear regulators operate from a 2.5-V to 7-V input supply. A wide range of preset output voltage options are available. These ultra-low dropout linear regulators respond very fast to step changes in load which makes them suitable for low-voltage microprocessor applications. The LP3961 and LP3964 are developed on a CMOS process which allows low quiescent current operation independent of output load current, as well as operation under extremely low dropout conditions.

Dropout Voltage: Ultra-low dropout voltage; typically 24 mV at 80-mA load current and 240 mV at 800-mA load current.

Ground Pin Current: Typically 4 mA at 800-mA load current.

ERROR Flag: ERROR flag goes low when the output voltage drops 10% below nominal value (for LP3961).

SENSE: SENSE pin improves regulation at remote loads (for LP3964).

Precision Output Voltage: Multiple output voltage options are available ranging from 1.2 V to 5 V and adjustable (LP3964), with a specified accuracy of ±1.5% at room temperature, and ±3% over all conditions (varying line, load, and temperature).

The LP396x series of fast ultra-low-dropout linear regulators operate from a 2.5-V to 7-V input supply. A wide range of preset output voltage options are available. These ultra-low dropout linear regulators respond very fast to step changes in load which makes them suitable for low-voltage microprocessor applications. The LP3961 and LP3964 are developed on a CMOS process which allows low quiescent current operation independent of output load current, as well as operation under extremely low dropout conditions.

Dropout Voltage: Ultra-low dropout voltage; typically 24 mV at 80-mA load current and 240 mV at 800-mA load current.

Ground Pin Current: Typically 4 mA at 800-mA load current.

ERROR Flag: ERROR flag goes low when the output voltage drops 10% below nominal value (for LP3961).

SENSE: SENSE pin improves regulation at remote loads (for LP3964).

Precision Output Voltage: Multiple output voltage options are available ranging from 1.2 V to 5 V and adjustable (LP3964), with a specified accuracy of ±1.5% at room temperature, and ±3% over all conditions (varying line, load, and temperature).

Subscribe to Welllinkchips !
Your Name
* Email
Submit a request