0
TL4051A
  • TL4051A
  • TL4051A
  • TL4051A

TL4051A

ACTIVE

Adjustable, 0.1% 50-ppm/°C precision micropower shunt voltage reference

Texas Instruments TL4051A Product Info

1 April 2026 0

Parameters

Rating

Catalog

VO (V)

1.225

Initial accuracy (max) (%)

0.1

Iz for regulation (min) (µA)

36

VO adj (min) (V)

1.225

VO adj (max) (V)

10

Reference voltage (V)

adjustable

Temp coeff (max) (ppm/°C)

50

Operating temperature range (°C)

-40 to 125

Iout/Iz (max) (mA)

20

Package

SOT-23 (DBZ)-3-6.9204 mm² 2.92 x 2.37

Features

  • 1.225V fixed and adjustable (1.225V to 10V) outputs
  • Tight output tolerances and low temperature coefficient
    • Max 0.1%, 50ppm/°C – A Grade
    • Max 0.2%, 50ppm/°C – B Grade
    • Max 0.5%, 50ppm/°C – C Grade
  • Low output noise…20µVRMS (typical)
  • Wide operating current range…60µA (typical) to 12mA
  • Stable with all capacitive loads; No output capacitor required
  • Available in
    • Industrial Temperature: –40°C to 85°C
    • Extended Temperature: –40°C to 125°C
  • 1.225V fixed and adjustable (1.225V to 10V) outputs
  • Tight output tolerances and low temperature coefficient
    • Max 0.1%, 50ppm/°C – A Grade
    • Max 0.2%, 50ppm/°C – B Grade
    • Max 0.5%, 50ppm/°C – C Grade
  • Low output noise…20µVRMS (typical)
  • Wide operating current range…60µA (typical) to 12mA
  • Stable with all capacitive loads; No output capacitor required
  • Available in
    • Industrial Temperature: –40°C to 85°C
    • Extended Temperature: –40°C to 125°C

Description

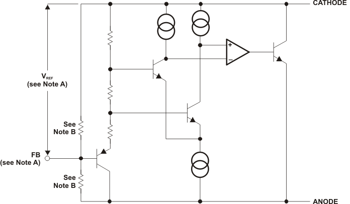
The TL4051 series of shunt voltage references are versatile easy-to-use references designed for a wide array of applications. The device is available in a fixed 1.225V output or an adjustable output whose voltage is determined by an external resistor divider. The device requires no external capacitors for operation and is stable with all capacitive loads. Additionally, the reference offers low dynamic impedance, low noise, and low temperature coefficient to maintain a stable output voltage over a wide range of operating currents and temperatures.

The TL4051 is offered in three initial tolerances, ranging from 0.1% (max) for the A grade to 0.5% (max) for the C grade. Thus, a great deal of flexibility is offered to designers in choosing the best cost-to-performance ratio for any application. Packaged in the space-saving SOT-23-3 and SC-70 packages and requiring a minimum current of 45µA (typical), the TL4051 also is an excellent choice for portable applications.

The TL4051xI is characterized for operation over an ambient temperature range of –40°C to 85°C. The TL4051xQ is characterized for operation over an ambient temperature range of –40°C to 125°C.

The TL4051 series of shunt voltage references are versatile easy-to-use references designed for a wide array of applications. The device is available in a fixed 1.225V output or an adjustable output whose voltage is determined by an external resistor divider. The device requires no external capacitors for operation and is stable with all capacitive loads. Additionally, the reference offers low dynamic impedance, low noise, and low temperature coefficient to maintain a stable output voltage over a wide range of operating currents and temperatures.

The TL4051 is offered in three initial tolerances, ranging from 0.1% (max) for the A grade to 0.5% (max) for the C grade. Thus, a great deal of flexibility is offered to designers in choosing the best cost-to-performance ratio for any application. Packaged in the space-saving SOT-23-3 and SC-70 packages and requiring a minimum current of 45µA (typical), the TL4051 also is an excellent choice for portable applications.

The TL4051xI is characterized for operation over an ambient temperature range of –40°C to 85°C. The TL4051xQ is characterized for operation over an ambient temperature range of –40°C to 125°C.

Subscribe to Welllinkchips !
Your Name
* Email
Submit a request