0
LMR16010
  • LMR16010
  • LMR16010
  • LMR16010

LMR16010

ACTIVE

SIMPLE SWITCHER 60V, 1A Step-Down Converter with 40uA Iq

Texas Instruments LMR16010 Product Info

1 April 2026 0

Parameters

Rating

Catalog

Topology

Buck

Iout (max) (A)

1

Vin (max) (V)

60

Vin (min) (V)

4.3

Vout (max) (V)

50

Vout (min) (V)

1

Features

Enable, Frequency synchronization, Light Load Efficiency, Over Current Protection, Power good, Pre-Bias Start-Up, Tracking, UVLO adjustable

Control mode

current mode

Operating temperature range (°C)

-40 to 125

Iq (typ) (A)

0.00004

Duty cycle (max) (%)

98

Package

HSOIC (DDA)-8-29.4 mm² 4.9 x 6

Features

  • 4.3 V to 60 V Input Range
  • 1 A Continuous Output Current
  • Ultra-low 40 µA Operating Quiescent Current
  • 155 mΩ High-Side MOSFET
  • Current Mode Control
  • Adjustable Switching Frequency from 200 kHz
    to 2.5 MHz
  • Frequency Synchronization to External Clock
  • Internal Compensation for Ease of Use
  • High Duty Cycle Operation Supported
  • Precision Enable Input
  • Power-Good Flag
  • 1 µA Shutdown Current
  • Thermal, Overvoltage and Short Protection
  • 8-Pin HSOIC with PowerPAD Package
  • 4.3 V to 60 V Input Range
  • 1 A Continuous Output Current
  • Ultra-low 40 µA Operating Quiescent Current
  • 155 mΩ High-Side MOSFET
  • Current Mode Control
  • Adjustable Switching Frequency from 200 kHz
    to 2.5 MHz
  • Frequency Synchronization to External Clock
  • Internal Compensation for Ease of Use
  • High Duty Cycle Operation Supported
  • Precision Enable Input
  • Power-Good Flag
  • 1 µA Shutdown Current
  • Thermal, Overvoltage and Short Protection
  • 8-Pin HSOIC with PowerPAD Package

Description

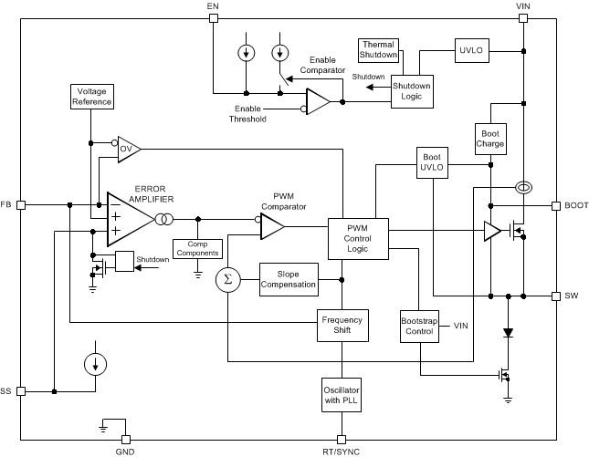
The LMR16010 is a 60 V, 1 A SIMPLE SWITCHER step down regulator with an integrated high-side MOSFET. With a wide input range from 4.3 V to 60 V, it’s suitable for various applications from industrial to automotive for power conditioning from unregulated sources. The regulator’s quiescent current is 40 µA in Sleep-mode, which is suitable for battery powered systems. An ultra-low 1 µA current in shutdown mode can further prolong battery life. A wide adjustable switching frequency range allows either efficiency or external component size to be optimized. Internal loop compensation means that the user is free from the tedious task of loop compensation design. This also minimizes the external components of the device. A precision enable input allows simplification of regulator control and system power sequencing. The device also has built-in protection features such as cycle-by-cycle current limit, thermal sensing and shutdown due to excessive power dissipation, and output overvoltage protection.

The LMR16010 is available in an 8-pin HSOIC package with exposed pad for low thermal resistance.

The LMR16010 is a 60 V, 1 A SIMPLE SWITCHER step down regulator with an integrated high-side MOSFET. With a wide input range from 4.3 V to 60 V, it’s suitable for various applications from industrial to automotive for power conditioning from unregulated sources. The regulator’s quiescent current is 40 µA in Sleep-mode, which is suitable for battery powered systems. An ultra-low 1 µA current in shutdown mode can further prolong battery life. A wide adjustable switching frequency range allows either efficiency or external component size to be optimized. Internal loop compensation means that the user is free from the tedious task of loop compensation design. This also minimizes the external components of the device. A precision enable input allows simplification of regulator control and system power sequencing. The device also has built-in protection features such as cycle-by-cycle current limit, thermal sensing and shutdown due to excessive power dissipation, and output overvoltage protection.

The LMR16010 is available in an 8-pin HSOIC package with exposed pad for low thermal resistance.

Subscribe to Welllinkchips !
Your Name
* Email
Submit a request