0
LMP8602-Q1
  • LMP8602-Q1
  • LMP8602-Q1
  • LMP8602-Q1
  • LMP8602-Q1
  • LMP8602-Q1

LMP8602-Q1

ACTIVE

AEC-Q100, -22 to 60V, bi-directional current sense amplifier w/ in-line filter capability

Texas Instruments LMP8602-Q1 Product Info

1 April 2026 1

Parameters

Product type

Analog output

Common-mode voltage (max) (V)

60

Common-mode voltage (min) (V)

-22

Input offset (±) (max) (µV)

1000

Input offset drift (±) (typ) (µV/°C)

2

Features

Bidirectional, Low-side Capable

Rating

Automotive

Voltage gain (V/V)

50

CMRR (min) (dB)

90

Bandwidth (kHz)

60

Supply voltage (max) (V)

5.5

Supply voltage (min) (V)

3

Iq (max) (mA)

1.5

Number of channels

1

Comparators (#)

0

Gain error (%)

0.5

Gain error drift (±) (max) (ppm/°C)

20

Slew rate (V/µs)

0.4

Operating temperature range (°C)

-40 to 125

Package

SOIC (D)-8-29.4 mm² 4.9 x 6

Features

  • Gain = 20x for LMP8601 and LMP8601-Q1
  • Gain = 50x for LMP8602 and LMP8602-Q1
  • Gain = 100x for LMP8603 and LMP8603-Q1
  • TCVOS: 10 µV/°C Maximum
  • CMRR: 90-dB Minimum
  • Input Offset Voltage: 1-mV Maximum
  • CMVR at VS = 3.3 V: –4 V to 27 V
  • CMVR at VS = 5 V: –22 V to 60 V
  • Single-Supply Bidirectional Operation
  • All Minimum and Maximum Limits 100% Tested
  • Q1 Devices Qualified for Automotive Applications
  • Q1 Devices ACE-Q100 Qualified With the Following Results:
    • Device Temperature Grade 1: –40°C to 125°C Ambient Operating Temperature Range
    • Device Temperature Grade 0: –40°C to 150°C (LMP8601EDRQ1 Only)
    • Device HBM ESD Classification Level 2
      (3A on inputs)
    • Device CDM ESD Classification Level C6
    • Device MM ESD Classification Level M2
  • Gain = 20x for LMP8601 and LMP8601-Q1
  • Gain = 50x for LMP8602 and LMP8602-Q1
  • Gain = 100x for LMP8603 and LMP8603-Q1
  • TCVOS: 10 µV/°C Maximum
  • CMRR: 90-dB Minimum
  • Input Offset Voltage: 1-mV Maximum
  • CMVR at VS = 3.3 V: –4 V to 27 V
  • CMVR at VS = 5 V: –22 V to 60 V
  • Single-Supply Bidirectional Operation
  • All Minimum and Maximum Limits 100% Tested
  • Q1 Devices Qualified for Automotive Applications
  • Q1 Devices ACE-Q100 Qualified With the Following Results:
    • Device Temperature Grade 1: –40°C to 125°C Ambient Operating Temperature Range
    • Device Temperature Grade 0: –40°C to 150°C (LMP8601EDRQ1 Only)
    • Device HBM ESD Classification Level 2
      (3A on inputs)
    • Device CDM ESD Classification Level C6
    • Device MM ESD Classification Level M2

Description

The LMP8601, LMP8602, LMP8603 (LMP860x) and LMP8601-Q1, LMP8602-Q1, LMP8603-Q1 (LMP860x-Q1) devices are fixed-gain, precision current-sense amplifiers (also referred to as current-shunt monitors). The input common-mode voltage range is –22 V to +60 V when operating from a single 5-V supply, or –4 V to +27 V with a 3.3-V supply. The LMP860x and LMP860x-Q1 are ideal parts for unidirectional and bidirectional current sensing applications.

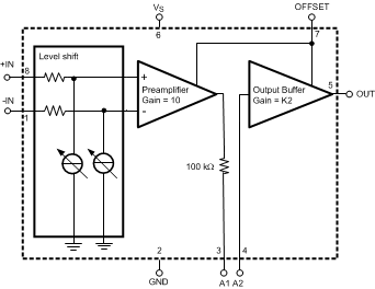
These devices have a precise gain of 20x (LPM8601, LPM8601-Q1), 50x (LPM8602, LPM8602-Q1), and 100x (LPM8603, LPM8603-Q1), and are adequate in most targeted applications to drive an ADC to full-scale value. The fixed gain is achieved in two separate stages: a preamplifier with a gain of 10x and an output stage buffer amplifier with a gain of 2x (LMP8601, LMP8601-Q1), 5x (LMP8602, LMP8602-Q1), or 10x (LMP8603, LMP8603-Q1). The path between the two stages is brought out on two pins to enable the option of an additional filter network or modifying the gain.

The offset input pin enables these devices for unidirectional or bidirectional single supply voltage current sensing.

The LMP860x-Q1 devices incorporate enhanced manufacturing and support processes for the automotive market and are compliant with the AEC-Q100 standard.

The LMP8601, LMP8602, LMP8603 (LMP860x) and LMP8601-Q1, LMP8602-Q1, LMP8603-Q1 (LMP860x-Q1) devices are fixed-gain, precision current-sense amplifiers (also referred to as current-shunt monitors). The input common-mode voltage range is –22 V to +60 V when operating from a single 5-V supply, or –4 V to +27 V with a 3.3-V supply. The LMP860x and LMP860x-Q1 are ideal parts for unidirectional and bidirectional current sensing applications.

These devices have a precise gain of 20x (LPM8601, LPM8601-Q1), 50x (LPM8602, LPM8602-Q1), and 100x (LPM8603, LPM8603-Q1), and are adequate in most targeted applications to drive an ADC to full-scale value. The fixed gain is achieved in two separate stages: a preamplifier with a gain of 10x and an output stage buffer amplifier with a gain of 2x (LMP8601, LMP8601-Q1), 5x (LMP8602, LMP8602-Q1), or 10x (LMP8603, LMP8603-Q1). The path between the two stages is brought out on two pins to enable the option of an additional filter network or modifying the gain.

The offset input pin enables these devices for unidirectional or bidirectional single supply voltage current sensing.

The LMP860x-Q1 devices incorporate enhanced manufacturing and support processes for the automotive market and are compliant with the AEC-Q100 standard.

Subscribe to Welllinkchips !
Your Name
* Email
Submit a request