0
LMH6622
  • LMH6622
  • LMH6622
  • LMH6622
  • LMH6622
  • LMH6622

LMH6622

ACTIVE

Dual Wideband, Low Noise, 160MHz, Operational Amplifiers

Texas Instruments LMH6622 Product Info

1 April 2026 0

Parameters

Architecture

Voltage FB

Number of channels

2

Total supply voltage (+5 V = 5, ±5 V = 10) (min) (V)

4.5

Total supply voltage (+5 V = 5, ±5 V = 10) (max) (V)

12

GBW (typ) (MHz)

320

BW at Acl (MHz)

160

Acl, min spec gain (V/V)

2

Slew rate (typ) (V/µs)

80

Vn at flatband (typ) (nV√Hz)

1.6

Vn at 1 kHz (typ) (nV√Hz)

1.6

Iq per channel (typ) (mA)

4.3

Vos (offset voltage at 25°C) (max) (mV)

1.2

Rail-to-rail

No

Features

Decompensated

Rating

Catalog

Operating temperature range (°C)

-40 to 85

CMRR (typ) (dB)

100

Input bias current (max) (pA)

10000000

Offset drift (typ) (µV/°C)

2.5

Iout (typ) (mA)

90

2nd harmonic (dBc)

90

3rd harmonic (dBc)

100

Frequency of harmonic distortion measurement (MHz)

1

Package

SOIC (D)-8-29.4 mm² 4.9 x 6

Features

  • VS = ±6 V, TA = 25°C,
    Typical Values Unless Specified
  • Bandwidth (AV = +2) 160 MHz
  • Supply Voltage Range ±2.5 V to ±6 V;
    + 5 V to +12
  • Slew Rate 85V/µs
  • Supply Current 4.3 mA/amp
  • Input Common Mode Voltage −4.75 V to
    +5.7 V
  • Output Voltage Swing (RL = 100 Ω) ±4.6 V
  • Input Voltage Noise 1.6 nV/√Hz
  • Input Current Noise 1.5 pA/√Hz
  • Linear Output Current 90 mA
  • Excellent Harmonic Distortion 90 dBc
  • VS = ±6 V, TA = 25°C,
    Typical Values Unless Specified
  • Bandwidth (AV = +2) 160 MHz
  • Supply Voltage Range ±2.5 V to ±6 V;
    + 5 V to +12
  • Slew Rate 85V/µs
  • Supply Current 4.3 mA/amp
  • Input Common Mode Voltage −4.75 V to
    +5.7 V
  • Output Voltage Swing (RL = 100 Ω) ±4.6 V
  • Input Voltage Noise 1.6 nV/√Hz
  • Input Current Noise 1.5 pA/√Hz
  • Linear Output Current 90 mA
  • Excellent Harmonic Distortion 90 dBc

Description

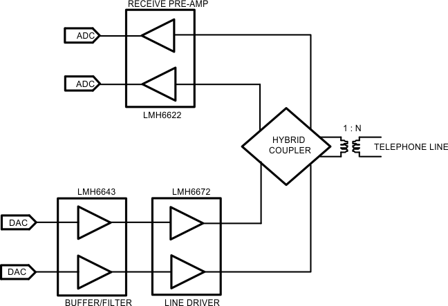
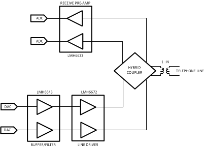
The LMH6622 is a dual high speed voltage feedback operational amplifier specifically optimized for low noise. A voltage noise specification of 1.6nV/√Hz, a current noise specification 1.5pA/√Hz, a bandwidth of 160 MHz, and a harmonic distortion specification that exceeds 90 dBc combine to make the LMH6622 an ideal choice for the receive channel amplifier in ADSL, VDSL, or other xDSL designs. The LMH6622 operates from ±2.5 V to ±6 V in dual supply mode and from +5 V to +12 V in single supply configuration. The LMH6622 is stable for AV ≥ 2 or AV ≤ −1. The fabrication of the LMH6622 on TI’s advanced VIP10 process enables excellent (160 MHz) bandwidth at a current consumption of only 4.3 mA/amplifier. Packages for this dual amplifier are the 8-lead SOIC and the 8-lead VSSOP.

The LMH6622 is a dual high speed voltage feedback operational amplifier specifically optimized for low noise. A voltage noise specification of 1.6nV/√Hz, a current noise specification 1.5pA/√Hz, a bandwidth of 160 MHz, and a harmonic distortion specification that exceeds 90 dBc combine to make the LMH6622 an ideal choice for the receive channel amplifier in ADSL, VDSL, or other xDSL designs. The LMH6622 operates from ±2.5 V to ±6 V in dual supply mode and from +5 V to +12 V in single supply configuration. The LMH6622 is stable for AV ≥ 2 or AV ≤ −1. The fabrication of the LMH6622 on TI’s advanced VIP10 process enables excellent (160 MHz) bandwidth at a current consumption of only 4.3 mA/amplifier. Packages for this dual amplifier are the 8-lead SOIC and the 8-lead VSSOP.

Subscribe to Welllinkchips !
Your Name
* Email
Submit a request