0
LM98519
  • LM98519
  • LM98519

LM98519

ACTIVE

10-bit 65 MSPS 6 Channel Imaging Signal Processor

Texas Instruments LM98519 Product Info

1 April 2026 0

Parameters

Resolution (Bits)

10

Number of channels

6

Sample rate (Msps)

65

Gain (min) (dB)

0

Gain (max) (dB)

26

Pd (typ) (mW)

1040

Supply voltage (max) (V)

3.6

Operating temperature range (°C)

0 to 70

Output data format

CMOS

Rating

Catalog

Package

TQFP (PFC)-80-196 mm² 14 x 14

Features

  • 3.3-V Single Supply Operation
  • CDS or S/H Processing with Negative
    Input Signal Polarity
  • 32.5-MHz Channel Rate
  • Enhanced ESD Protection on Host
    Interface Pins: SHP, SHD, CLPIN,
    BLKCLP, AGC_ONB, MCLK, RESETB,
    SENB, SCLK, SDI, SDO
  • Low Power CMOS Design
  • 4-Wire Serial interface
  • 2 Channel Symmetrical Architecture
  • Independent Gain and Offset Correction
    for Each Channel
  • Digital Black Level Calibration for
    Each Channel
  • Digital White Level Calibration for
    Each Channel
  • Programmable Input Clamp
  • 3.3-V Single Supply Operation
  • CDS or S/H Processing with Negative
    Input Signal Polarity
  • 32.5-MHz Channel Rate
  • Enhanced ESD Protection on Host
    Interface Pins: SHP, SHD, CLPIN,
    BLKCLP, AGC_ONB, MCLK, RESETB,
    SENB, SCLK, SDI, SDO
  • Low Power CMOS Design
  • 4-Wire Serial interface
  • 2 Channel Symmetrical Architecture
  • Independent Gain and Offset Correction
    for Each Channel
  • Digital Black Level Calibration for
    Each Channel
  • Digital White Level Calibration for
    Each Channel
  • Programmable Input Clamp

Description

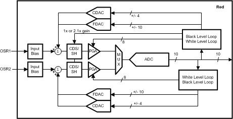
The LM98519 is a fully integrated, high performance 10-Bit, 65 MSPS signal processing solution for digital color copiers, scanners, and other image processing applications. High-speed signal throughput is achieved with an innovative six channel architecture utilizing Correlated Double Sampling (CDS), or Sample and Hold (SH) type sampling. 1x or 2x gain settings are available in the CDS/SH input stage. Each channel has a dedicated 1x to 10x (8 bit) PGA that allows accurate gain adjustment of each channel. The Digital White Level auto calibration loop can automatically set the PGA value to achieve a selected white target level. Each channel also has a ±4-bit coarse and ±10-bit fine analog offset correction DAC that allows offset correction before the sample-and-hold amplifier. These correction values can be controlled by an automated Digital Black Level correction loop. The PGA and offset DACs for each channel are programmed independently allowing unique values of gain and offset for each of the six channels. A 2-to-1 multiplexing scheme routes the signals to three 65-MHz high performance ADCs. The fully differential processing channels achieve exceptional noise immunity, having a very low noise floor of –67.5 dB. The 10-bit analog-to-digital converters have excellent dynamic performance making the LM98519 transparent in the image reproduction chain.

The LM98519 is a fully integrated, high performance 10-Bit, 65 MSPS signal processing solution for digital color copiers, scanners, and other image processing applications. High-speed signal throughput is achieved with an innovative six channel architecture utilizing Correlated Double Sampling (CDS), or Sample and Hold (SH) type sampling. 1x or 2x gain settings are available in the CDS/SH input stage. Each channel has a dedicated 1x to 10x (8 bit) PGA that allows accurate gain adjustment of each channel. The Digital White Level auto calibration loop can automatically set the PGA value to achieve a selected white target level. Each channel also has a ±4-bit coarse and ±10-bit fine analog offset correction DAC that allows offset correction before the sample-and-hold amplifier. These correction values can be controlled by an automated Digital Black Level correction loop. The PGA and offset DACs for each channel are programmed independently allowing unique values of gain and offset for each of the six channels. A 2-to-1 multiplexing scheme routes the signals to three 65-MHz high performance ADCs. The fully differential processing channels achieve exceptional noise immunity, having a very low noise floor of –67.5 dB. The 10-bit analog-to-digital converters have excellent dynamic performance making the LM98519 transparent in the image reproduction chain.

Subscribe to Welllinkchips !
Your Name
* Email
Submit a request