0
TPS62442
  • TPS62442
  • TPS62442
  • TPS62442

TPS62442

ACTIVE

2.75-V to 6-V, dual 2-A or 3-A and 1-A step-down converter in QFN package

Texas Instruments TPS62442 Product Info

1 April 2026 0

Parameters

Rating

Catalog

Topology

Buck

Iout (max) (A)

2, 3

Vin (max) (V)

6

Vin (min) (V)

2.75

Vout (max) (V)

5.5

Vout (min) (V)

0.6

Features

Enable, Forced PWM, Frequency synchronization, Light Load Efficiency, Light load efficiency, Output discharge, Over Current Protection, Power good, Soft Start Fixed, Spread Spectrum, Synchronous Rectification, UVLO adjustable, Wettable flanks package

Control mode

current mode

Operating temperature range (°C)

-40 to 150

Iq (typ) (A)

0.000022

Duty cycle (max) (%)

100

TI functional safety category

Functional Safety-Capable

Package

VQFN-HR (RQR)-14-6.21 mm² 2.7 x 2.3

Features

  • Functional Safety-Capable
  • 0.6-V to 5.5-V dual-channel, output voltage
  • 1-A/1-A, 2-A/2-A, 3-A/1-A output currents
  • 2.75-V to 6-V input voltage range
  • 1% feedback voltage accuracy (PWM operation)
  • T J = –40°C to +150°C
  • Two precise ENABLE inputs allow:
    • User-defined undervoltage lockout
    • Exact sequencing
  • Two power-good outputs with window comparator
  • 1.8-MHz to 4-MHz adjustable switching frequency
  • Optional synchronization to external clock
  • Optional spread spectrum clocking
  • Forced PWM or PWM/PFM operation
  • Selectable compensation network up to 200 µF
  • 22-µA quiescent current
  • 180° phase shifted operation
  • 100% duty cycle mode
  • Active output discharge
  • Thermal shutdown protection
  • 2.3-mm × 2.7-mm QFN package
  • Functional Safety-Capable
  • 0.6-V to 5.5-V dual-channel, output voltage
  • 1-A/1-A, 2-A/2-A, 3-A/1-A output currents
  • 2.75-V to 6-V input voltage range
  • 1% feedback voltage accuracy (PWM operation)
  • T J = –40°C to +150°C
  • Two precise ENABLE inputs allow:
    • User-defined undervoltage lockout
    • Exact sequencing
  • Two power-good outputs with window comparator
  • 1.8-MHz to 4-MHz adjustable switching frequency
  • Optional synchronization to external clock
  • Optional spread spectrum clocking
  • Forced PWM or PWM/PFM operation
  • Selectable compensation network up to 200 µF
  • 22-µA quiescent current
  • 180° phase shifted operation
  • 100% duty cycle mode
  • Active output discharge
  • Thermal shutdown protection
  • 2.3-mm × 2.7-mm QFN package

Description

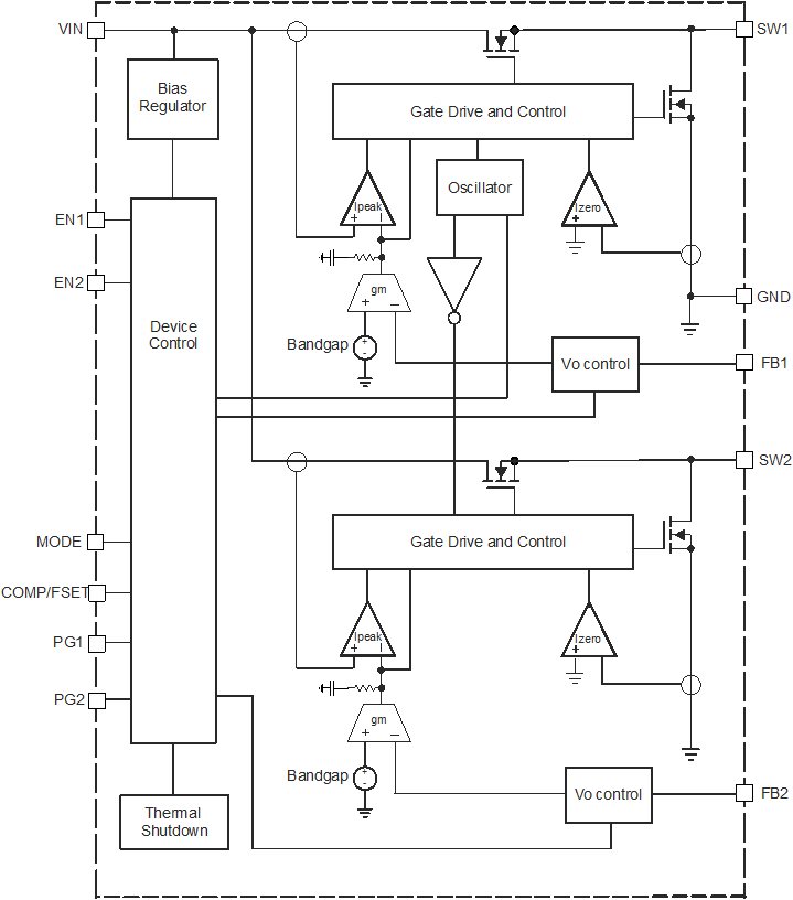
The TPS6244x is a family of pin-to-pin dual 1-A, dual 2-A, and 3-A/1-A high-efficiency and easy-to-use synchronous step-down DC/DC converters. The device family is based on a peak current mode control topology. The devices are designed for industrial applications such as motor drives and robotics. Low resistive switches allow up to 3-A continuous output current and total maximum output current up to 4-A at high ambient temperature. The switching frequency is externally adjustable from 1.8 MHz to 4 MHz and can also be synchronized to an external clock in the same frequency range. In PWM/PFM mode, the TPS6244x automatically enters power save mode at light loads to maintain high efficiency across the whole load range. The TPS6244x provides a 1% output voltage accuracy in PWM mode, which helps design a power supply with high output voltage accuracy.

The TPS6244x is available as an adjustable voltage version, packaged in a VQFN package.

The TPS6244x is a family of pin-to-pin dual 1-A, dual 2-A, and 3-A/1-A high-efficiency and easy-to-use synchronous step-down DC/DC converters. The device family is based on a peak current mode control topology. The devices are designed for industrial applications such as motor drives and robotics. Low resistive switches allow up to 3-A continuous output current and total maximum output current up to 4-A at high ambient temperature. The switching frequency is externally adjustable from 1.8 MHz to 4 MHz and can also be synchronized to an external clock in the same frequency range. In PWM/PFM mode, the TPS6244x automatically enters power save mode at light loads to maintain high efficiency across the whole load range. The TPS6244x provides a 1% output voltage accuracy in PWM mode, which helps design a power supply with high output voltage accuracy.

The TPS6244x is available as an adjustable voltage version, packaged in a VQFN package.

Subscribe to Welllinkchips !
Your Name
* Email
Submit a request