0
LM76
  • LM76
  • LM76
  • LM76
  • LM76

LM76

ACTIVE

±1°C Temperature Sensor with Alert Function and I2C/SMBUS Interface Key Specifications Key Specifications

Texas Instruments LM76 Product Info

1 April 2026 0

Parameters

Local sensor accuracy (max)

1

Type

Local

Operating temperature range (°C)

-55 to 150

Supply voltage (min) (V)

4.5

Interface type

I2C, SMBus

Supply voltage (max) (V)

5.5

Features

ALERT

Supply current (max) (µA)

450

Temp resolution (max) (bps)

13

Remote channels (#)

0

Addresses

4

Rating

Catalog

Package

SOIC (D)-8-29.4 mm² 4.9 x 6

Features

  • Window Comparison Simplifies Design of ACPI Compatible Temperature Monitoring and Control.
  • Serial Bus Interface
  • Separate Open-Drain Outputs for Interrupt and Critical Temperature Shutdown
  • Shutdown Mode to Minimize Power Consumption
  • Up to 4 LM76s can be Connected to a Single Bus
  • 12-bit + Sign Output; Full-scale Reading of Over 127°C

Key Specifications

  •  Supply Voltage 5.0V
  • Supply Current
    • Operating250 µA (typ)450 µA (max)
    • Shutdown8 µA (max)
  • Temperature +25ºC ±0.5ºC (max)
    • Accuracy–10ºC to +45ºC ±10°C (max)70°C to 100°C ±1.0°C (max)
  • Resolution 0.0625°C

All trademarks are the property of their respective owners.

  • Window Comparison Simplifies Design of ACPI Compatible Temperature Monitoring and Control.
  • Serial Bus Interface
  • Separate Open-Drain Outputs for Interrupt and Critical Temperature Shutdown
  • Shutdown Mode to Minimize Power Consumption
  • Up to 4 LM76s can be Connected to a Single Bus
  • 12-bit + Sign Output; Full-scale Reading of Over 127°C

Key Specifications

  •  Supply Voltage 5.0V
  • Supply Current
    • Operating250 µA (typ)450 µA (max)
    • Shutdown8 µA (max)
  • Temperature +25ºC ±0.5ºC (max)
    • Accuracy–10ºC to +45ºC ±10°C (max)70°C to 100°C ±1.0°C (max)
  • Resolution 0.0625°C

All trademarks are the property of their respective owners.

Description

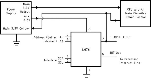
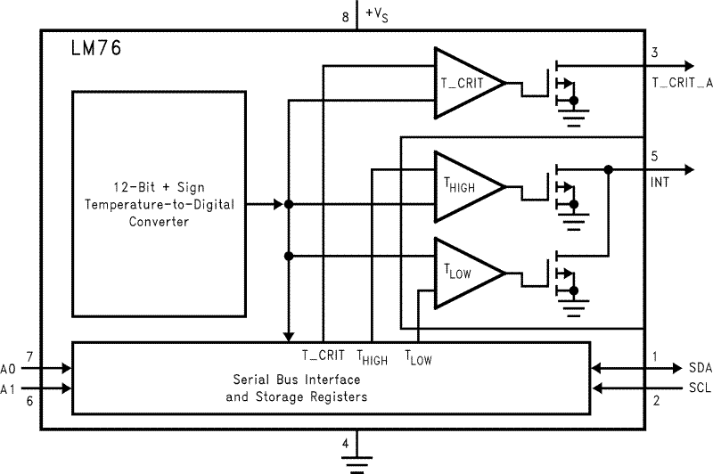
The LM76 is a digital temperature sensor and thermal window comparator with an I2C Serial Bus interface with an accuracy of ±1°C. This accuracy for the LM76CHM is specified for a −10°C to 45°C temperature range. The LM76CHM is specified with an accuracy ±0.5°C at 25°C. The window-comparator architecture of the LM76 eases the design of temperature control systems conforming to the ACPI (Advanced Configuration and Power Interface) specification for personal computers. The open-drain Interrupt (INT) output becomes active whenever temperature goes outside a programmable window, while a separate Critical Temperature Alarm (T_CRIT_A) output becomes active when the temperature exceeds a programmable critical limit. The INT output can operate in either a comparator or event mode, while the T_CRIT_A output operates in comparator mode only.

The host can program both the upper and lower limits of the window as well as the critical temperature limit. Programmable hysterisis as well as a fault queue are available to minimize false tripping. Two pins (A0, A1) are available for address selection. The sensor powers up with default thresholds of 2°C THYST, 10°C TLOW, 64°C THIGH, and 80°C T_CRIT.

The LM76's 5.0V supply voltage, Serial Bus interface, 12-bit + sign output, and full-scale range of over 127°C make it ideal for a wide range of applications. These include thermal management and protection applications in personal computers, electronic test equipment, office electronics and bio-medical applications.

The LM76 is a digital temperature sensor and thermal window comparator with an I2C Serial Bus interface with an accuracy of ±1°C. This accuracy for the LM76CHM is specified for a −10°C to 45°C temperature range. The LM76CHM is specified with an accuracy ±0.5°C at 25°C. The window-comparator architecture of the LM76 eases the design of temperature control systems conforming to the ACPI (Advanced Configuration and Power Interface) specification for personal computers. The open-drain Interrupt (INT) output becomes active whenever temperature goes outside a programmable window, while a separate Critical Temperature Alarm (T_CRIT_A) output becomes active when the temperature exceeds a programmable critical limit. The INT output can operate in either a comparator or event mode, while the T_CRIT_A output operates in comparator mode only.

The host can program both the upper and lower limits of the window as well as the critical temperature limit. Programmable hysterisis as well as a fault queue are available to minimize false tripping. Two pins (A0, A1) are available for address selection. The sensor powers up with default thresholds of 2°C THYST, 10°C TLOW, 64°C THIGH, and 80°C T_CRIT.

The LM76's 5.0V supply voltage, Serial Bus interface, 12-bit + sign output, and full-scale range of over 127°C make it ideal for a wide range of applications. These include thermal management and protection applications in personal computers, electronic test equipment, office electronics and bio-medical applications.

Subscribe to Welllinkchips !
Your Name
* Email
Submit a request