0
LM61480-Q1
  • LM61480-Q1
  • LM61480-Q1
  • LM61480-Q1

LM61480-Q1

ACTIVE

Automotive 8A buck converter optimized for power density and low EMI

Texas Instruments LM61480-Q1 Product Info

1 April 2026 0

Parameters

Rating

Automotive

Topology

Buck

Iout (max) (A)

8

Vin (max) (V)

36

Vin (min) (V)

3

Vout (max) (V)

34.2

Vout (min) (V)

1

Features

Enable, Forced PWM, Frequency synchronization, Light Load Efficiency, Over Current Protection, Power good, Soft Start Fixed, Spread Spectrum, Synchronous Rectification, UVLO Fixed, Wettable flanks package

EMI features

Spread Spectrum

Control mode

current mode

Operating temperature range (°C)

-40 to 150

Iq (typ) (A)

0.000005

Duty cycle (max) (%)

98

TI functional safety category

Functional Safety-Capable

Package

VQFN-HR (RPH)-16-15.75 mm² 4.5 x 3.5

Features

  • AEC-Q100 qualified for automotive applications:
    • Temperature grade 1: –40°C to +125°C, TA
  • Functional Safety-Capable
  • Input voltage range from 3V to 36V
  • RESET output with filter and delayed release
  • Designed for low EMI:
    • CISPR 25 class 5 compliant EVM
    • Pin-configurable spread spectrum
    • Adjustable SW node rise time
    • Above and below AM band operation: pin configurable 400kHz and 2.2MHz fixed or adjustable from 200kHz – 2.2MHz
    • Low EMI symmetrical pinout
    • Light load mode is pin-configurable for constant frequency or pulse frequency modulation (PFM)
  • High-efficiency design
    • 95% efficient for an 8A load
    • 5µA input current while unloaded in auto mode
    • < 1µA shutdown current (typical)
  • High power density
    • Built-in compensation, soft start, current limit, thermal shutdown, and UVLO
    • 4.5mm × 3.5mm wettable flank QFN package
    • ϴJA = 21.6°C/W, measured on LM61495RPHEVM
  • Pin-to-pin compatible with LM61480T-Q1 and LM61495T-Q1 for dual-side cooling providing enhanced thermal performance
  • AEC-Q100 qualified for automotive applications:
    • Temperature grade 1: –40°C to +125°C, TA
  • Functional Safety-Capable
  • Input voltage range from 3V to 36V
  • RESET output with filter and delayed release
  • Designed for low EMI:
    • CISPR 25 class 5 compliant EVM
    • Pin-configurable spread spectrum
    • Adjustable SW node rise time
    • Above and below AM band operation: pin configurable 400kHz and 2.2MHz fixed or adjustable from 200kHz – 2.2MHz
    • Low EMI symmetrical pinout
    • Light load mode is pin-configurable for constant frequency or pulse frequency modulation (PFM)
  • High-efficiency design
    • 95% efficient for an 8A load
    • 5µA input current while unloaded in auto mode
    • < 1µA shutdown current (typical)
  • High power density
    • Built-in compensation, soft start, current limit, thermal shutdown, and UVLO
    • 4.5mm × 3.5mm wettable flank QFN package
    • ϴJA = 21.6°C/W, measured on LM61495RPHEVM
  • Pin-to-pin compatible with LM61480T-Q1 and LM61495T-Q1 for dual-side cooling providing enhanced thermal performance

Description

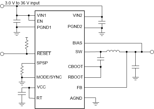
The LM6x4xx-Q1 buck regulator family are automotive-focused regulators providing either fixed or an adjustable output voltage which can be set from 1 V to 95% of expected input voltage. These regulators operate under a wide input voltage range of 3 to 36V and has transient tolerance up to 42 V.

The family is designed for low EMI. The device incorporates pin selectable spread spectrum, and an adjustable SW node rise time. Dual Random Spread Spectrum (DRSS) frequency hopping is set to ±4% (typical), drastically reducing peak emissions through a combination of triangular and pseudorandom modulation, and includes advanced techniques to reduce output voltage ripple caused by spread spectrum modulation.

An open-drain RESET output, with filtering and delayed release, gives a true indication of system status. In auto mode the device automatically transitions between Fixed frequency Pulse Width Modulation (FPWM) and Pulse Frequency Modulation (PFM) modes of operation, allowing an unloaded current consumption of only 5 µA (typical). Electrical characteristics are specified over a junction temperature range of –40°C to +150°C.

The LM6x4xx-Q1 buck regulator family are automotive-focused regulators providing either fixed or an adjustable output voltage which can be set from 1 V to 95% of expected input voltage. These regulators operate under a wide input voltage range of 3 to 36V and has transient tolerance up to 42 V.

The family is designed for low EMI. The device incorporates pin selectable spread spectrum, and an adjustable SW node rise time. Dual Random Spread Spectrum (DRSS) frequency hopping is set to ±4% (typical), drastically reducing peak emissions through a combination of triangular and pseudorandom modulation, and includes advanced techniques to reduce output voltage ripple caused by spread spectrum modulation.

An open-drain RESET output, with filtering and delayed release, gives a true indication of system status. In auto mode the device automatically transitions between Fixed frequency Pulse Width Modulation (FPWM) and Pulse Frequency Modulation (PFM) modes of operation, allowing an unloaded current consumption of only 5 µA (typical). Electrical characteristics are specified over a junction temperature range of –40°C to +150°C.

Subscribe to Welllinkchips !
Your Name
* Email
Submit a request